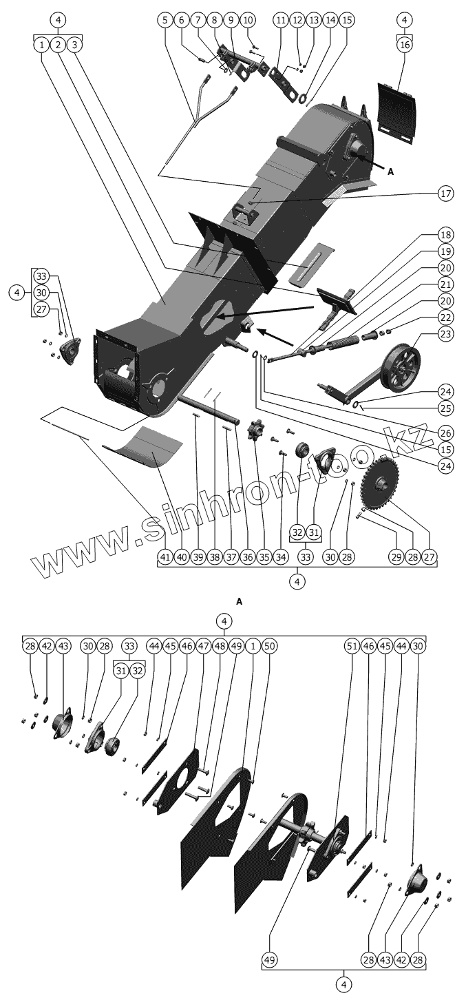
Каталог запасных частей к технике: РСМ-142 "Acros" вариант. Элеватор зерновой
1
1
2
3
4
4
4
4
4
4
5
6
7
8
9
10
11
12
13
14
15
15
16
17
18
19
20
20
21
22
23
24
24
25
26
27
27
28
28
28
28
28
28
29
30
30
30
30
31
31
32
32
33
33
33
34
35
36
37
38
39
40
41
42
42
43
43
44
44
45
45
46
46
47
48
49
49
50
51
| Позиция на иллюстрации | Заводской номер детали | Название детали | |
|---|---|---|---|
| 1 | 142.50.04.010 | Корпус | |
| 2 | 07.400.000-03 | Транспортер цепной 1-1-200х100-152-46 ОСТ 23.2.18-80 | |
| 3 | 40327А | Заслонка | |
| 4 | 142.50.04.000 | Элеватор зерновой | |
| 5 | 142.50.04.240 | Растяжка | |
| 6 | 6-12 b12x30.35. Ц9.хр ГОСТ 9650-80 | Ось | |
| 7 | С.12х2.01.019 ГОСТ 11371-78 | Шайба | |
| 8 | 3,2x20.019 ГОСТ 397-79 | Шплинт | |
| 9 | 142.50.02.220 | Рычаг | |
| 10 | М8-6gx25.88.35.019 ГОСТ 7798-70 | Болт | |
| 11 | 142.50.02.230 | Пластина | |
| 12 | 8Т 65Г 019 ГОСТ 6402-70 | Шайба | |
| 13 | М8-6H.6.019 ГОСТ 5915-70 | Гайка М8-6H.6.019 ГОСТ 5915-70 | |
| 14 | С.27х3,9.01.019 ГОСТ 11371-78 | Шайба | |
| 15 | 5x36.019 ГОСТ 397-79 | Шплинт | |
| 16 | 142.50.04.330 | Крышка | |
| 17 | М12-6H.6.019 ГОСТ 5915-70 | Гайка | |
| 18 | 142.28.02.643 | Тяга | |
| 19 | 145.45.01.614 | Упор | |
| 20 | 142.28.02.760 | Упор | |
| 21 | 142.28.03.614 | Пружина | |
| 22 | М14-6H.6.019 ГОСТ 5915-70 | Гайка | |
| 23 | 145.45.01.530 | Рычаг | |
| 24 | С.20.01.019 ГОСТ 11371-78 | Шайба | |
| 25 | 4x36.019 ГОСТ 397-79 | Шплинт | |
| 26 | С.12.01.019 ГОСТ 11371-78 | Шайба | |
| 27 | РСМ-10.01.50.680-01 | Звездочка z-40 t-19,05 | |
| 28 | М10-6H.6.019 ГОСТ 5915-70 | Гайка | |
| 29 | В.М10-6gх25.22H.019 ГОСТ 1485-84 | Винт | |
| 30 | 10Т 65Г 019 ГОСТ 6402-70 | Шайба | |
| 31 | Н.027.104 | Корпус подшипника | |
| 32 | 1680206 ЕК10Т2С17 ТУ 37.006.084-90 | Подшипник 1680206 ЕК10Т2С17 ТУ 37.006.084-90 | |
| 33 | Н.027.01.040 | Опора (для комбайнов с копнителем) | |
| 34 | М10х35.46.019 ГОСТ 7802-81 | Болт | |
| 35 | РСМ-10.01.54.201 | Звездочка | |
| 36 | 142.50.04.606 | Вал | |
| 37 | 8x7x50 ГОСТ 23360-78 | Шпонка | |
| 38 | 4x45.019 ГОСТ 397-79 | Шплинт | |
| 39 | 8x7x40 ГОСТ 23360-78 | Шпонка | |
| 40 | 142.50.04.300 | Крышка | |
| 41 | РСМ-10.01.50.604 | Ось | |
| 42 | C 10х3.01.019 ГОСТ 6958-78 | Шайба | |
| 43 | РСМ-10.08.07.016 | Колпак | |
| 44 | М8-6H.6.019 ГОСТ 5915-70 | Гайка М8-6H.6.019 ГОСТ 5915-70 | |
| 45 | 8Т 65Г 019 ГОСТ 6402-70 | Шайба | |
| 46 | РСМ-10.01.50.479 | Планка | |
| 47 | 142.50.03.240 | Пластина | |
| 48 | М10х45.46.019 ГОСТ 7802-81 | Болт | |
| 49 | М10х55.46.019 ГОСТ 7802-81 | Болт | |
| 50 | М8х20.46.019 ГОСТ 7802-81 | Болт | |
| 51 | 142.50.04.060 | Ось |
Содержащиеся в справочниках-каталогах запасные части и детали не предлагаются к продаже, а носят исключительно информационный характер