Каталог запасных частей к технике: РСМ-142 "Acros" вариант. Бункер
1
1
2
3
3
3
3
3
3
4
5
6
7
8
9
10
11
11
11
11
12
12
12
13
14
15
16
17
18
19
20
21
21
21
22
22
22
22
22
22
22
22
22
23
23
23
24
24
24
24
24
25
26
27
27
27
28
28
29
30
31
32
33
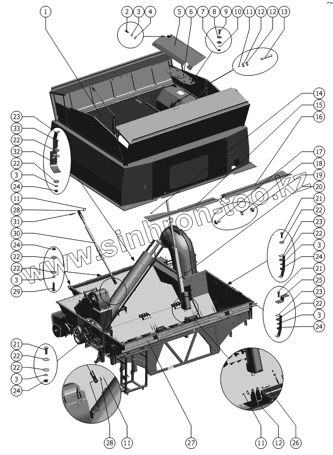
| Позиция на иллюстрации | Заводской номер детали | Название детали | |
|---|---|---|---|
| 1 | 142.46.02.000-01 | Строение верхнее | |
| 1 | 142.46.02.000 | Строение верхнее | |
| 2 | М8-6gx20.88.35.019 ГОСТ 7798-70 | Болт | |
| 3 | 8Т 65Г 019 ГОСТ 6402-70 | Шайба | |
| 4 | С.8.01.019 ГОСТ 11371-78 | Шайба | |
| 5 | 142.46.00.400 | Щиток | |
| 6 | 142.46.00.520 | Кронштейн | |
| 7 | М12-6H.6.019 ГОСТ 5915-70 | Гайка | |
| 8 | РСМ-10.01.45.541 | Шайба | |
| 9 | М12-6gx40.88.35.019 ГОСТ 7798-70 | Болт | |
| 10 | 12Т 65Г 019 ГОСТ 6402-70 | Шайба | |
| 11 | 3,2x20.019 ГОСТ 397-79 | Шплинт | |
| 12 | С.12.01.019 ГОСТ 11371-78 | Шайба | |
| 13 | 6-12 b12x80.35.Ц9.хр ГОСТ 9650-80 | Ось | |
| 14 | РСМ-10.02.02.011 | Заглушка | |
| 15 | 142.46.00.500 | Уплотнитель | |
| 16 | 142.46.00.500-01 | Уплотнитель | |
| 17 | М6-6gx12.48.019 ГОСТ 7798-70 | Болт | |
| 18 | 6Т 65Г 019 ГОСТ 6402-70 | Шайба | |
| 19 | М6-6H.6.019 ГОСТ 5915-70 | Гайка | |
| 20 | 363С32+00600В20 (360067-01) | Силовой привод | |
| 21 | М8-6gx25.88.35.019 ГОСТ 7798-70 | Болт | |
| 22 | C 8.01.019 ГОСТ 6958-78 | Шайба | |
| 23 | 101.10.01.511 | Скоба | |
| 24 | М8-6H.6.019 ГОСТ 5915-70 | Гайка М8-6H.6.019 ГОСТ 5915-70 | |
| 25 | 142.46.00.447 | Кронштейн | |
| 26 | 6-12 b12x50.35.Ц9.хр ГОСТ 9650-80 | Ось | |
| 27 | 142.46.00.010 | Основание | |
| 27 | 142.46.00.010-02 | Основание | |
| 27 | 142.46.00.010-01 | Основание | |
| 28 | С.10.01.019 ГОСТ 11371-78 | Шайба | |
| 29 | М8-6gx35.88.35.019 ГОСТ 7798-70 | Болт | |
| 30 | 142.46.04.270 | Тяга | |
| 31 | 6-10 b12x55.35.Ц9.хр ГОСТ 9650-80 | Ось | |
| 32 | 142.09.01.404 | Кронштейн | |
| 33 | М8-6gx30.88.35.019 ГОСТ 7798-70 | Болт |
Содержащиеся в справочниках-каталогах запасные части и детали не предлагаются к продаже, а носят исключительно информационный характер