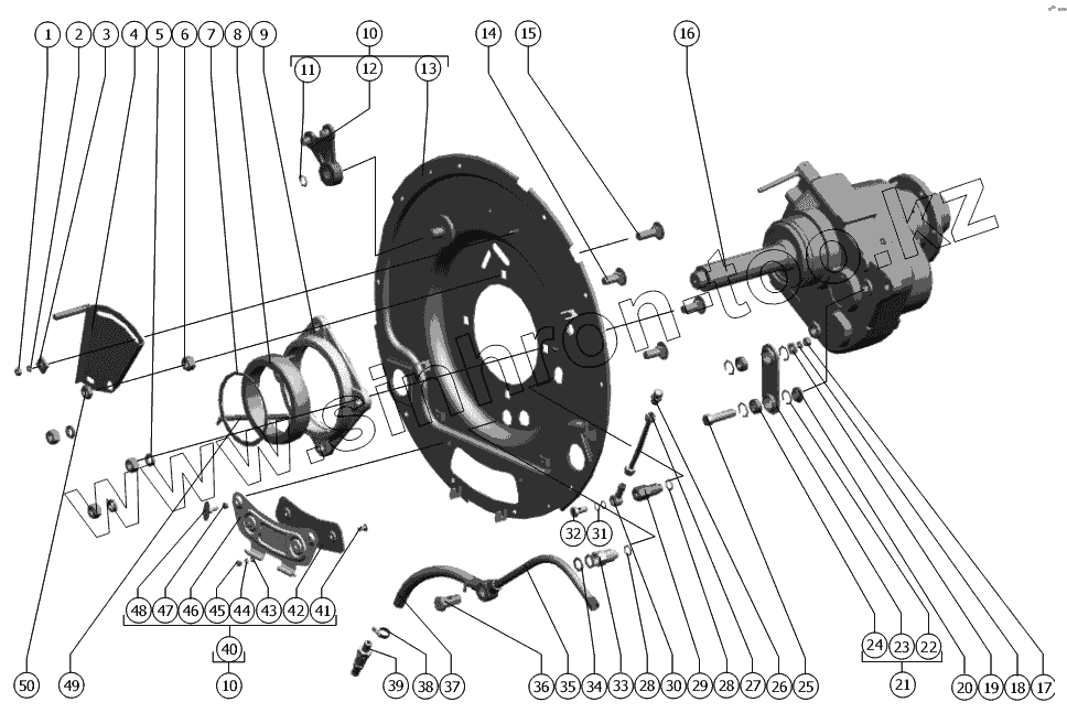
Каталог запасных частей к технике: РСМ-142 "Acros" вариант. Барабан с редуктором
1
2
3
4
5
6
7
8
9
10
10
11
12
13
14
15
16
17
18
19
20
21
22
23
24
25
26
27
28
28
29
30
31
32
33
34
35
36
37
38
39
40
41
42
43
44
45
46
47
48
49
50
| Позиция на иллюстрации | Заводской номер детали | Название детали | |
|---|---|---|---|
| 1 | М10-6H.6.019 ГОСТ 5915-70 | Гайка | |
| 2 | 10Т 65Г 019 ГОСТ 6402-70 | Шайба | |
| 3 | РСМ-10.01.45.541 | Шайба | |
| 4 | 145.15.08.220 | Рычаг | |
| 5 | 20Т 65Г 019 ГОСТ 6402-70 | Шайба | |
| 6 | М20-6H.6.019 ГОСТ 5915-70 | Гайка | |
| 7 | C170 Хим.Фос.прм ГОСТ 13942-86 | Кольцо | |
| 8 | 145.15.08.616 | Сфера | |
| 9 | 145.15.08.101 | Корпус подшипника | |
| 10 | 145.15.08.090 | Фланец | |
| 11 | C25 ГОСТ 13942-86 | Кольцо | |
| 12 | РСМ-10.01.15.300 | Рычаг | |
| 13 | 145.15.08.120 | Фланец | |
| 14 | М20-6gx55.109.40Х.019 ГОСТ 7798-70 | Болт | |
| 15 | М20-6gx60.66.019 ГОСТ 7798-70 | Болт | |
| 16 | 8296 S8296048001 | Редуктор | |
| 17 | М12-6H.6.019 ГОСТ 5915-70 | Гайка | |
| 18 | 12Т 65Г 019 ГОСТ 6402-70 | Шайба | |
| 19 | С.12х2.01.019 ГОСТ 11371-78 | Шайба | |
| 20 | 145.15.08.611 | Шайба | |
| 21 | 145.15.08.160 | Серьга | |
| 22 | C35 ГОСТ 13941-86 | Кольцо | |
| 23 | 145.15.08.170 | Серьга | |
| 24 | Ш20 ГОСТ 3635-78 | Подшипник | |
| 25 | 145.15.08.609 | Болт | |
| 26 | 145.15.08.280 | Сапун | |
| 27 | 145.15.08.180 | Трубка | |
| 28 | РСМ-10.09.12.001 | Прокладка | |
| 29 | 145.15.08.621 | Переходник | |
| 30 | РСМ-10Б.09.61.653А-01 | Угольник поворотный | |
| 31 | 016-020-25-2-6 ГОСТ 9833-73/ГОСТ 18829-73 | Кольцо | |
| 32 | 54-60506 | Болт | |
| 33 | 145.15.08.621 | Переходник | |
| 34 | 00274А | Прокладка | |
| 35 | 145.15.08.200 | Тройник | |
| 36 | РСМ-10Б.06.00.601 | Болт специальный | |
| 37 | 145.15.08.002 | Патрубок сливной | |
| 38 | TORRO S20-32/9-C7W1 | Хомут | |
| 39 | 101.09.01.810 | Клапан | |
| 40 | РСМ-10.01.18.140 | Крышка | |
| 41 | M8x20 ТУ23.4617472.06-91 | Болт | |
| 42 | РСМ-10.01.18.409 | Накладка | |
| 43 | С.8х1,4.01.019 ГОСТ 11371-78 | Шайба | |
| 44 | 8Т 65Г 019 ГОСТ 6402-70 | Шайба | |
| 45 | М8-6H.6.019 ГОСТ 5915-70 | Гайка М8-6H.6.019 ГОСТ 5915-70 | |
| 46 | РСМ-10.01.18.150 | Крышка | |
| 47 | 44-00241 | Втулка | |
| 48 | 44-1-2-16-2 | Винт | |
| 49 | 145.15.03.802 | Трубка | |
| 50 | 145.15.08.612 | Гайка |
Содержащиеся в справочниках-каталогах запасные части и детали не предлагаются к продаже, а носят исключительно информационный характер