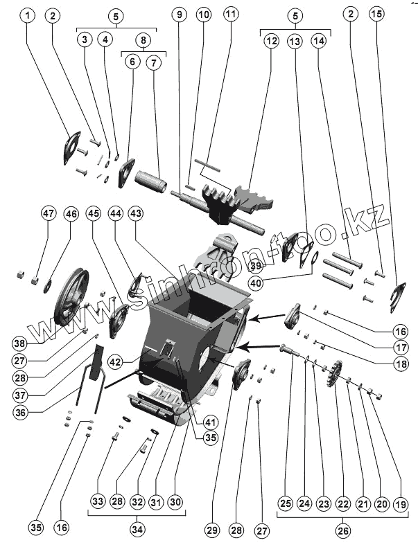
Каталог запасных частей к технике: РСМ-142 "Acros". Устройство домолачивающее
1
2
2
3
4
5
5
6
7
8
9
10
11
12
13
14
15
16
16
17
18
19
20
21
22
23
24
25
26
27
27
28
28
28
29
30
31
32
33
34
35
35
36
37
38
39
40
41
42
43
44
45
46
47
| Позиция на иллюстрации | Заводской номер детали | Название детали | |
|---|---|---|---|
| 1 | Н.166.205 | Крышка подшипника | |
| 2 | Болт М 10х35.46.019 ГОСТ 7802-81 | Болт М 10х35.46.019 ГОСТ 7802-81 | |
| 3 | Шплинт 4x28.019 ГОСТ 397-79 | Шплинт 4x28.019 ГОСТ 397-79 | |
| 4 | Шайба С.16.01.019 ГОСТ 11371-78 | Шайба С.16.01.019 ГОСТ 11371-78 | |
| 5 | РСМ-10.01.39.020А | Ротор домолачивающего устройства | |
| 6 | РСМ-10.01.39.416 | Фланец | |
| 7 | РСМ-10.01.39.803 | Труба | |
| 8 | РСМ-10.01.39.090 | Крестовина | |
| 9 | РСМ-10.01.39.601В | Вал | |
| 10 | Шпонка 8x7x36 ГОСТ 23360-78 | Шпонка 8x7x36 ГОСТ 23360-78 | |
| 11 | Шпонка 8x7x100 ГОСТ 23360-78 | Шпонка 8x7x100 ГОСТ 23360-78 | |
| 12 | РСМ-10.01.39.101 | Лопасть или РСМ-10.01.39.203Г | |
| 13 | РСМ-М-10.01.39.403 | Шайба стопорная | |
| 14 | РСМ-10.01.39.602 | Ось | |
| 15 | РСМ-10.01.39.406 | Крышка подшипника | |
| 16 | Гайка М8-6H.6.019 ГОСТ 5915-70 | Гайка М8-6H.6.019 ГОСТ 5915-70 | |
| 17 | Н.027.01.030 | Опора | |
| 18 | Шайба 8Т 65Г 019 ГОСТ 6402-70 | Шайба 8Т 65Г 019 ГОСТ 6402-70 | |
| 19 | Гайка М14-6Н.6.019 ГОСТ 5915-70 | Гайка М14-6Н.6.019 ГОСТ 5915-70 | |
| 20 | Шайба С.14х3.01.019 ГОСТ 11371-78 | Шайба С.14х3.01.019 ГОСТ 11371-78 | |
| 21 | 80440 | Втулка или 54-00781 | |
| 22 | 54-2-48-1 | Звездочка z=17 t=19,05 | |
| 23 | Шайба С20х1.01.019 ГОСТ 10450-78 | Шайба С20х1.01.019 ГОСТ 10450-78 | |
| 24 | Шайба С20х2.01.019 ГОСТ 10450-78 | Шайба С20х2.01.019 ГОСТ 10450-78 | |
| 25 | 44-60219Б | Ось | |
| 26 | 54-0-52 | Звездочка натяжная | |
| 27 | Гайка М10-6H.6.019 ГОСТ 5915-70 | Гайка М10-6H.6.019 ГОСТ 5915-70 | |
| 28 | Шайба 10Т 65Г 019 ГОСТ 6402-70 | Шайба 10Т 65Г 019 ГОСТ 6402-70 | |
| 29 | Н.027.01.040 | Опора (для комбайнов с копнителем) | |
| 30 | 10.01.39.120 | Обечайка | |
| 31 | 10.01.39.202Б | Дека | |
| 32 | Шайба С 10х3.01.019 ГОСТ 6958-78 | Шайба С 10х3.01.019 ГОСТ 6958-78 | |
| 33 | Болт М10-6gх20.88.35.019 ГОСТ 7798-70 | Болт М10-6gх20.88.35.019 ГОСТ 7798-70 | |
| 34 | РСМ-10.01.39.100А | Дека | |
| 35 | Шайба С.8х1,4.01.019 ГОСТ 11371-78 | Шайба С.8х1,4.01.019 ГОСТ 11371-78 | |
| 36 | РСМ-10.01.50.606 | Вилка | |
| 37 | РСМ-10.01.50.442А | Рукоятка | |
| 38 | РСМ-10.01.39.111 | Шкив | |
| 39 | Кольцо C30 ГОСТ 13942-86 | Кольцо C30 ГОСТ 13942-86 | |
| 40 | Шайба С.30х2.01.019 ГОСТ 11371-78 | Шайба С.30х2.01.019 ГОСТ 11371-78 | |
| 41 | Шплинт 2x16.019 ГОСТ397-79 | Шплинт 2x16.019 ГОСТ397-79 | |
| 42 | Ось 6-8 b12x50.35.Ц9.хр ГОСТ 9650-80 | Ось 6-8 b12x50.35.Ц9.хр ГОСТ 9650-80 | |
| 43 | 145.30.07.010 | Корпус | |
| 44 | Н.166.203 | Крышка подшипника | |
| 45 | Н.027.01.050 | Опора подшипника | |
| 46 | Шайба C 16х3,9.01.019 ГОСТ 6958-78 | Шайба C 16х3,9.01.019 ГОСТ 6958-78 | |
| 47 | Гайка М16х1,5-6H.6.019 ГОСТ 5915-70 | Гайка М16х1,5-6H.6.019 ГОСТ 5915-70 |
Содержащиеся в справочниках-каталогах запасные части и детали не предлагаются к продаже, а носят исключительно информационный характер