Вернуться на главную
Поиск
Каталоги запчастей к технике
Сельхозтехника
РСМ
РСМ-142 "Acros"
Мост ведущий
Каталог запасных частей к технике: РСМ-142 "Acros". Мост ведущий
zoom-in
zoom-out
enlarge
shrink
circle-right
circle-left
file-text2
info
cart
Тип техники
Не выбрано
Легковые автомобили
Грузовые автомобили и прицепы
Автобусы
Сельхозтехника
Спецтехника
Двигатели
Мототехника
Марка
Не выбрано
AGCO
Amity
CASE IH
DongFeng
Fortschritt
Foton
Franz Kleine
Gaspardo
Great Plains
KRONE
KUHN
Lemken
Lovol
MacDon
Massey Ferguson
New Holland
TIGARBO
Vaderstad
Versatile
Wirax
Агро
Агротехмаш
Бобруйскагромаш (ОАО «УКХ «Бобруйскагромаш»)
БЭМЗ
ВгТЗ
Воронежсельмаш
ВТЗ
Гомсельмаш
ДКЗ
ЗАО "Техника-сервис"
ЗиД
КЗК
Кировец-Ландтехник
Клевер
Красная Звезда
Лидагропроммаш
Лидсельмаш
ЛТЗ
Машстройхолдинг
Минитракторы
Мордовагромаш
МТЗ
Навигатор-Новое машиностроение
Нефтекамский автозавод
ПТЗ
Ремком
РСМ
Сибсельмаш
ТеКЗ
ТКЗ
ХЗТСШ
ХТЗ
ЮМЗ
Модель
Не выбрано
CK-5М-1 «Нива»
CK-5М-1 «Нива» (2002)
Vector-450 (Часть 1) (2018)
Vector-450 (Часть 2) (2018)
Дон (общий каталог)
Дон 1200
Дон 1200Б
Дон 1500А
Дон 1500Б
Жатка 3518050-12010 (2020)
Жатка S300.27 (2020)
Жатка ЖЗТ-9 (2020)
Жатка ЖКС (2020)
Жатка ЖСУ-700 (2020)
Жатка ЖСУ-703 (2020)
Жатка РСМ-081.27 (2010)
Жатка РСМ-081.27 (2020)
Жатка РСМ-081.27 (вариант) (2010)
Жатка РСМ-100.70, 1401.70 (2007)
Жатка РСМ-161.27 (2020)
Платформа-подборщик РСМ-081.08 (2020)
Платформа-подборщик РСМ-091.08 (2020)
ППК-81 Argus (2020)
РСМ 2375 (2020)
РСМ-100 (Дон-680) (2002)
РСМ-100 (Дон-680М) (2010)
РСМ-101 "Вектор" (2010)
РСМ-101 "Вектор" (вариант) (2010)
РСМ-10Б "Дон-1500Б" (2006)
РСМ-1401 (2009)
РСМ-142 "Acros" (2010)
РСМ-142 "Acros" вариант (2010)
РСМ-142 (Acros-550) (2020)
РСМ-152 "Acros-590/595 Plus" Часть 1 (2020)
РСМ-152 "Acros-590/595 Plus" Часть 2 (2020)
РСМ-161 (Часть 1) (2015)
РСМ-161 (Часть 2) (2015)
РСМ-181 "Torum-740" (2010)
РСМ-181 "Torum-740" (вариант) (2010)
Стол рапсовый RSM001.00.000К (2020)
Тележка для перевозки жатки РСМ-142.29 (2020)
Тележка РСМ-142.29 (2009)
Тележка транспортная ТТ-4000 (2020)
Энергосредство ЭС-1 (2009)
Схема
>
Не выбрано
Общий вид комбайна зерноуборочного самоходного с жаткой и измельчителем-разбрасывателем
Общий вид комбайна зерноуборочного самоходного с платформой-подборщиком и измельчителем-разбрасывателем
Схема деления комбайна на составные части
Схема деления комбайна на составные части
142.03.00.000 Камера наклонная
142.03.00.000 Камера наклонная
Вал верхний
Вал транспортёра
Транспортер цепной
Натяжник
Битер
Шасси
Рама
Доска стрясная
Стан решетный
Решето верхнее
Удлинитель
Решето
Щиток и стан решета
Доска транспортирующая
Привод очистки
Рычаг
Рычаг
Подвеска
Подвеска
Вентилятор
Крылач вентилятора
Кронштейны и шкив вариатора ведомый
Контрпривод вентилятора
Блок шнеков
Фланцы
Кожух и уплотнитель
Рукоятка
Мост управляемых колес
Мост управляемых колёс
Мост управляемых колёс
Колесо управляемое
Механизм управления коробкой диапазонов
Мост ведущих колес
Мост ведущий
Мост ведущий
Колесо ведущее
Секция молотильная
Секция молотильная
Рычаг
Силовой привод
Площадка входа
Площадка входа
Площадка входа
Площадка входа
Блок молотильный
Панель правая
Блок молотильный
Механизм подъема подбарабанья
Механизм подъема подбарабанья
Панель правая
Барабан молотильный
Бич правый
Вариатор барабана
Подбарабанье
Вал торсиона
Шкив вариатора ведущий
Битер отбойный
Крыша
Крыша
Крыша
Установка гидробака
Ферма
Ферма
Ложемент
Панель левая каркаса молотилки
Панель правая каркаса молотилки
Установка бака топливного
Бак топливный
Контрпривод
Контрпривод
Устройство домолачивающее
Шкив натяжной
Ролик
Ролик
Ролик
Ролик
Ролик
Шкив натяжной
Соломотряс
Коленчатые валы соломотряса
Элеватор зерновой
Элеватор зерновой
Элеватор зерновой
Элеватор зерновой
Элеватор колосовой
Элеватор колосовой
Элеватор колосовой
Рабочее место
Рабочее место
Рабочее место
Каркас кабины
Крыша
Дверь
Дверь
Опора кабины задняя
Опора кабины передняя
Рычаг подачи топлива
Рычаг переключения диапазонов
Рычаг стояночного тормоза
Блок педалей
Колонка рулевая
Колонка рулевая
Рычаг управления движением
Бункер
Строение верхнее
Основание
Редуктор
Колено
Редуктор
Контрпривод выгрузногоустройства
Рычаг
Шнек наклонный
Редуктор
Элеватор зерновой
Элеватор зерновой
Установка моторная
Крепления рамы
Крепление воздухозаборника
Блок радиаторов
Воздухозаборник
Крепление тандема насососв
Измельчитель-разбрасыватель
Измельчитель-разбрасыватель
Измельчитель-разбрасыватель
Каркас
Блок измельчителя
Разбрасыватель
Противорез
Щит
Площадка входа
Площадка входа
Площадка входа
Ограждение
Лестница
Правое капотирование
Правое капотирование
Правое капотирование
Правое капотирование
Правое капотирование
Правое капотирование
Правое капотирование
Правое капотирование
Правое капотирование
Правое капотирование
Правое капотирование
Правое капотирование
Правое капотирование
Правое капотирование
Левое капотирование
Левое капотирование
Левое капотирование
Левое капотирование
Левое капотирование
Левое капотирование
Левое капотирование
Левое капотирование
Левое капотирование
Левое капотирование
Левое капотирование
Левое капотирование
Левое капотирование
Левое капотирование
Левое капотирование
Заднее капотирование
Заднее капотирование
Заднее капотирование
Заднее капотирование
Заднее капотирование
Верхнее капотирование
Верхнее капотирование
Установка светосигнальных приборов
Установка светосигнальных приборов
Гидрооборудование
Гидрооборудование
Гидравлическая схема соединений
Схема ременных и цепных передач комбайна
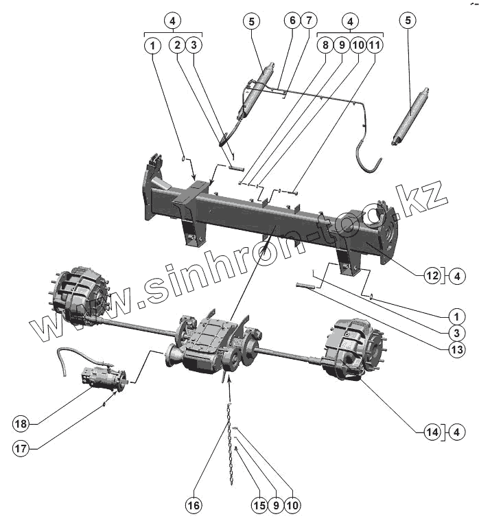
1
1
2
3
3
4
4
4
4
5
5
6
7
8
9
9
10
10
11
12
13
14
15
16
17
18
Позиция на иллюстрации
Заводской номер детали
Название детали
1
Шайба С.30х3,9.01.019 ГОСТ 11371-78
Шайба С.30х3,9.01.019 ГОСТ 11371-78
2
101.02.01.615
Ось
3
Шплинт 6,3x45.019 ГОСТ 397-79
Шплинт 6,3x45.019 ГОСТ 397-79
4
142.02.04.010
Мост ведущий
5
142.09.22.030
Гидроцилиндр
6
142.09.22.000
Гидрооборудование моста ведущих колес
7
Шайба C 8.01.019 ГОСТ 6958-78
Шайба C 8.01.019 ГОСТ 6958-78
8
Гайка М12-6H.6.019 ГОСТ 5915-70
Гайка М12-6H.6.019 ГОСТ 5915-70
9
Шайба 12Т 65Г 019 ГОСТ 6402-70
Шайба 12Т 65Г 019 ГОСТ 6402-70
10
Шайба С.12.01.019 ГОСТ 11371-78
Шайба С.12.01.019 ГОСТ 11371-78
11
Болт М12-6gx40.88.35.019 ГОСТ 7798-70
Болт М12-6gx40.88.35.019 ГОСТ 7798-70
12
142.02.04.020
Балка
13
101.02.01.615-01
Ось
14
264 265.0
Комплект сборочных компонентов моста 264 265.0
15
Болт М12-6gx25.88.35.019 ГОСТ 7798-70
Болт М12-6gx25.88.35.019 ГОСТ 7798-70
16
РСМ-10.02.01.603-01
Цепь
17
Шайба С.14х5.01.019 ГОСТ 11371-78
Шайба С.14х5.01.019 ГОСТ 11371-78
18
142.09.22.050
Гидромотор аксиально-поршневой
Содержащиеся в справочниках-каталогах запасные части и детали не предлагаются к продаже, а носят исключительно информационный характер
Дополнительная информация
×
Название:
Номер:
Примечание: