Каталог запасных частей к технике: РСМ-142 "Acros". Левое капотирование
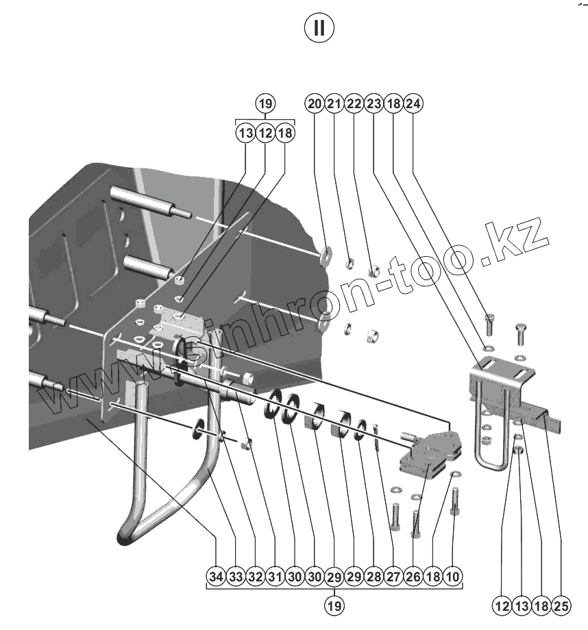
10
12
12
13
13
18
18
18
18
19
19
20
21
22
23
24
25
26
27
28
29
29
30
30
31
32
33
34
| Позиция на иллюстрации | Заводской номер детали | Название детали | |
|---|---|---|---|
| 1 | 145.01.56.590 | Щит | |
| 2 | Шплинт 2,5x25.019 ГОСТ 397-79 | Шплинт 2,5x25.019 ГОСТ 397-79 | |
| 3 | Шайба С.18.01.019 ГОСТ 11371-78 | Шайба С.18.01.019 ГОСТ 11371-78 | |
| 4 | 101.01.57.602 | Пружина | |
| 5 | 145.01.57.140 | Ручка | |
| 6 | 101.01.57.803 | Труба | |
| 7 | 145.01.56.580 | Капот передний | |
| 8 | 142.01.56.870 | Серьга | |
| 9 | 142.01.57.400-01 | Замок | |
| 10 | Болт М8-6gx35.88.35.019 ГОСТ 7798-70 | Болт М8-6gx35.88.35.019 ГОСТ 7798-70 | |
| 11 | Шайба C 8х1,4.01.019 ГОСТ 6958-78 | Шайба C 8х1,4.01.019 ГОСТ 6958-78 | |
| 12 | Шайба 8Т 65Г 019 ГОСТ 6402-70 | Шайба 8Т 65Г 019 ГОСТ 6402-70 | |
| 13 | Гайка М8-6H.6.019 ГОСТ 5915-70 | Гайка М8-6H.6.019 ГОСТ 5915-70 | |
| 14 | Гайка М6-6H.6.019 ГОСТ 5915-70 | Гайка М6-6H.6.019 ГОСТ 5915-70 | |
| 15 | Шайба 6Т 65Г 019 ГОСТ 6402-70 | Шайба 6Т 65Г 019 ГОСТ 6402-70 | |
| 16 | ФП 316-01-О Код ОКП 45 7372 0238 | Световозвращатель ФП 316-01-О Код ОКП 45 7372 0238 ТУ 37.003.079-80 | |
| 17 | Винт В.М6-6gх16.48.019 ГОСТ 17473-80 | Винт В.М6-6gх16.48.019 ГОСТ 17473-80 | |
| 18 | Шайба C 8.01.019 ГОСТ 6958-78 | Шайба C 8.01.019 ГОСТ 6958-78 | |
| 19 | 145.00.66.500 | Капот | |
| 20 | Шайба C 10.01.019 ГОСТ 6958-78 | Шайба C 10.01.019 ГОСТ 6958-78 | |
| 21 | Шайба 10Т 65Г 019 ГОСТ 6402-70 | Шайба 10Т 65Г 019 ГОСТ 6402-70 | |
| 22 | Гайка М10-6H.6.019 ГОСТ 5915-70 | Гайка М10-6H.6.019 ГОСТ 5915-70 | |
| 23 | 145.01.56.920 | Серьга | |
| 24 | Болт М8-6gx25.88.35.019 ГОСТ 7798-70 | Болт М8-6gx25.88.35.019 ГОСТ 7798-70 | |
| 25 | 145.01.56.770 | Стойка | |
| 26 | 101.01.00.410-01 | Замок | |
| 27 | Шплинт 4x36.019 ГОСТ 397-79 | Шплинт 4x36.019 ГОСТ 397-79 | |
| 28 | Шайба C 16.01.019 ГОСТ 6958-78 | Шайба C 16.01.019 ГОСТ 6958-78 | |
| 29 | Гайка M24x2-6H.04.019 ГОСТ 5916-70 | Гайка M24x2-6H.04.019 ГОСТ 5916-70 | |
| 30 | Шайба C.24x3,9.01.019 ГОСТ 11371-78 | Шайба C.24x3,9.01.019 ГОСТ 11371-78 | |
| 31 | 101.01.00.608 | Втулка | |
| 32 | 145.01.56.310 | Курок | |
| 33 | 145.01.56.320 | Основание | |
| 34 | Щит К.02.00.002 | Щит К.02.00.002 | |
| 35 | 145.01.57.603 | Упор | |
| 36 | 145.01.56.680 | Капот задний | |
| 37 | Шайба C 6х1,4.01.019 ГОСТ 6958-78 | Шайба C 6х1,4.01.019 ГОСТ 6958-78 | |
| 38 | Шплинт 3,2x20 ГОСТ 397-79 | Шплинт 3,2x20 ГОСТ 397-79 | |
| 39 | Болт М6-6gx25.48.019 ГОСТ 7798-70 | Болт М6-6gx25.48.019 ГОСТ 7798-70 | |
| 40 | 145.01.56.420 | Кронштейн | |
| 41 | Болт M10x55.46.019 ГОСТ 7802-81 | Болт M10x55.46.019 ГОСТ 7802-81 | |
| 42 | 142.50.02.000 | Элеватор колосовой |
Содержащиеся в справочниках-каталогах запасные части и детали не предлагаются к продаже, а носят исключительно информационный характер