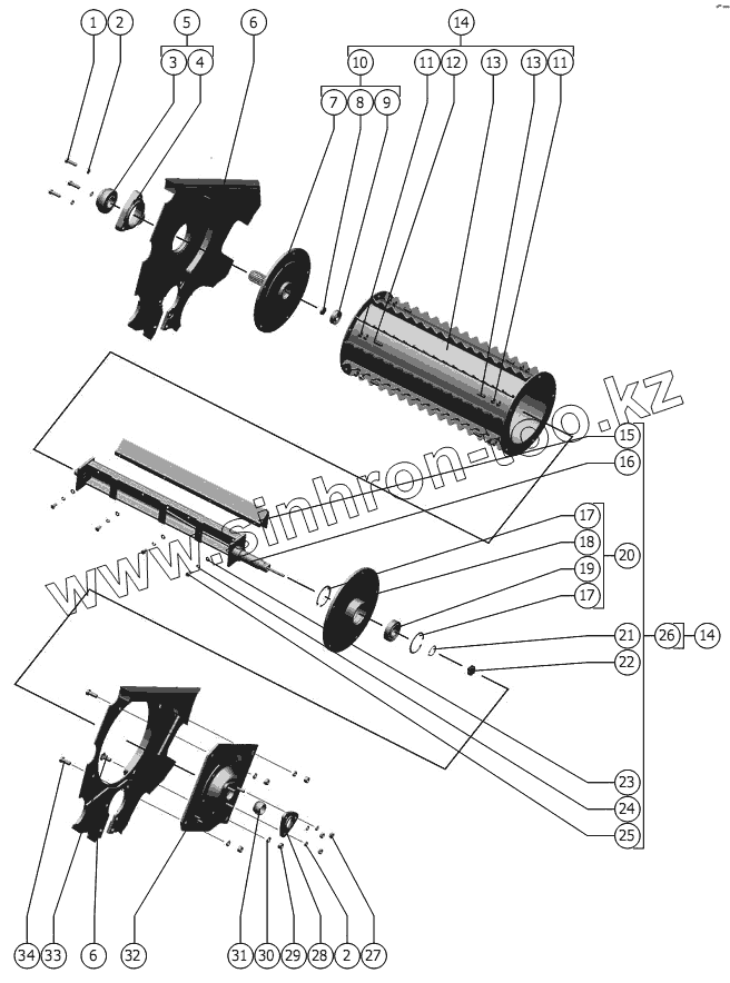
Каталог запасных частей к технике: РСМ-1401. Валец
1
2
2
3
4
5
6
6
7
8
9
10
11
11
12
13
13
14
14
15
16
17
17
18
19
20
21
22
23
24
25
26
27
28
29
30
31
32
33
34
| Позиция на иллюстрации | Заводской номер детали | Название детали | |
|---|---|---|---|
| 1 | М10-6gx35.88.35.019 ГОСТ 7798-70 | Болт | |
| 2 | 10Т 65Г 019 ГОСТ 6402-70 | Шайба | |
| 3 | 1680208 ЕК10Т2С17 ТУ ВНИПП.016-03 | Подшипник | |
| 4 | 54-20185 | Корпус подшипника | |
| 5 | РСМ-100.05.06.030 | Опора | |
| 6 | 1401.01.01.010 | Каркас | |
| 7 | 1401.01.01.210 | Цапфа | |
| 8 | РСМ-100.05.03.461 | Шайба | |
| 9 | 180204АС17 ГОСТ 8882-75 | Звездочки натяжные привода шнека и вариатора 54-2-48-1 | |
| 10 | 1401.01.01.190 | Цапфа | |
| 11 | РСМ-100.05.03.459 | Гайка | |
| 12 | РСМ-100.05.03.676А | Шпилька | |
| 13 | 1401.01.01.180 | Валец | |
| 14 | 1401.01.01.080 | Валец | |
| 15 | ДМ 585.04 ТУ У 31.6-21081867-010-2002 | Датчик металла | |
| 16 | 1401.01.01.240 | Корпус | |
| 17 | C72 ГОСТ 13943-86 | Кольцо | |
| 18 | 1401.01.01.330 | Цапфа | |
| 19 | 180207АС17 ГОСТ 8882-75 | Подшипник | |
| 20 | 1401.01.01.230 | Фланец | |
| 21 | C35 ГОСТ 13942-86 | Кольцо | |
| 22 | 602604 ОСТ 37.003.032-88 | Колодка гнездовая | |
| 23 | С.8х1,4.01.019 ГОСТ 11371-78 | Шайба | |
| 24 | 8Т 65Г 019 ГОСТ 6402-70 | Шайба | |
| 25 | М8-6gx16.88.35.019 ГОСТ 7798-70 | Болт | |
| 26 | 1401.01.01.220 | Датчик | |
| 27 | М10-6H.6.019 ГОСТ 5915-70 | Гайка | |
| 28 | 1401.01.01.302 | Корпус | |
| 29 | М12-6H.6.019 ГОСТ 5915-70 | Гайка | |
| 30 | 12Т 65Г 019 ГОСТ 6402-70 | Шайба | |
| 31 | 1401.01.01.836 | Кольцо сферическое | |
| 32 | 1401.01.01.100 | Опора | |
| 33 | М12-6gx30.88.35.019 ГОСТ 7798-70 | Болт | |
| 34 | М12х30.46.019 ГОСТ 7802-81 | Болт |
Содержащиеся в справочниках-каталогах запасные части и детали не предлагаются к продаже, а носят исключительно информационный характер