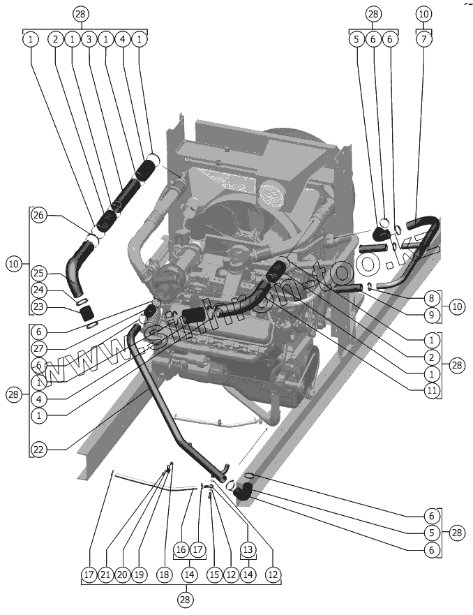
Каталог запасных частей к технике: РСМ-1401. Установка трубопровода на блок радиатора
1
1
1
1
1
1
1
1
2
2
3
4
4
5
5
6
6
6
6
6
6
7
8
9
10
10
10
11
12
12
13
14
14
15
16
17
17
18
19
20
21
22
23
24
25
26
27
28
28
28
28
28
28
| Позиция на иллюстрации | Заводской номер детали | Название детали | |
|---|---|---|---|
| 1 | TORRO S90-110/12-C7W1 | Хомут | |
| 2 | 270_003_169 | Патрубок | |
| 3 | 1401.05.00.827 | Труба | |
| 4 | 270_003_112 | Патрубок | |
| 5 | 270_003_065 | Патрубок | |
| 6 | TORRO S60-80/12-C7W1 | Хомут | |
| 7 | 1401.05.00.710 | Трубопровод | |
| 8 | TORRO S40-60/12-C7W1 | Хомут | |
| 9 | 1401.05.00.036 | Патрубок | |
| 10 | 1401.05.00.010 | Установка моторная | |
| 11 | 1401.05.00.831 | Труба | |
| 12 | 1401.53.00.004 | Прокладка | |
| 13 | 1401.05.00.520 | Штуцер | |
| 14 | 1401.05.00.020 | Шланг сливной | |
| 15 | РСМ-10Б.05.06.601 | Болт | |
| 16 | 1401.05.00.023 | Шланг | |
| 17 | TORRO S20-32/9-C7W1 | Хомут | |
| 18 | М12-6gx25.88.35.019 ГОСТ 7798-70 | Болт | |
| 19 | РСМ-10Б.04.33.501 | Скоба (для АМЗ) | |
| 20 | 12Т 65Г 019 ГОСТ 6402-70 | Шайба | |
| 21 | М12-6H.6.019 ГОСТ 5915-70 | Гайка | |
| 22 | 1401.05.00.720 | Трубопровод | |
| 23 | 270_003_131 | Патрубок | |
| 24 | TORRO S70-90/12-C7W1 | Хомут | |
| 25 | 1401.05.00.930 | Труба | |
| 26 | 1401.05.00.571 | Хомут | |
| 27 | 142.05.00.013 | Патрубок | |
| 28 | 1401.05.00.200 | Установка блока радиаторов |
Содержащиеся в справочниках-каталогах запасные части и детали не предлагаются к продаже, а носят исключительно информационный характер