Вернуться на главную
Поиск
Каталоги запчастей к технике
Сельхозтехника
РСМ
РСМ-1401
Установка моторная
Каталог запасных частей к технике: РСМ-1401. Установка моторная
zoom-in
zoom-out
enlarge
shrink
circle-right
circle-left
file-text2
info
cart
Тип техники
Не выбрано
Легковые автомобили
Грузовые автомобили и прицепы
Автобусы
Сельхозтехника
Спецтехника
Двигатели
Мототехника
Марка
Не выбрано
AGCO
Amity
CASE IH
DongFeng
Fortschritt
Foton
Franz Kleine
Gaspardo
Great Plains
KRONE
KUHN
Lemken
Lovol
MacDon
Massey Ferguson
New Holland
TIGARBO
Vaderstad
Versatile
Wirax
Агро
Агротехмаш
Бобруйскагромаш (ОАО «УКХ «Бобруйскагромаш»)
БЭМЗ
ВгТЗ
Воронежсельмаш
ВТЗ
Гомсельмаш
ДКЗ
ЗАО "Техника-сервис"
ЗиД
КЗК
Кировец-Ландтехник
Клевер
Красная Звезда
Лидагропроммаш
Лидсельмаш
ЛТЗ
Машстройхолдинг
Минитракторы
Мордовагромаш
МТЗ
Навигатор-Новое машиностроение
Нефтекамский автозавод
ПТЗ
Ремком
РСМ
Сибсельмаш
ТеКЗ
ТКЗ
ХЗТСШ
ХТЗ
ЮМЗ
Модель
Не выбрано
CK-5М-1 «Нива»
CK-5М-1 «Нива» (2002)
Vector-450 (Часть 1) (2018)
Vector-450 (Часть 2) (2018)
Дон (общий каталог)
Дон 1200
Дон 1200Б
Дон 1500А
Дон 1500Б
Жатка 3518050-12010 (2020)
Жатка S300.27 (2020)
Жатка ЖЗТ-9 (2020)
Жатка ЖКС (2020)
Жатка ЖСУ-700 (2020)
Жатка ЖСУ-703 (2020)
Жатка РСМ-081.27 (2010)
Жатка РСМ-081.27 (2020)
Жатка РСМ-081.27 (вариант) (2010)
Жатка РСМ-100.70, 1401.70 (2007)
Жатка РСМ-161.27 (2020)
Платформа-подборщик РСМ-081.08 (2020)
Платформа-подборщик РСМ-091.08 (2020)
ППК-81 Argus (2020)
РСМ 2375 (2020)
РСМ-100 (Дон-680) (2002)
РСМ-100 (Дон-680М) (2010)
РСМ-101 "Вектор" (2010)
РСМ-101 "Вектор" (вариант) (2010)
РСМ-10Б "Дон-1500Б" (2006)
РСМ-1401 (2009)
РСМ-142 "Acros" (2010)
РСМ-142 "Acros" вариант (2010)
РСМ-142 (Acros-550) (2020)
РСМ-152 "Acros-590/595 Plus" Часть 1 (2020)
РСМ-152 "Acros-590/595 Plus" Часть 2 (2020)
РСМ-161 (Часть 1) (2015)
РСМ-161 (Часть 2) (2015)
РСМ-181 "Torum-740" (2010)
РСМ-181 "Torum-740" (вариант) (2010)
Стол рапсовый RSM001.00.000К (2020)
Тележка для перевозки жатки РСМ-142.29 (2020)
Тележка РСМ-142.29 (2009)
Тележка транспортная ТТ-4000 (2020)
Энергосредство ЭС-1 (2009)
Схема
>
Не выбрано
Шасси
Мост ведущих колес
Мост ведущих колес
Колесо ведущее
Колесо ведущее
Мост управляемых колес
Мост управляемых колес
Колесо управляемое
Механизм управления коробкой диапазонов
Шток
Механизм управления коробкой диапазонов
Шток
Установка топливных баков
Установка опор двигателя
Диффузор
Площадка входа
Площадка входа
Площадка входа
Кронштейн
Аппарат питающий
Редуктор верхних вальцев
Редуктор
Вал
Валец
Рычаги
Валец
Аппарат измельчающий
Барабан
Брус противорежущий
Натяжник
Механизм включения
Устройство заточное
Привод каретки
Каретка
Устанока аккумуляторных батарей
Установка ящика инструментального
Ящик инструментальный
Конфузор, ускоритель и натяжитель
Ускоритель
Ротор
Натяжитель
Рычаг
Натяжитель
Установка устройства поворотного
Устройство поворотное
Силосопровод
Установка моторная
Установка моторная
Насос аксиально-поршневой
Тандем насосов
Установка блока радиаторов
Блок радиаторов
Воздухозаборник
Диффузор
Привод воздухозаборника
Установка трубопровода на блок радиатора
Установка фильтра воздушного
Установка фильтра воздушного
Установка фильтра воздушного
Установка бачка расширительного
Установка гидробака
Фильтр
Глушитель
Место рабочее унифицированное
Рычаг стояночного тормоза
Колонка рулевая
Колонка рулевая
Дверь
Дверь
Крыша
Блок педалей
Рычаг переключения диапазонов
Рычаг подачи топлива
Рычаг управления движением
Коммуникации управления тормозами
Коммуникации управления тормозами
Капотирование
Дверь
Дверь
Щиты
Щиты
Подкрыльник
Капот
Подкрыльник
Капот
Капот
Капот
Верхнее капотирование
Щиты
Бампер
Эжектор
Основная гидросистема
Гидросистема объемного рулевого управления
Гидросистема объемного привода ходовой части
Гидросистема низкого давления управления рабочими органами
Светосигнальное оборудование агрегата измельчающего
Установка кронштейнов зеркал
Агрегат измельчающий
Привод вентилятора
Общий вид комбайна кормоуборочного самоходного РСМ-1401
Схема деления на составные части
Схема деления на составные части
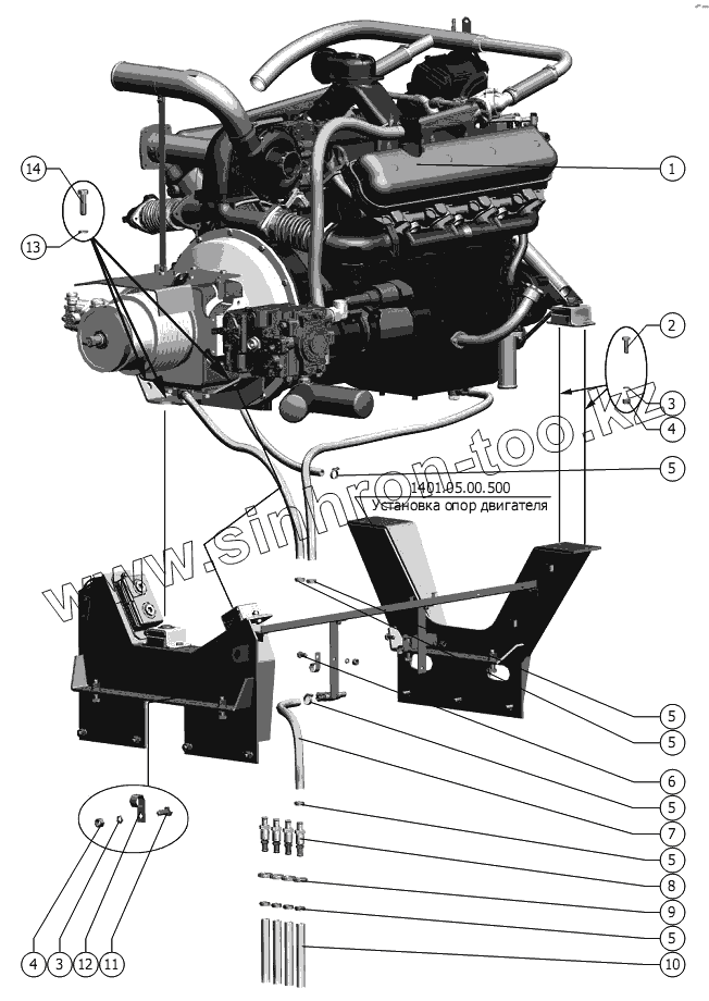
1401.05.00.500
1
2
3
3
4
4
5
5
5
5
5
5
6
7
8
9
10
11
12
13
14
Позиция на иллюстрации
Заводской номер детали
Название детали
1401.05.00.500
1401.05.00.500
Установка опор двигателя
1
1401.05.00.010
Установка моторная
2
М12-6gx35.88.35.019 ГОСТ 7798-70
Болт
3
12Т 65Г 019 ГОСТ 6402-70
Шайба
4
М12-6H.6.019 ГОСТ 5915-70
Гайка
5
TORRO S20-32/9-C7W1
Хомут
6
М12-6gx25.88.35.019 ГОСТ 7798-70
Болт
7
1401.05.00.022
Шланг
8
101.09.01.810
Клапан
9
М27х1,5-6H.05.019 ГОСТ 11871-88
Гайка
10
101.05.00.048
Шланг
11
М12-6gx30.88.35.019 ГОСТ 7798-70
Болт
12
1401.05.00.504
Хомут
13
16Т 65Г 019 ГОСТ 6402-70
Шайба
14
М16-6gx55.88.35.019 ГОСТ 7798-70
Болт
Содержащиеся в справочниках-каталогах запасные части и детали не предлагаются к продаже, а носят исключительно информационный характер
Дополнительная информация
×
Название:
Номер:
Примечание: