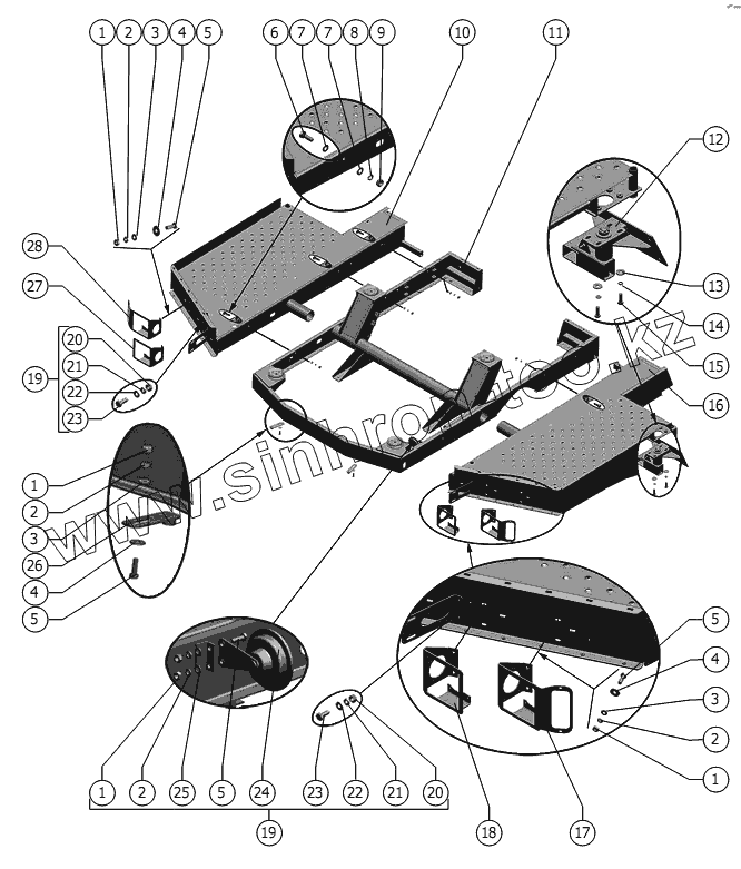
Каталог запасных частей к технике: РСМ-1401. Площадка входа
1
1
1
1
2
2
2
2
3
3
3
4
4
4
5
5
5
5
6
7
7
8
9
10
11
12
12
13
14
15
16
17
18
19
19
20
20
21
21
22
22
23
23
24
25
26
27
28
| Позиция на иллюстрации | Заводской номер детали | Название детали | |
|---|---|---|---|
| 1 | М8-6H.6.019 ГОСТ 5915-70 | Гайка М8-6H.6.019 ГОСТ 5915-70 | |
| 2 | 8Т 65Г 019 ГОСТ 6402-70 | Шайба | |
| 3 | С.8.01.019 ГОСТ 11371-78 | Шайба | |
| 4 | C 8.01.019 ГОСТ 6958-78 | Шайба | |
| 5 | М8-6gx25.88.35.019 ГОСТ 7798-70 | Болт | |
| 6 | М10-6gx30.88.35.019 ГОСТ 7798-70 | Болт | |
| 7 | С.10.01.019 ГОСТ 11371-78 | Шайба | |
| 8 | 10Т 65Г 019 ГОСТ 6402-70 | Шайба | |
| 9 | М10-6H.6.019 ГОСТ 5915-70 | Гайка | |
| 10 | 1401.01.07.410 | Площадка | |
| 11 | 1401.01.07.010 | Рама | |
| 12 | 1401.01.07.420 | Кронштейн слева | |
| 12 | 1401.01.07.420-01 | Кронштейн справа | |
| 13 | C 12.01.019 ГОСТ 6958-78 | Шайба | |
| 14 | 12Т 65Г 019 ГОСТ 6402-70 | Шайба | |
| 15 | М12-6gx40.88.35.019 ГОСТ 7798-70 | Болт | |
| 16 | 1401.01.07.400 | Площадка | |
| 17 | 1401.07.00.170 | Рамка | |
| 18 | 1401.07.00.180 | Рамка | |
| 19 | 1401.10.07.000 | Комуникации электрические площадки | |
| 20 | М6-6H.6.019 ГОСТ 5915-70 | Гайка | |
| 21 | 6Т 65Г 019 ГОСТ 6402-70 | Шайба | |
| 22 | С.6х1,4.01.019 ГОСТ 11371-78 | Шайба | |
| 23 | М6-6gx16.48.019 ГОСТ 7798-70 | Болт | |
| 24 | С313 ТУ37.003.688-75 код ОКП 45 7374 2173 01 | Сигнал звуковой безрупорный | |
| 25 | С.8х1,4.01.019 ГОСТ 11371-78 | Шайба | |
| 26 | 1401.07.00.360 | Планка | |
| 27 | 1401.07.00.180-01 | Рамка | |
| 28 | 1401.07.00.170-01 | Рамка |
Содержащиеся в справочниках-каталогах запасные части и детали не предлагаются к продаже, а носят исключительно информационный характер