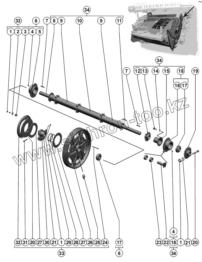
Каталог запасных частей к технике: РСМ-10Б "Дон-1500Б". Вал верхний наклонной камеры
1
1
1
2
3
4
4
5
6
6
7
7
8
9
9
10
11
12
13
14
15
16
17
17
18
18
19
20
20
21
21
22
23
24
25
26
27
27
28
29
30
31
32
33
33
34
34
34
| Позиция на иллюстрации | Заводской номер детали | Название детали | |
|---|---|---|---|
| 1 | М12-6Н.6.019 ГОСТ 5915-70 | Гайка | |
| 2 | 3518060-14932 | Шайба | |
| 3 | ЖКС 01.622 | Пружина | |
| 4 | 2.2.90.Ц6 ГОСТ19853-74 | Маслёнка | |
| 5 | РСМ-10.27.02.203-01 | Фланец | |
| 6 | РСМ-10.27.02.080-01 | Опора | |
| 7 | 14х9х70 ГОСТ 23360-78 | Шпонка | |
| 8 | 1835060-16442В | Вал | |
| 9 | 3518060-18430Б-04 | Кожух в сборе | |
| 10 | 3518060-18430Б-05 | Кожух в сборе | |
| 11 | 61141 | Шпонка или 61141-01 -02-03 -04 -05 -06 | |
| 12 | РСМ-10.27.02.030А | Звёздочка | |
| 13 | М8-6gх16.88.35.019 ГОСТ 7798-70 | Болт | |
| 14 | 8Т 65Г 019 ГОСТ 6402-70 | Шайба | |
| 15 | 3518060-18460А-01 | Кожух | |
| 16 | РСМ-10.27.02.203 | Фланец | |
| 17 | 680210 А2НК7С17 ТУ 37.006.084-90 | Подшипник | |
| 18 | РСМ-10.27.02.080 | Опора | |
| 19 | 3518060-18440А | Звездочка z=20 t-25,4 | |
| 20 | М12-6gх75.88.35.019 ГОСТ 7798-70 | Болт | |
| 21 | 8Т 65Г 019 ГОСТ 6402-70 | Шайба | |
| 22 | В.М10х1,25-6gх35.48.019 ГОСТ 17473-80 | Винт | |
| 23 | М12-6Н.6.019 ГОСТ 5915-70 | Гайка | |
| 24 | М12-6gх100-65.88.35.019 ГОСТ 7798-70 | Болт | |
| 25 | 1.2.Ц6.хр ГОСТ 19853-74 | Маслёнка 1.2.Ц6.хр ГОСТ 19853-74 | |
| 26 | РСМ-10.27.02.101 | Шкив | |
| 27 | 54-01069 | Накладка фрикционная | |
| 28 | 3518060-14928 | Обойма | |
| 29 | СП-115-94-8,5 ГОСТ 6308-71 | Кольцо | |
| 30 | 3518060-18680А | Ступица трения | |
| 31 | 3518060-14929 | Диск нажимной | |
| 32 | 3518060-14992А | Щиток | |
| 33 | РСМ-10.27.02.010 | Шкив | |
| 34 | 3518060-18420Г | Вал верхний |
Содержащиеся в справочниках-каталогах запасные части и детали не предлагаются к продаже, а носят исключительно информационный характер