Каталог запасных частей к технике: РСМ-10Б "Дон-1500Б". Установка моторно-силовая
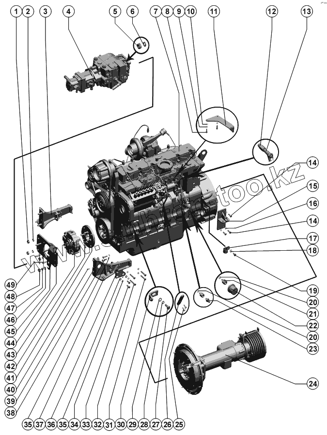
1
2
3
4
5
6
7
8
9
10
11
12
13
14
14
15
16
17
18
19
20
20
21
22
23
24
25
26
27
28
29
30
31
32
33
34
35
35
36
37
38
39
40
41
42
43
44
45
46
47
48
49
| Позиция на иллюстрации | Заводской номер детали | Название детали | |
|---|---|---|---|
| 1 | М16-6Н.6.019 ГОСТ 5915-70 | Гайка | |
| 2 | 16Т 65Г 019 ГОСТ 6402-70 | Шайба | |
| 3 | РСМ-10Б.05.83.201 | Кронштейн | |
| 4 | РСМ-10Б.09.26.010 | Тандем насосов | |
| 5 | М14-6Н.6.019 ГОСТ 5915-70 | Гайка | |
| 6 | С.14х5.01.019 ГОСТ 11371-78 | Шайба | |
| 7 | 6СТАА8.3 | Двигатель | |
| 8 | М8-6gх25.88.35.019 ГОСТ 7798-70 | Болт | |
| 9 | 8Т 65Г 019 ГОСТ 6402-70 | Шайба | |
| 10 | С.8.01.019 ГОСТ 11371-78 | Шайба | |
| 11 | РСМ-10Б.05.83.410 | Кронштейн | |
| 12 | РСМ-10Б.05.83.642 | Переходник | |
| 13 | ВС11 ОСТ 37.001.241-81 | Кран | |
| 14 | М12-6gх35.88.35.019 ГОСТ 7798-70 | Болт | |
| 15 | РСМ-10Б.05.83.150 | Кронштейн | |
| 16 | 14Т 65Г 019 ГОСТ 6402-70 | Шайба | |
| 17 | 54-51452-13 | Скоба | |
| 18 | 10Т 65Г 019 ГОСТ 6402-70 | Шайба | |
| 19 | М8-6gх16.88.35.019 ГОСТ 7798-70 | Болт | |
| 20 | 10х16х1,5 1/02844/60 | Прокладка | |
| 21 | РСМ-10Б.05.83.622 | Переходник | |
| 22 | ММ355-3829010 ТУ 37.003.387-78 | Датчик | |
| 23 | ММ106Б ТУ 37.003.518-74 | Датчик | |
| 24 | РСМ-10Б.05.83.440 | Механизм отбора мощности | |
| 25 | М6-6gх16.48.019 ГОСТ 7798-70 | Болт | |
| 26 | РСМ-10Б.05.83.444 | Рычаг | |
| 27 | М10-6gх25.88.35.019 ГОСТ 7798-70 | Болт | |
| 28 | 10Т 65Г 019 ГОСТ 6402-70 | Шайба | |
| 29 | С.10.01.019 ГОСТ 11371-78 | Шайба | |
| 30 | РСМ-10Б.05.83.428 | Кронштейн | |
| 31 | М12-6gх65.109.40Х.019 ГОСТ 7798-70 | Болт | |
| 32 | М12-6gх75.88.35.019 ГОСТ 7798-70 | Болт | |
| 33 | М12-6gх30.88.35.019 ГОСТ 7798-70 | Болт | |
| 34 | 12Т 65Г 019 ГОСТ 6402-70 | Шайба | |
| 35 | С.12.01.019 ГОСТ 11371-78 | Шайба | |
| 36 | РСМ-10Б.05.83.270 | Кронштейн | |
| 37 | РСМ-10Б.05.83.202 | Кронштейн | |
| 38 | М12-6gх40.109.40Х.019 ГОСТ 7798-70 | Болт | |
| 39 | М16-6gх55.88.35.019 ГОСТ 7798-70 | Болт | |
| 40 | 10х26 ГОСТ 31228-70 | Штифт | |
| 41 | РСМ-10Б.05.83.647 | Компенсатор | |
| 42 | М12-6gх25.109.40Х.019 ГОСТ 7798-70 | Болт | |
| 43 | CENTAFLEX Series A CF-A-80-1-60-68743 | Муфта эластичная | |
| 44 | РСМ-10Б.05.83.633 | Пластина | |
| 45 | РСМ-10Б.05.83.414 | Кронштейн | |
| 46 | С.16х1,4.01.019 ГОСТ 11371-78 | Шайба | |
| 47 | 16Т 65Г 019 ГОСТ 6402-70 | Шайба | |
| 48 | М16-6Н.6.019 ГОСТ 5915-70 | Гайка | |
| 49 | РСМ-10Б.05.83.648 | Шпилька | |
| 50 | РСМ-10Б.05.83.617 | Тяга | |
| 51 | М10-6gх20.88.35.019 ГОСТ 7798-70 | Болт | |
| 52 | РСМ-10Б.05.83.616 | Тяга | |
| 53 | РСМ-10Б.05.83.618 | Тяга | |
| 54 | РСМ-10Б.05.83.615 | Тяга | |
| 55 | М10-6Н.6 ГОСТ 5915-70 | Гайка | |
| 56 | РСМ-10Б.05.83.520 | Привод вентилятора | |
| 57 | 21-1308012 | Крылач вентилятора | |
| 58 | М10-6gх25.88.35.019 ГОСТ 7798-70 | Болт | |
| 59 | РСМ-10Б.05.83.632 | Болт | |
| 60 | М8-6gх30.88.35.019 ГОСТ 7798-70 | Болт | |
| 61 | РСМ-10Б.05.83.111 | Шкив | |
| 62 | РСМ-10Б.05.83.220 | Шкив натяжной | |
| 63 | 12 65Г 019 ГОСТ 6402-70 | Шайба | |
| 64 | М12-6gх35.88.35.019 ГОСТ 7798-70 | Болт | |
| 65 | РСМ-10Б.05.83.420 | Опора | |
| 66 | М10-6gх140.88.35.019 ГОСТ 7798-70 | Болт | |
| 67 | Г1000ВК.75.1 | Генератор | |
| 68 | РСМ-10Б.05.83.432 | Кронштейн | |
| 69 | М8-6gх20.88.35.019 ГОСТ7798-70 | Болт | |
| 70 | 111.3722 | Блок предохранителей | |
| 71 | РСМ-10Б.05.83.623 | Штуцер | |
| 72 | ТМ100-В ТУ 37.003.800-77 | Датчик | |
| 73 | ТМ111-01 ТУ 37.003.569-90 | Датчик |
Содержащиеся в справочниках-каталогах запасные части и детали не предлагаются к продаже, а носят исключительно информационный характер