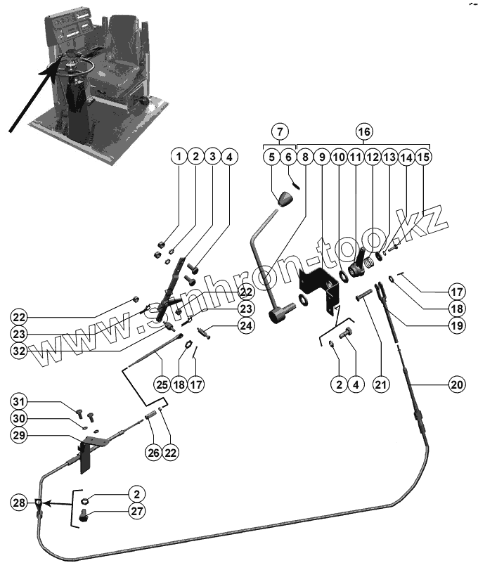
Каталог запасных частей к технике: РСМ-10Б "Дон-1500Б". Управление подачей топлива
1
2
2
2
3
4
4
5
6
7
8
9
10
11
12
13
14
15
16
17
17
18
18
19
20
21
22
22
22
23
23
24
25
26
27
28
29
30
31
32
| Позиция на иллюстрации | Заводской номер детали | Название детали | |
|---|---|---|---|
| 1 | М8-6Н.6.019 ГОСТ 5915-70 | Гайка | |
| 2 | 8Т 65Г 019 ГОСТ 6402-70 | Шайба | |
| 3 | РСМ-10Б.04.35.080 | Рычаг | |
| 4 | М8-6gх20.88.35.019 ГОСТ 7798-70 | Болт | |
| 5 | РСМ-10.04.18.002 | Рукоятка | |
| 6 | РСМ-10.04.18.003 | Глазок | |
| 7 | РСМ-10.04.18.070 | Рукоятка | |
| 8 | РСМ-10.04.11.080А | Рычаг | |
| 9 | РСМ-10.04.11.060 | Кронштейн | |
| 10 | РСМ-10.04.13.006А | Шайба или РСМ-10.04.13.015 | |
| 11 | РСМ-10.04.11.301-01 | Рычаг | |
| 12 | РСМ-10.04.13.613А | Пружина | |
| 13 | РСМ-10.04.13.422 | Шайба | |
| 14 | С.8х1,4.01.019 ГОСТ 11371-78 | Шайба | |
| 15 | М8-6gх25.88.35.019 ГОСТ 7798-70 | Болт | |
| 16 | РСМ-10Б.04.11.100-01 | Рычаг | |
| 17 | 2х16.019 ГОСТ 397-79 | Шплинт | |
| 18 | С.6х1,4.01.019 ГОСТ 11371-78 | Шайба | |
| 19 | РСМ-10Б.04.35.060 | Удлинитель | |
| 20 | 23.588.1.1.2.00-22 | Трос L=2500 мм (с двигателем СМД-23, СМД-31А) или 1.1.2.100.2500 | |
| 21 | 6-6 b12х28М.35.Ц9хр ГОСТ 9650-80 | Ось | |
| 22 | М6-6Н.6.019 ГОСТ 5915-70 | Гайка | |
| 23 | 6.03.019 ГОСТ 13463-77 | Шайба | |
| 24 | РСМ-10Б.04.35.090А | Ось | |
| 25 | РСМ-10Б.04.35.605Б | Удлинитель | |
| 26 | РСМ-10Б.04.35.607 | Втулка | |
| 27 | М8-6gх16.88.35.019 ГОСТ 7798-70 | Болт | |
| 28 | 54-50530 | Скоба | |
| 29 | РСМ-10Б.04.35.050А | Кронштейн | |
| 30 | 10Т 65Г 019 ГОСТ 6402-70 | Шайба | |
| 31 | М10-6gх20.88.35.019 ГОСТ 7798-70 | Болт | |
| 32 | РСМ-10Б.04.35.606А | Ось |
Содержащиеся в справочниках-каталогах запасные части и детали не предлагаются к продаже, а носят исключительно информационный характер