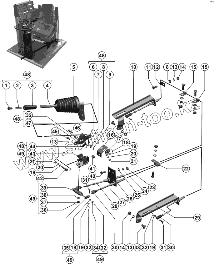
Каталог запасных частей к технике: РСМ-10Б "Дон-1500Б". Рычаг стояночного тормоза
1
2
3
4
5
6
7
8
8
9
10
11
12
13
13
13
14
14
15
15
16
17
18
19
19
19
19
19
20
20
21
21
22
23
24
25
26
27
28
29
30
30
31
31
32
32
32
32
33
34
35
36
37
38
39
40
41
42
43
44
45
46
47
48
48
48
48
49
49
49
49
| Позиция на иллюстрации | Заводской номер детали | Название детали | |
|---|---|---|---|
| 1 | РСМ-10.04.15.002А | Кнопка | |
| 2 | 54-60583 | Пружина | |
| 3 | РСМ-10.04.17.003А | Рукоятка | |
| 4 | РСМ-10Б.04.15.020 | Рычаг тормоза | |
| 5 | РСМ-10.04.01.008А | Чехол | |
| 6 | РСМ-10.04.15.401А | Сектор | |
| 7 | РСМ-10Б.04.15.602 | Тяга | |
| 8 | С.10.01.019 ГОСТ 11371-78 | Шайба | |
| 9 | 2,5х16.019 ГОСТ 397-79 | Шплинт | |
| 10 | РСМ-10Б.04.15.120-01 | Кронштейн | |
| 11 | М10х30 ТУ 23.4617472.06-91 | Болт | |
| 12 | 54-51452-05 | Скоба | |
| 13 | 10Т 65Г 019 ГОСТ 6402-70 | Шайба | |
| 14 | М10-6Н.6.019 ГОСТ 5915-70 | Гайка | |
| 15 | 54-51452-04 | Скоба | |
| 16 | РСМ-10.04.15.511 | Кронштейн | |
| 17 | ВК415 ТУ 37.003.1213-84 | Включатель света заднего хода | |
| 18 | РСМ-10Б. 10.10.660 | Провод массы | |
| 19 | С.8х1,4.01.019 ГОСТ 11371-78 | Шайба | |
| 20 | 8Т 65Г 019 ГОСТ 6402-70 | Шайба | |
| 21 | М8-6Н.6.019 ГОСТ 5915-70 | Гайка | |
| 22 | 54-51456-02 | Скоба | |
| 23 | М12-6Н.6.019 ГОСТ 5915-70 | Гайка | |
| 24 | 12Т 65Г 019 ГОСТ 6402-70 | Шайба | |
| 25 | С.12х2.01.019 ГОСТ 11371-78 | Шайба | |
| 26 | РСМ-10Б.04.15.457А | Кронштейн | |
| 27 | 23.588.1.1.3.00-12 | Трос L-6000 мм или 1.1.3.75.6000 | |
| 28 | 23.588.1.1.3.00-08 | Трос L-2900 мм или 1.1.3.75.2900 | |
| 29 | РСМ-10Б.04.15.120 | Кронштейн | |
| 30 | 54-30019А | Вилка толкателя | |
| 31 | 6-8 b12х30.35.Ц9хр ГОСТ 9650-80 | Ось | |
| 32 | 2х16.019 ГОСТ 397-79 | Шплинт | |
| 33 | М10х20 ТУ 23.4617472.06-91 | Болт | |
| 34 | М8-6Н.6.019 ГОСТ 5918-70 | Гайка | |
| 35 | РСМ-10.04.15.303А | Сухарик | |
| 36 | 2,5х25.019 ГОСТ 397-79 | Шплинт | |
| 37 | М10-6Н.04.35.019 ГОСТ 5919-73 | Гайка | |
| 38 | С.10х01.019 ГОСТ 11371-78 | Шайба | |
| 39 | РСМ-10Б.04.15.060 | Качалка | |
| 40 | М12-6gх30.88.35.019 ГОСТ 7798-70 | Болт | |
| 41 | М14х1,5-6Н.6.019 ГОСТ 5915-70 | Гайка | |
| 42 | РСМ-10.04.15.609 | Ось | |
| 43 | РСМ-10.04.15.140 | Кронштейн | |
| 44 | РСМ-10Б.04.15.413 | Собачка | |
| 45 | М10-6gх25.88.35.019 ГОСТ 7798-70 | Болт | |
| 46 | 6-10 b12х40.35.Ц9хр ГОСТ 9650-80 | Ось | |
| 47 | С.6х1,4.01.019 ГОСТ 11371-78 | Шайба | |
| 48 | РСМ-10Б.04.15.010 | Рычаг стояночного тормоза | |
| 49 | РСМ-10Б.04.15.050 | Уравниватель |
Содержащиеся в справочниках-каталогах запасные части и детали не предлагаются к продаже, а носят исключительно информационный характер