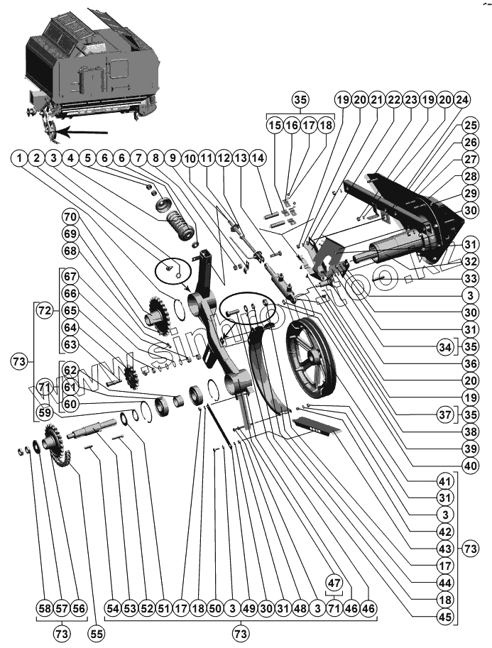
Каталог запасных частей к технике: РСМ-10Б "Дон-1500Б". Привод выгрузного шнека
1
2
3
3
3
3
3
4
5
6
6
7
8
9
10
11
12
13
14
15
16
17
17
17
18
18
18
19
19
19
20
20
20
21
22
23
24
25
26
27
28
29
30
30
30
31
31
31
31
32
33
34
35
35
35
36
37
38
39
40
41
42
43
44
45
46
46
47
48
49
50
51
52
53
54
55
56
57
58
59
60
61
62
63
64
65
66
67
68
69
70
71
71
72
73
73
73
73
| Позиция на иллюстрации | Заводской номер детали | Название детали | |
|---|---|---|---|
| 1 | C108 ГОСТ 13942-86 | Кольцо | |
| 2 | 2.2.45.Ц6.хр ГОСТ 19853-74 | Маслёнка | |
| 3 | С.10.01.019 ГОСТ 11371-78 | Шайба | |
| 4 | РСМ-10.01.45.631 | Пружина | |
| 5 | М16-6H.6.019 ГОСТ 5915-70 | Гайка | |
| 6 | РСМ-10.01.45.588 | Стакан | |
| 7 | РСМ-10.01.45.017 | Втулка | |
| 8 | М14-6H.6.019 ГОСТ 5915-70 | Гайка | |
| 9 | РСМ-10.01.00.505А | Кронштейн | |
| 10 | РСМ-10.01.45.980 | Тяга М16 | |
| 11 | C 16х4.01.019 ГОСТ 6958-78 | Шайба | |
| 12 | РСМ-10.01.45.607 | Гайка М16 | |
| 13 | М14-6gx50.88.35.019 ГОСТ 7798-70 | Болт | |
| 14 | ДО13М-1 П4МЗ.850.023 ТУ | Датчик оборотов | |
| 15 | РСМ-10.12.00.002 | Прокладка | |
| 16 | РСМ-10.01.45.524 | Хомут | |
| 17 | М8-6H.6.019 ГОСТ 5915-70 | Гайка М8-6H.6.019 ГОСТ 5915-70 | |
| 18 | 8Т 65Г 019 ГОСТ 6402-70 | Шайба | |
| 19 | М12-6H.6.019 ГОСТ 5915-70 | Гайка | |
| 20 | 12Т 65Г 019 ГОСТ 6402-70 | Шайба | |
| 21 | С.12х2.01.019 ГОСТ 11371-78 | Шайба | |
| 22 | РСМ-10.01.45.725 | Угольник | |
| 23 | М12-6gx60.88.35.019 ГОСТ 7798-70 | Болт | |
| 24 | РСМ-10.01.45.515 | Шайба | |
| 25 | РСМ-10.01.45.500Б | Труба | |
| 26 | РСМ-10.01.45.020Д | Каркас | |
| 27 | М12-6gx70.88.35.019 ГОСТ 7798-70 | Болт | |
| 28 | М12-6gx80.88.35.019 ГОСТ 7798-70 | Болт | |
| 29 | M10x25 ТУ23.4617472.06-91 | Болт | |
| 30 | 10Т 65Г 019 ГОСТ 6402-70 | Шайба | |
| 31 | М10-6H.6.019 ГОСТ 5915-70 | Гайка | |
| 32 | РСМ-10.01.45.600 | Шнек бункера | |
| 33 | 14x9x70 ГОСТ 23360-78 | Шпонка | |
| 34 | РСМ-10.01.45.430Д | Кронштейн | |
| 35 | РСМ-10.01.45.700В | Кронштейн | |
| 36 | М12-6gx35.88.35.019 ГОСТ 7798-70 | Болт | |
| 37 | M8x20 ТУ23.4617472.06-91 | Болт | |
| 38 | РСМ-10Б.09.59.010 | Гидроцилиндр | |
| 39 | С.14х3.01.019 ГОСТ 11371-78 | Шайба | |
| 40 | 3,2x20.019 ГОСТ 397-79 | Шплинт | |
| 41 | РСМ-10.01.45.420В | Шкив | |
| 42 | РСМ-100.19.00.802 | Втулка | |
| 43 | РСМ-10.01.00.492A | Щиток | |
| 44 | РСМ-10.01.00.660А | Кожух | |
| 45 | С.8х1,4.01.019 ГОСТ 11371-78 | Шайба | |
| 46 | М8-6gx25.88.35.019 ГОСТ 7798-70 | Болт | |
| 47 | РСМ-10.01.45.970 | Рычаг | |
| 48 | М10-6gx105.88.35.019 ГОСТ 7798-70 | Болт | |
| 49 | РСМ-10.01.00.597 | Пластина | |
| 50 | М10-6gx25.88.35.019 ГОСТ 7798-70 | Болт | |
| 51 | C 42х3,9.01.019 ГОСТ 10450-78 | Шайба | |
| 52 | 54-61810 | Шпонка специальная | |
| 53 | РСМ-10.01.45.634 | Ось | |
| 54 | 12x8x45 ГОСТ 23360-78 | Шпонка | |
| 55 | ПР-25,4-65 ТУ 23.2.05790417-014-01 | Цепь 119 звеньев, том числе 1С и3П (Цепь 181.03.00.800) | |
| 56 | РСМ-10.01.45.790 | Звездочка z-21 t-25,4 | |
| 57 | C 24х6.01.019 ГОСТ 6958-78 | Шайба | |
| 58 | М24х2-6H.04.019 ГОСТ 5916-70 | Гайка | |
| 59 | РСМ-10.01.45.021 | Втулка | |
| 60 | B100 ГОСТ 13943-86 | Кольцо | |
| 61 | 180309С17 ГОСТ 8882-75 | Подшипник | |
| 62 | РСМ-10.01.45.018А | Втулка | |
| 63 | H.206.20.002 | Ось | |
| 64 | 54-151-3-3 | Звездочка z-14 t-25,4 или Н206.08.000А | |
| 65 | 54-00781 | Втулка или 80440 | |
| 66 | C 20х1.01.019 ГОСТ 10450-78 | Шайба | |
| 67 | М16-6H.6.019 ГОСТ 5915-70 | Гайка | |
| 68 | М10х25.22Н ТУ 23.4617472.07-91 | Винт | |
| 69 | М10-6H.6.019 ГОСТ 5915-70 | Гайка | |
| 70 | РСМ-10.01.45.990 | Звездочка z-24 t-25,4 | |
| 71 | РСМ-10.01.45.960 | Рычаг | |
| 72 | РСМ-10.01.45.800 | Звёздочка натяжная | |
| 73 | РСМ-10.01.45.950А | Привод выгрузного шнека |
Содержащиеся в справочниках-каталогах запасные части и детали не предлагаются к продаже, а носят исключительно информационный характер