Вернуться на главную
Поиск
Каталоги запчастей к технике
Сельхозтехника
РСМ
РСМ-10Б "Дон-1500Б"
Панель правая
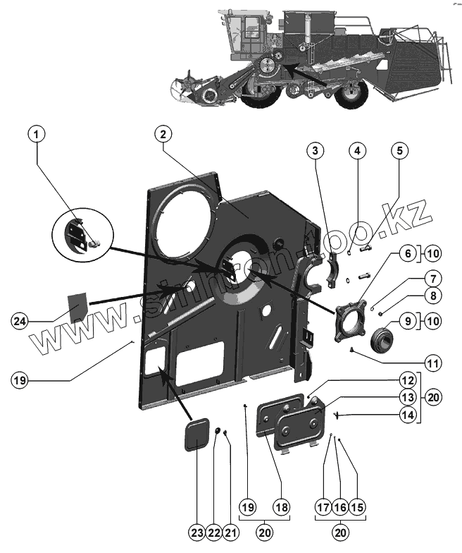
Каталог запасных частей к технике: РСМ-10Б "Дон-1500Б". Панель правая
zoom-in
zoom-out
enlarge
shrink
circle-right
circle-left
file-text2
info
cart
Тип техники
Не выбрано
Легковые автомобили
Грузовые автомобили и прицепы
Автобусы
Сельхозтехника
Спецтехника
Двигатели
Мототехника
Марка
Не выбрано
AGCO
Amity
CASE IH
DongFeng
Fortschritt
Foton
Franz Kleine
Gaspardo
Great Plains
KRONE
KUHN
Lemken
Lovol
MacDon
Massey Ferguson
New Holland
TIGARBO
Vaderstad
Versatile
Wirax
Агро
Агротехмаш
Бобруйскагромаш (ОАО «УКХ «Бобруйскагромаш»)
БЭМЗ
ВгТЗ
Воронежсельмаш
ВТЗ
Гомсельмаш
ДКЗ
ЗАО "Техника-сервис"
ЗиД
КЗК
Кировец-Ландтехник
Клевер
Красная Звезда
Лидагропроммаш
Лидсельмаш
ЛТЗ
Машстройхолдинг
Минитракторы
Мордовагромаш
МТЗ
Навигатор-Новое машиностроение
Нефтекамский автозавод
ПТЗ
Ремком
РСМ
Сибсельмаш
ТеКЗ
ТКЗ
ХЗТСШ
ХТЗ
ЮМЗ
Модель
Не выбрано
CK-5М-1 «Нива»
CK-5М-1 «Нива» (2002)
Vector-450 (Часть 1) (2018)
Vector-450 (Часть 2) (2018)
Дон (общий каталог)
Дон 1200
Дон 1200Б
Дон 1500А
Дон 1500Б
Жатка 3518050-12010 (2020)
Жатка S300.27 (2020)
Жатка ЖЗТ-9 (2020)
Жатка ЖКС (2020)
Жатка ЖСУ-700 (2020)
Жатка ЖСУ-703 (2020)
Жатка РСМ-081.27 (2010)
Жатка РСМ-081.27 (2020)
Жатка РСМ-081.27 (вариант) (2010)
Жатка РСМ-100.70, 1401.70 (2007)
Жатка РСМ-161.27 (2020)
Платформа-подборщик РСМ-081.08 (2020)
Платформа-подборщик РСМ-091.08 (2020)
ППК-81 Argus (2020)
РСМ 2375 (2020)
РСМ-100 (Дон-680) (2002)
РСМ-100 (Дон-680М) (2010)
РСМ-101 "Вектор" (2010)
РСМ-101 "Вектор" (вариант) (2010)
РСМ-10Б "Дон-1500Б" (2006)
РСМ-1401 (2009)
РСМ-142 "Acros" (2010)
РСМ-142 "Acros" вариант (2010)
РСМ-142 (Acros-550) (2020)
РСМ-152 "Acros-590/595 Plus" Часть 1 (2020)
РСМ-152 "Acros-590/595 Plus" Часть 2 (2020)
РСМ-161 (Часть 1) (2015)
РСМ-161 (Часть 2) (2015)
РСМ-181 "Torum-740" (2010)
РСМ-181 "Torum-740" (вариант) (2010)
Стол рапсовый RSM001.00.000К (2020)
Тележка для перевозки жатки РСМ-142.29 (2020)
Тележка РСМ-142.29 (2009)
Тележка транспортная ТТ-4000 (2020)
Энергосредство ЭС-1 (2009)
Схема
>
Не выбрано
Камера наклонная
Камера наклонная
Устройство предохранительное. Механизм реверса
Вал верхний наклонной камеры
Вал нижний транспортёра наклонной камеры
Транспортер наклонной камеры
Звездочка натяжная
Шасси
Доска транспортирующая
Рычаг
Рычаг двуплечий
Подвеска
Подвеска
Рама
Кожух вентилятора
Шкив вариатора ведомый
Крылач вентилятора
Контрпривод вентилятора
Блок шнеков
Решето нижнее
Решето верхнее
Удлинитель
Доска стрясная
Доска стрясная
Привод очистки
Мост ведущих колес
Гидромотор
Коробка диапазонов
Валы и шестерни коробки диапазонов
Тормоз стояночный
Редуктор
Механизм переключения коробки диапазонов
Механизм переключения коробки диапазонов
Мост ведущих колес
Колесо ведущее
Мост управляемых колес
Мост управляемых колес
Мост управляемых колес
Колесо управляемое
Панель левая
Панель правая
Механизм подъема подбарабанья
Механизм подъема подбарабанья
Барабан молотильный
Вариатор барабана
Подбарабанье
Вал торсиона
Шкив вариатора ведущий
Битер отбойный
Крыша
Крыша
Панель правая каркаса молотилки
Панель правая каркаса молотилки
Панель левая каркаса молотилки
Панель левая каркаса молотилки
Соломотряс
Коленчатые валы соломотряса
Контрпривод
Контрпривод задний
Устройство домолачивающее
Бак топливный
Шнек распределительный
Ролик
Рычаг
Ролик натяжной
Устройство натяжное привода половонабивателя
Рычаг
Ролик
Шкив натяжной
Лоток
Соломонабиватель
Валы соломонабивателя
Половонабиватель
Кабина
Установка кондиционера
Опора кабины
Площадка водителя
Управление рулевое
Колонка рулевая
Управление тормозами и коробкой диапазонов
Главный цилиндр
Рычаг стояночного тормоза
Управление подачей топлива
Рычаг
Рычаг управления гидросистемой трансмиссии
Площадка входа в кабину
Механизм поворота лестницы
Установка моторно-силовая с двигателем CUMMENS
Установка моторно-силовая (крепление на раму)
Установка моторно-силовая (крепление трубопровода)
Установка моторно-силовая
Установка моторно-силовая
Механизм отбора мощности
Установка трубопроводов блока радиаторов
Воздухозаборник
Двигатель ЯМЗ-238 АК
Механизм включения и выключения привода молотилки
Механизм натяжения
Рычаг натяжной
Капот
Капот радиатора
Блок радиаторов
Бункер
Верхнее строение бункера
Днище бункера
Днище бункера
Шнек зерновой наклонный
Редуктор
Привод выгрузного шнека
Шнек выгрузной
Шнек выгрузной
Элеватор зерновой
Элеватор зерновой
Элеватор колосовой
Измельчитель-разбрасыватель
Измельчитель-разбрасыватель
Капот
Блок измельчителя
Противорез
Разбрасыватель
Щиток
Копнитель
Капоты. Правая сторона
Капоты. Левая сторона
Ящик аккумуляторный
Свето-сигнальные приборы
Пульты электрогидравлики
Щиток приборов
Гидравлическая схема соединений
Гидрооборудование
Гидрооборудование
Ящик инструментальный
Общий вид комбайна с жаткой и копнителем
Общий вид комбайна с платформой-подборщиком и измельчителем-разбрасывателем
Общий вид комбайна с жаткой и измельчителем ПКН-1500Б
Схема деления комбайна на составные части
Схема деления комбайна на составные части
Схема деления комбайна на составные части
Схема ременных и цепных передач комбайна (правая сторона)
Схема ременных и цепных передач комбайна (левая сторона)
1
2
3
4
5
6
7
8
9
10
10
11
12
13
14
15
16
17
18
19
19
20
20
20
21
22
23
24
Позиция на иллюстрации
Заводской номер детали
Название детали
1
Пр П-1М 17МО.082.021ТУ
Преобразователь первичный Пр П-1М 17МО.082.021ТУ
2
РСМ-10Б.01.17.000А
Панель
3
РСМ-10.01.15.202
Обойма
4
20Т 65Г 019 ГОСТ 6402-70
Шайба
5
М20-6gх60.109.40Х.019 ГОСТ 7798-70
Болт
6
Н.027.116
Корпус подшипника
7
16Т 65Г 019 ГОСТ 6402-70
Шайба
8
М16-6Н.6.019 ГОСТ 5915-70
Гайка
9
680314НК7С27 ТУ 37.006.084-90
Подшипник
10
Н.027.01.160
Подшипник в сборе или опора или РСМ-10.01.15.330
11
2.2.45Ц6хр ГОСТ 19853-74
Маслёнка
12
44-00241
Втулка
13
РСМ-10.01.15.260
Крышка
14
44-1-2-16-2
Винт
15
М8-6Н.6.019 ГОСТ 5915-70
Гайка
16
8Т 65Г 019 ГОСТ 6402-70
Шайба
17
С.8х1,4.01.019 ГОСТ 11371-78
Шайба
18
РСМ-10.01.15.439А
Накладка
19
М8х20 ТУ23.4617472.06-91
Болт
20
РСМ-10.01.15.250
Крышка
21
54-2-157-01
Гайка
22
РСМ-10.01.15.436
Шайба эксцентрическая
23
РСМ-10.01.15.120
Крышка
24
РСМ-10.01.15.427
Заслонка
Содержащиеся в справочниках-каталогах запасные части и детали не предлагаются к продаже, а носят исключительно информационный характер
Дополнительная информация
×
Название:
Номер:
Примечание: