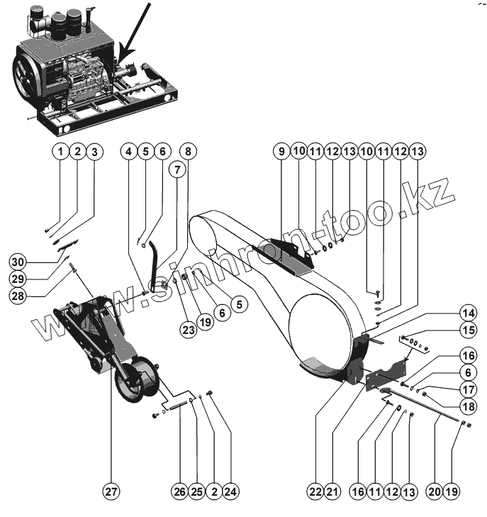
Каталог запасных частей к технике: РСМ-10Б "Дон-1500Б". Механизм включения и выключения привода молотилки
1
2
2
3
4
5
5
6
6
6
7
8
9
10
10
11
11
11
12
12
12
13
13
13
14
15
16
16
17
18
19
19
20
21
22
23
24
25
26
27
28
29
30
| Позиция на иллюстрации | Заводской номер детали | Название детали | |
|---|---|---|---|
| 1 | М12-6Н.6.019 ГОСТ 5915-70 | Гайка | |
| 2 | 12Т 65Г 019 ГОСТ 6402-70 | Шайба | |
| 3 | С.12х5.01.019 ГОСТ 6958-78 | Шайба | |
| 4 | РСМ-10.05.09.618А | Втулка | |
| 5 | 3,2х25.019 ГОСТ 397-79 | Шплинт | |
| 6 | С.10.01.019 ГОСТ 11371-78 | Шайба | |
| 7 | РСМ-10.05.09.424 | Тяга | |
| 8 | РСМ-10.05.09.421 | Шайба | |
| 9 | РСМ-10.05.09.414 | Кожух охватывающий | |
| 10 | М8-6gх20.88.35.019 ГОСТ 7798-70 | Болт | |
| 11 | С.8.01.019 ГОСТ 6958-78 | Шайба | |
| 12 | 8Т 65Г 019 ГОСТ 6402-70 | Шайба | |
| 13 | М8-6Н.6.019 ГОСТ 5915-70 | Гайка | |
| 14 | РСМ-10.05.09.506 | Полоса | |
| 15 | М8-6gх25.88.35.019 ГОСТ 7798-70 | Болт | |
| 16 | М10-6gх30.88.35.019 ГОСТ 7798-70 | Болт | |
| 17 | 10Т 65Г 019 ГОСТ 6402-70 | Шайба | |
| 18 | М10-6Н.6.019 ГОСТ 5915-70 | Гайка | |
| 19 | М16-6Н.6.019 ГОСТ 5915-70 | Гайка | |
| 20 | РСМ-10.05.09.627А | Связь | |
| 21 | РСМ-10.05.09.415 | Кронштейн | |
| 22 | РСМ-10.05.09.190 | Кожух | |
| 23 | 16Т 65Г 019 ГОСТ 6402-70 | Шайба | |
| 24 | М12-6gх20.88.35.019 ГОСТ 7798-70 | Болт | |
| 25 | С.12х2.01.019 ГОСТ 11371-78 | Шайба | |
| 26 | РСМ-10.05.09.626В | Ось | |
| 27 | РСМ-10.05.09.060В | Механизм натяжения | |
| 28 | М12-6gх40.88.35.019 ГОСТ 7798-70 | Болт | |
| 29 | РСМ-10.05.09.508 | Прокладка | |
| 30 | РСМ-10.05.09.512 | Прокладка |
Содержащиеся в справочниках-каталогах запасные части и детали не предлагаются к продаже, а носят исключительно информационный характер