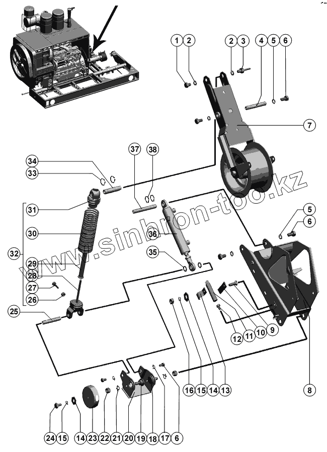
Каталог запасных частей к технике: РСМ-10Б "Дон-1500Б". Механизм натяжения
1
2
2
3
4
5
5
6
6
6
7
8
9
10
11
12
13
14
14
15
15
16
17
18
19
20
21
22
23
24
25
26
27
28
29
30
31
32
33
34
35
36
37
38
| Позиция на иллюстрации | Заводской номер детали | Название детали | |
|---|---|---|---|
| 1 | М16-6gх20.88.35.019 ГОСТ 7798-70 | Болт | |
| 2 | 16Т 65Г 019 ГОСТ 6402-70 | Шайба | |
| 3 | РСМ-10.05.09.619Б | Ось | |
| 4 | РСМ-10.05.09.612А | Ось | |
| 5 | 12Т 65Г 019 ГОСТ 6402-70 | Шайба | |
| 6 | М12-6gх20.88.35.019 ГОСТ 7798-70 | Болт | |
| 7 | РСМ-10.05.09.080 | Рычаг натяжной | |
| 8 | РСМ-10.05.09.070Б | Кронштейн | |
| 9 | М6х20 ТУ 23.4617472.06-91 | Болт | |
| 10 | РСМ-10.05.09.002 | Прокладка | |
| 11 | ДО13М-2 П4М3.850.023 ТУ | Датчик оборотов | |
| 12 | П4М3. 525.074 ТУ | Магнитодержатель | |
| 13 | РСМ-10.09.01.409 | Скоба I-20.18.26.9 | |
| 14 | С.6х1,4.01.019 ГОСТ 6958-78 | Шайба | |
| 15 | 6Т 65Г 019 ГОСТ 6402-70 | Шайба | |
| 16 | М6-6Н.6.019 ГОСТ 5915-70 | Гайка | |
| 17 | 12.01.019 ГОСТ 13465-77 | Шайба | |
| 18 | РСМ-10.05.09.624В-01 | Ось | |
| 19 | РСМ-10.05.09.624В | Ось | |
| 20 | РСМ-10.05.09.160А | Кривошип | |
| 21 | 16.01.019 ГОСТ 13465-77 | Шайба | |
| 22 | М16-6Н.6.019 ГОСТ 5915-70 | Гайка | |
| 23 | РСМ-10.05.09.050 | Экран | |
| 24 | М6-6gх12.48.019 ГОСТ 7798-70 | Болт | |
| 25 | РСМ-10.05.09.617А | Ось | |
| 26 | М10-6Н.6.019 ГОСТ 5915-70 | Гайка | |
| 27 | РСМ-10Б.05.09.611 | Винт | |
| 28 | РСМ-10.05.09.150 | Пробка | |
| 29 | РСМ-10.05.09.200А | Растяжка | |
| 30 | РСМ-10.05.09.622 | Пружина | |
| 31 | РСМ-10.05.09.101В | Пробка | |
| 32 | РСМ-10.05.09.130А | Пружина натяжения | |
| 33 | С25 ГОСТ 13942-86 | Кольцо | |
| 34 | РСМ-10.05.09.616Г | Ось | |
| 35 | РСМ-10.05.09.621 | Втулка | |
| 36 | РСМ-10Б.09.35.010 | Гидроцилиндр | |
| 37 | РСМ-10.05.09.626В | Ось | |
| 38 | С20 ГОСТ 13942-86 | Кольцо |
Содержащиеся в справочниках-каталогах запасные части и детали не предлагаются к продаже, а носят исключительно информационный характер