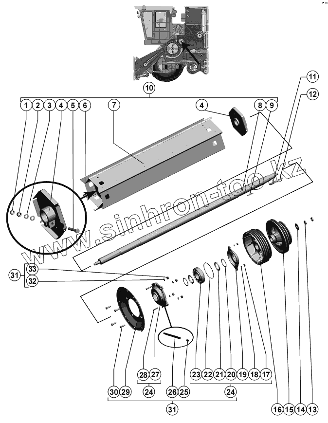
Каталог запасных частей к технике: РСМ-10Б "Дон-1500Б". Битер отбойный
1
2
3
4
4
5
6
7
8
9
10
11
12
13
14
15
16
17
18
19
20
21
22
23
24
24
25
26
27
28
29
30
31
31
32
33
| Позиция на иллюстрации | Заводской номер детали | Название детали | |
|---|---|---|---|
| 1 | М16.6.019 ГОСТ 5916-70 | Гайка | |
| 2 | М16-6Н.6.019 ГОСТ 5915-70 | Гайка | |
| 3 | РСМ-10.01.21.404А | Шайба | |
| 4 | РСМ-10.01.21.030 | Фланец | |
| 5 | М16-6gх95.88.35.019 ГОСТ 7798-70 | Болт | |
| 6 | РСМ-10.01.21.408 | Пластина балансировочная | |
| 7 | РСМ-8.01.21.401 | Лопасть | |
| 8 | РСМ-10.01.21.608 | Вал | |
| 9 | 10х8х70 ГОСТ 23360-78 | Шпонка | |
| 10 | РСМ-10Б.01.21.220 | Битер отбойный | |
| 11 | 18х11х90 ГОСТ 23360-78 | Шпонка | |
| 12 | 14х9х56 ГОСТ 23360-78 | Шпонка | |
| 13 | М24х2-6Н.04.35.019 ГОСТ 5916-70 | Гайка | |
| 14 | С.24х6.01.019 ГОСТ 6958-78 | Шайба | |
| 15 | РСМ-10.01.21.106 | Шкив привода контрприводов | |
| 16 | РСМ-10.01.21.170 | Шкив для комбайнов с копнителем или РСМ-10.01.21.108 | |
| 17 | М12-6Н.6.019 ГОСТ 5915-70 | Гайка | |
| 18 | 12Т.65Г.019 ГОСТ 6402-70 | Шайба | |
| 19 | Н.026.197-03 | Крышка подшипника ОСТ 23.2.421-91 | |
| 20 | Н.026.813 | Шайба защитная ОСТ 23.2.419-91 | |
| 21 | 1,2-70х95-1 ГОСТ 8752-79/ ОСТ 38.05.146-78 | Манжета | |
| 22 | Н.026.514 | Кольцо распорное ОСТ 23.2.424-91 | |
| 23 | 11314К ГОСТ 284228-90 | Подшипник | |
| 24 | РСМ-10.01.21.090 | Подшипник или опора Н.027.01.160 | |
| 25 | 1,2.Ц6хр ГОСТ 19853-74 | Маслёнка | |
| 26 | 446-80243 | Трубка | |
| 27 | РСМ-10.01.21.103 | Корпус подшипника | |
| 28 | М12-6Нх50.6.019 ГОСТ 7798-70 | Болт | |
| 29 | РСМ-10.01.21.403 | Фланец | |
| 30 | М16х50 ТУ 23.4617472.06-91 | Болт | |
| 31 | РСМ-10.01.21.060 | Фланец | |
| 32 | 16Т.65Г.019 ГОСТ 6402-70 | Шайба | |
| 33 | М16-6Н.6.019 ГОСТ 5915-70 | Гайка |
Содержащиеся в справочниках-каталогах запасные части и детали не предлагаются к продаже, а носят исключительно информационный характер