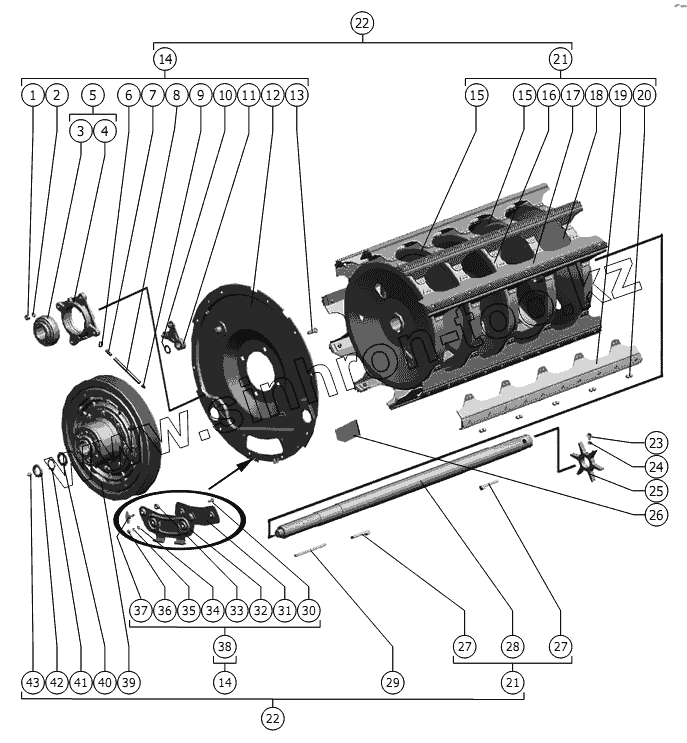
Каталог запасных частей к технике: РСМ-101 "Вектор" (вариант). Барабан молотильный
1
2
3
4
5
6
7
8
9
10
11
12
13
14
14
15
15
16
17
18
19
20
21
21
22
22
23
24
25
26
27
27
28
29
30
31
32
33
34
35
36
37
38
39
40
41
42
43
| Позиция на иллюстрации | Заводской номер детали | Название детали | |
|---|---|---|---|
| 1 | М16-6Н.6.019 ГОСТ 5915-70 | Гайка | |
| 2 | 16Т 65Г 019 ГОСТ 6402-70 | Шайба | |
| 3 | 680314НК7С27 ТУ 37.006.084-90 | Подшипник | |
| 4 | Н.027.116 | Корпус подшипника | |
| 5 | Н.027.01.160 | Подшипник в сборе или опора или РСМ-10.01.15.330 | |
| 6 | 54-62372 | Переходник | |
| 7 | 142.00.77.602 | Штуцер | |
| 8 | 145.15.03130 | Трубка | |
| 9 | 1.2.Ц6.хр ГОСТ 19853-74 | Маслёнка 1.2.Ц6.хр ГОСТ 19853-74 | |
| 10 | С25 ГОСТ 13942-86 | Кольцо | |
| 11 | РСМ-10.01.15.300 | Рычаг | |
| 12 | 145.15.03.130 | Фланец | |
| 13 | М16х50 ТУ23.4617472.06-91 | Болт | |
| 14 | 145.15.03.110 | Фланец | |
| 15 | РСМ-10.01.18.415Б | Диск | |
| 16 | 101.01.18.030А | Диск средний | |
| 17 | 101.01.18.040 | Бич правый | |
| 18 | 101.01.18.020А | Диск крайний | |
| 19 | 101.01.18.050 | Бич левый | |
| 20 | 10х24.01.016 ГОСТ 10299-80 | Заклёпка | |
| 21 | 101.01.18.010А | Остов барабана | |
| 22 | 101.01.18.000 | Барабан молотильный | |
| 23 | М6х20.22Н ТУ 23.4617472.07-91 | Винт | |
| 24 | М6-6Н.6.019 ГОСТ 5915-70 | Гайка | |
| 25 | РСМ-10.10.30.012А-02 | Звездочка | |
| 26 | РСМ-10.01.15.427 | Заслонка | |
| 27 | РСМ-10.01.18.301 | Шпонка специальная или РСМ-10.01.18.604 | |
| 28 | 101.01.18.601 | Вал | |
| 29 | 18х11х200 ГОСТ 23360-78 | Шпонка | |
| 30 | М8х20 ТУ23.4617472.06-91 | Болт | |
| 31 | РСМ-10.01.18.409 | Накладка | |
| 32 | РСМ-10.01.18.150 | Крышка | |
| 33 | 44-00241 | Втулка | |
| 34 | С.8х1,4.01.019 ГОСТ 11371-78 | Шайба | |
| 35 | 8Т 65Г 019 ГОСТ 6402-70 | Шайба | |
| 36 | М8-6Н.6.019 ГОСТ 5915-70 | Гайка | |
| 37 | 44-1-2-16-2 | Винт | |
| 38 | РСМ-10.01.18.140 | Крышка | |
| 39 | РСМ-10.01.18.060Б | Вариатор барабана | |
| 40 | С 42х3,9.01.019 ГОСТ 10450-78 | Шайба | |
| 41 | Н.42х1,4.01.019 ГОСТ 11872-89 | Шайба | |
| 42 | М42Х1,5-6Н.05.019 ГОСТ 11871-88 | Гайка | |
| 43 | 1.2.Ц6.хр ГОСТ 19853-74 | Маслёнка 1.2.Ц6.хр ГОСТ 19853-74 |
Содержащиеся в справочниках-каталогах запасные части и детали не предлагаются к продаже, а носят исключительно информационный характер