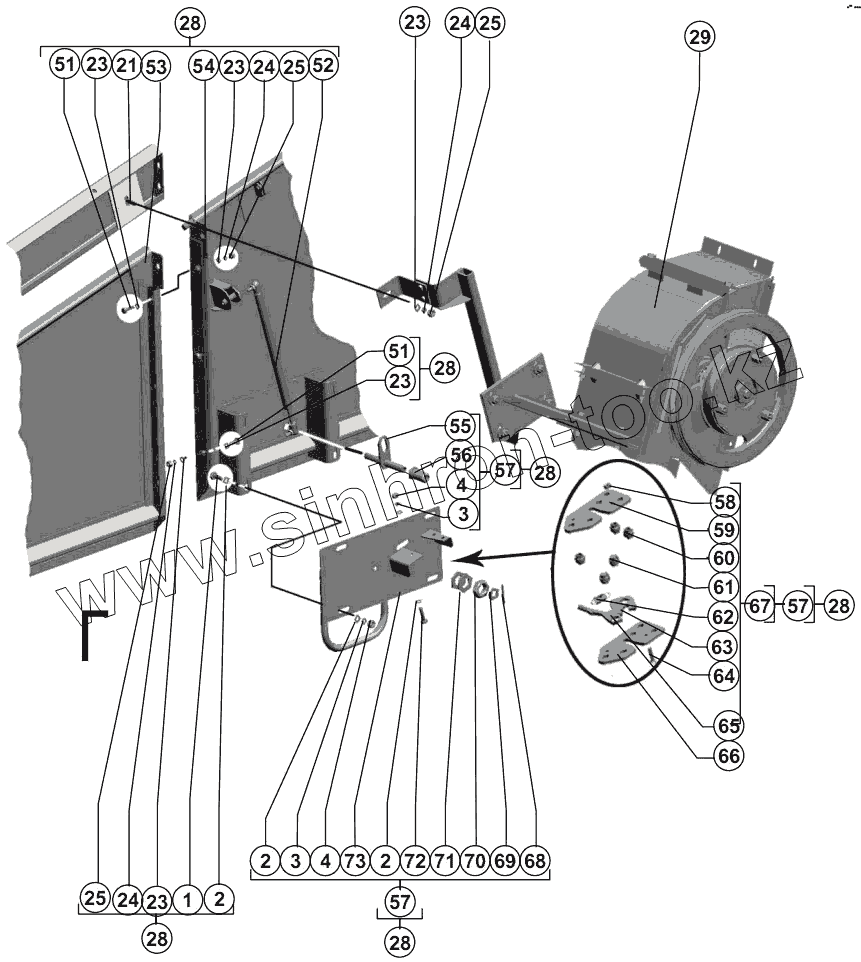
Каталог запасных частей к технике: РСМ-101 "Вектор". Левое капотирование
1
2
2
2
3
3
4
4
21
23
23
23
23
23
24
24
24
25
25
25
28
28
28
28
28
28
29
51
51
52
53
54
55
56
57
57
57
58
59
60
61
62
63
64
65
66
67
68
69
70
71
72
73
| Позиция на иллюстрации | Заводской номер детали | Название детали | |
|---|---|---|---|
| 1 | Болт М8-6gх25.88.35.019 ГОСТ 7798-70 | Болт М8-6gх25.88.35.019 ГОСТ 7798-70 | |
| 2 | Шайба С.8.01.019 ГОСТ 11371-78 | Шайба С.8.01.019 ГОСТ 11371-78 | |
| 3 | Шайба 8Т 65Т 019 ГОСТ 6402-70 | Шайба 8Т 65Т 019 ГОСТ 6402-70 | |
| 4 | Гайка М8-6Н.6.019 ГОСТ 5915-70 | Гайка М8-6Н.6.019 ГОСТ 5915-70 | |
| 5 | 101.01.58.120 | Щит | |
| 6 | Болт М8-6gх20.88.35.019 ГОСТ 7798-70 | Болт М8-6gх20.88.35.019 ГОСТ 7798-70 | |
| 7 | 101.01.58.140 | Опора | |
| 8 | 101.01.56.403 | Щит | |
| 9 | Болт М8-6gх25 ТУ 23.4617472.06-91 | Болт М8-6gх25 ТУ 23.4617472.06-91 | |
| 10 | 101.01.58.425 | Кронштейн | |
| 11 | Болт М8-6gх20 ТУ23.4617472.06-91 | Болт М8-6gх20 ТУ23.4617472.06-91 | |
| 12 | 101.01.56.417 | Щит | |
| 13 | 101.01.56.080 | Щит | |
| 14 | 101.01.56.405 | Щит | |
| 15 | Шайба С.8х1.4.01.019 ГОСТ 6358-70 | Шайба С.8х1.4.01.019 ГОСТ 6358-70 | |
| 16 | 101.45.01.000 | Надставка | |
| 17 | 101.01.56.120 | Щит | |
| 18 | 101.01.56.070 | Щит | |
| 19 | 101.01.56.040 | Щит | |
| 20 | Болт М10-6gх65.88.35.019 ГОСТ 7798-70 | Болт М10-6gх65.88.35.019 ГОСТ 7798-70 | |
| 21 | Болт М10-6gх25 ТУ 23.4617472.06-91 | Болт М10-6gх25 ТУ 23.4617472.06-91 | |
| 22 | 101.01.56.441 | Кронштейн | |
| 23 | Шайба С.10.01.019 ГОСТ 11371-78 | Шайба С.10.01.019 ГОСТ 11371-78 | |
| 24 | Шайба 10Т 65Г 019 ГОСТ 6402-70 | Шайба 10Т 65Г 019 ГОСТ 6402-70 | |
| 25 | Гайка М10-6Н.6.019 ГОСТ 5915-70 | Гайка М10-6Н.6.019 ГОСТ 5915-70 | |
| 26 | 101.01.56.180 | Щит | |
| 27 | 101.01.56.416 | Щит | |
| 28 | 101.01.56.300 | Капот | |
| 29 | 101.01.54.000 | Элеватор колосовой | |
| 30 | 101.01.56.050 | Щит | |
| 31 | 101.01.56.412 | Щит | |
| 32 | 101.01.56.429 | Кронштейн | |
| 33 | 101.14.05.000 | Измельчитель-разбрасыватель | |
| 34 | 101.01.56.483 | Щит | |
| 35 | 101.01.56.410 | Щит | |
| 36 | 101.01.56.060 | Щит | |
| 37 | 101.01.56.200 | Кронштейн | |
| 38 | 101.01.56.415 | Щит | |
| 39 | Болт М8-6gх16 ТУ 23.4617472.06-91 | Болт М8-6gх16 ТУ 23.4617472.06-91 | |
| 40 | 101.01.56.100 | Щит | |
| 41 | 101.01.56.230 | Кронштейн | |
| 42 | 101.01.56.220 | Кронштейн | |
| 43 | 101.01.56.479 | Кронштейн | |
| 44 | Шайба С.10.01.019 ГОСТ 6358-70 | Шайба С.10.01.019 ГОСТ 6358-70 | |
| 45 | 101.01.48.000 | Шнек выгрузной | |
| 46 | 101.01.56.461 | Кронштейн | |
| 47 | 101.01.56.434 | Кронштейн | |
| 48 | 101.01.56.110 | Опора | |
| 49 | Шплинт 3.2x20.019 ГОСТ 397-79 3 | Шплинт 3.2x20.019 ГОСТ 397-79 3 | |
| 50 | Ось 6-10b12х25.35.Ц9хр ГОСТ 9650-80 2 | Ось 6-10b12х25.35.Ц9хр ГОСТ 9650-80 2 | |
| 51 | Болт М10-6gх25.88.35.019 ГОСТ 7798-70 2 | Болт М10-6gх25.88.35.019 ГОСТ 7798-70 2 | |
| 52 | Пневмоупор LIFT-O-MAT 481394 1 | Пневмоупор LIFT-O-MAT 481394 1 | |
| 53 | 101.01.56.030 | Щит | |
| 54 | 101.01.56.420 | Щит | |
| 55 | 101.01.00.440-01 | Курок | |
| 56 | 101.01.00.608 | Втулка | |
| 57 | 101.01.56.620-01 | Замок | |
| 58 | Гайка М6-6H.6.019 ГОСТ 5915-70 | Гайка М6-6H.6.019 ГОСТ 5915-70 | |
| 59 | 101.01.00.461 | Плита | |
| 60 | 101.01.00.609 | Втулка | |
| 61 | 101.01.00.609-01 | Втулка | |
| 62 | РСМ-10.04.18.604 | Пружина | |
| 63 | 101.01.00.455 | Зацеп | |
| 64 | Винт В.М6-6gх25.48.019 ГОСТ 17475-80 | Винт В.М6-6gх25.48.019 ГОСТ 17475-80 | |
| 65 | 101.01.00.420 | Курок | |
| 66 | 101.01.00.461-02 | Плита | |
| 67 | 101.01.00.410 | Замок | |
| 68 | Шплинт 4x36.019 ГОСТ 397-79 | Шплинт 4x36.019 ГОСТ 397-79 | |
| 69 | Шайба С.16х1,4.01.019 ГОСТ 11371-78 | Шайба С.16х1,4.01.019 ГОСТ 11371-78 | |
| 70 | Гайка М24х2-6H.04.019 ГОСТ 5916-70 | Гайка М24х2-6H.04.019 ГОСТ 5916-70 | |
| 71 | Шайба С.24х3,9.01.019 ГОСТ 11371-78 | Шайба С.24х3,9.01.019 ГОСТ 11371-78 | |
| 72 | Болт М8-6gx35.88.35.019 ГОСТ 7798-70 | Болт М8-6gx35.88.35.019 ГОСТ 7798-70 | |
| 73 | 101.01.56.640-01 | Основание |
Содержащиеся в справочниках-каталогах запасные части и детали не предлагаются к продаже, а носят исключительно информационный характер