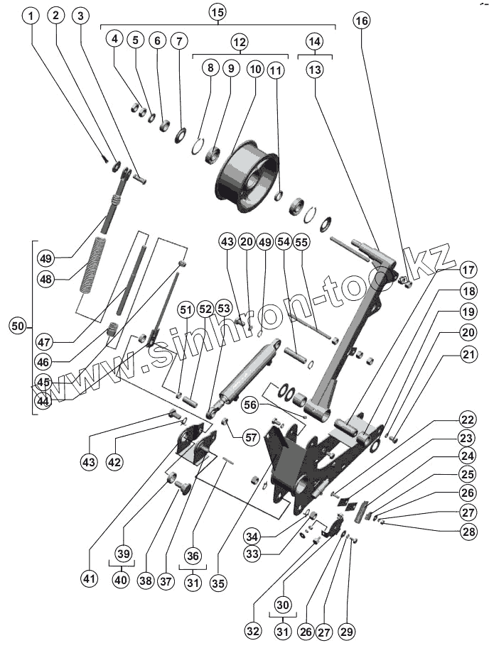
Каталог запасных частей к технике: РСМ-101 "Вектор". 101.01.10.270 Механизм натяжной
1
2
3
4
5
6
7
8
9
10
11
12
13
14
15
16
17
18
19
20
20
21
22
23
24
25
26
26
27
27
28
29
30
31
31
32
32
33
34
35
36
37
38
39
40
41
42
43
43
44
45
46
47
48
49
49
50
51
52
53
54
55
56
57
| Позиция на иллюстрации | Заводской номер детали | Название детали | |
|---|---|---|---|
| 101.09.87.010-02 | 101.09.87.010-02 | Гидроцилиндр | |
| 1 | Шплинт 3.2x18.019 ГОСТ 397-79 | Шплинт 3.2x18.019 ГОСТ 397-79 | |
| 2 | Шайба C 10.01.019 ГОСТ 6958-78 | Шайба C 10.01.019 ГОСТ 6958-78 | |
| 3 | Ось 6-10 b12x30.35 ГОСТ 9650-80 | Ось 6-10 b12x30.35 ГОСТ 9650-80 | |
| 4 | Гайка М20-6H.04.35.019 ГОСТ 5916-70 | Гайка М20-6H.04.35.019 ГОСТ 5916-70 | |
| 5 | Шайба C.20х3.9.01 ГОСТ 11371-78 | Шайба C.20х3.9.01 ГОСТ 11371-78 | |
| 6 | РСМ-10.05.00.023В | Кольцо | |
| 7 | РСМ-10.05.00.499 | Шайба защитная | |
| 8 | Кольцо C62 ГОСТ 13943-86 | Кольцо C62 ГОСТ 13943-86 | |
| 9 | Подшипник 180206С17 ГОСТ 8882-75 | Подшипник 180206С17 ГОСТ 8882-75 | |
| 10 | 101.01.10.103 | Шкив | |
| 11 | РСМ-10.01.47.006 | Втулка | |
| 12 | 101.01.10.160 | Шкив | |
| 13 | 101.01.10.300 | Рычаг | |
| 14 | 101.01.10.290 | Рычаг | |
| 15 | 101.01.10.280 | Шкив | |
| 16 | Гайка М12-6H.6 ГОСТ 5915-70 | Гайка М12-6H.6 ГОСТ 5915-70 | |
| 17 | РСМ-10Б.05.00.602Б | Ось | |
| 18 | РСМ-10.05.00.027В | Втулка | |
| 19 | Шайба С.30х2.01.019 ГОСТ 11371-78 | Шайба С.30х2.01.019 ГОСТ 11371-78 | |
| 20 | Шайба 12Т 65Г 019 ГОСТ 6402-70 | Шайба 12Т 65Г 019 ГОСТ 6402-70 | |
| 21 | Болт М12-6gx20.88.35.019 ГОСТ 7798-70 | Болт М12-6gx20.88.35.019 ГОСТ 7798-70 | |
| 22 | Болт М6х20.46.019 ГОСТ 7802-81 | Болт М6х20.46.019 ГОСТ 7802-81 | |
| 23 | РСМ-10.05.09.002 | Прокладка | |
| 24 | Датчик положения ДП-01 ЮГИШ.423149.001 ЮГИШ.420124.001ТУ | Датчик положения ДП-01 ЮГИШ.423149.001 ЮГИШ.420124.001ТУ | |
| 25 | РСМ-10.09.01.409 | Скоба I-20.18.26.9 | |
| 26 | Шайба C 6х1.4.01.019 ГОСТ 6958-78 | Шайба C 6х1.4.01.019 ГОСТ 6958-78 | |
| 27 | Шайба 6Т 65Г 019 ГОСТ 6402-70 | Шайба 6Т 65Г 019 ГОСТ 6402-70 | |
| 28 | Гайка М6-6H.6.019 ГОСТ 5915-70 | Гайка М6-6H.6.019 ГОСТ 5915-70 | |
| 29 | Болт М6-6gx12.48.019 ГОСТ 7798-70 | Болт М6-6gx12.48.019 ГОСТ 7798-70 | |
| 30 | 101.01.10.426 | Экран | |
| 31 | 101.01.10.250 | Экран | |
| 32 | Магнитодержатель ЮГИШ.420124.001ТУ | Магнитодержатель ЮГИШ.420124.001ТУ | |
| 32 | Магнитодержатель ЮГИШ.301121.011 | Магнитодержатель ЮГИШ.301121.011 | |
| 33 | 101.01.10.050A | Каркас | |
| 34 | РСМ-10.05.09.628 | Стержень | |
| 35 | Гайка М16-6H.6.019 ГОСТ 5915-70 | Гайка М16-6H.6.019 ГОСТ 5915-70 | |
| 36 | Шайба 16.01.019 ГОСТ 13465-77 | Шайба 16.01.019 ГОСТ 13465-77 | |
| 37 | РСМ-10.05.09.624В | Ось | |
| 38 | РСМ-10.05.09.624В-01 | Ось | |
| 39 | РСМ-10.05.09.625А | Втулка | |
| 40 | 101.01.10.090 | Кривошип | |
| 41 | 101.01.10.100 | Кривошип | |
| 42 | Шайба 12.01.019 ГОСТ 13465-77 | Шайба 12.01.019 ГОСТ 13465-77 | |
| 43 | Болт М12-6gx20.88.35.019 ГОСТ 7798-70 | Болт М12-6gx20.88.35.019 ГОСТ 7798-70 | |
| 44 | 101.01.10.130 | Связь | |
| 45 | Гайка М10-6H.6.019 ГОСТ 5915-70 | Гайка М10-6H.6.019 ГОСТ 5915-70 | |
| 46 | РСМ-10.01.22.307 | Пробка | |
| 47 | РСМ-10.01.22.611Д | Ось | |
| 48 | РСМ-10.01.22.613 | Пружина | |
| 49 | РСМ-10.01.22.130В | Пробка | |
| 50 | 101.01.10.120 | Пружина | |
| 51 | 101.01.10.805 | Втулка | |
| 52 | 101.01.10.606 | Ось | |
| 53 | РСМ-100.21.31.430 | Гидроцилиндр | |
| 54 | 101.01.10.605 | Ось | |
| 55 | 101.01.10.150-01 | Поддержка | |
| 56 | Маслёнка 1.3.Ц6.хр ГОСТ 19853-74 | Маслёнка 1.3.Ц6.хр ГОСТ 19853-74 | |
| 57 | 101.01.10.805-01 | Втулка |
Содержащиеся в справочниках-каталогах запасные части и детали не предлагаются к продаже, а носят исключительно информационный характер