Вернуться на главную
Поиск
Каталоги запчастей к технике
Сельхозтехника
РСМ
РСМ-100 (Дон-680)
Валец РСМ-100.05.05.260
Каталог запасных частей к технике: РСМ-100 (Дон-680). Валец РСМ-100.05.05.260
zoom-in
zoom-out
enlarge
shrink
circle-right
circle-left
file-text2
info
cart
Тип техники
Не выбрано
Легковые автомобили
Грузовые автомобили и прицепы
Автобусы
Сельхозтехника
Спецтехника
Двигатели
Мототехника
Марка
Не выбрано
AGCO
Amity
CASE IH
DongFeng
Fortschritt
Foton
Franz Kleine
Gaspardo
Great Plains
KRONE
KUHN
Lemken
Lovol
MacDon
Massey Ferguson
New Holland
TIGARBO
Vaderstad
Versatile
Wirax
Агро
Агротехмаш
Бобруйскагромаш (ОАО «УКХ «Бобруйскагромаш»)
БЭМЗ
ВгТЗ
Воронежсельмаш
ВТЗ
Гомсельмаш
ДКЗ
ЗАО "Техника-сервис"
ЗиД
КЗК
Кировец-Ландтехник
Клевер
Красная Звезда
Лидагропроммаш
Лидсельмаш
ЛТЗ
Машстройхолдинг
Минитракторы
Мордовагромаш
МТЗ
Навигатор-Новое машиностроение
Нефтекамский автозавод
ПТЗ
Ремком
РСМ
Сибсельмаш
ТеКЗ
ТКЗ
ХЗТСШ
ХТЗ
ЮМЗ
Модель
Не выбрано
CK-5М-1 «Нива»
CK-5М-1 «Нива» (2002)
Vector-450 (Часть 1) (2018)
Vector-450 (Часть 2) (2018)
Дон (общий каталог)
Дон 1200
Дон 1200Б
Дон 1500А
Дон 1500Б
Жатка 3518050-12010 (2020)
Жатка S300.27 (2020)
Жатка ЖЗТ-9 (2020)
Жатка ЖКС (2020)
Жатка ЖСУ-700 (2020)
Жатка ЖСУ-703 (2020)
Жатка РСМ-081.27 (2010)
Жатка РСМ-081.27 (2020)
Жатка РСМ-081.27 (вариант) (2010)
Жатка РСМ-100.70, 1401.70 (2007)
Жатка РСМ-161.27 (2020)
Платформа-подборщик РСМ-081.08 (2020)
Платформа-подборщик РСМ-091.08 (2020)
ППК-81 Argus (2020)
РСМ 2375 (2020)
РСМ-100 (Дон-680) (2002)
РСМ-100 (Дон-680М) (2010)
РСМ-101 "Вектор" (2010)
РСМ-101 "Вектор" (вариант) (2010)
РСМ-10Б "Дон-1500Б" (2006)
РСМ-1401 (2009)
РСМ-142 "Acros" (2010)
РСМ-142 "Acros" вариант (2010)
РСМ-142 (Acros-550) (2020)
РСМ-152 "Acros-590/595 Plus" Часть 1 (2020)
РСМ-152 "Acros-590/595 Plus" Часть 2 (2020)
РСМ-161 (Часть 1) (2015)
РСМ-161 (Часть 2) (2015)
РСМ-181 "Torum-740" (2010)
РСМ-181 "Torum-740" (вариант) (2010)
Стол рапсовый RSM001.00.000К (2020)
Тележка для перевозки жатки РСМ-142.29 (2020)
Тележка РСМ-142.29 (2009)
Тележка транспортная ТТ-4000 (2020)
Энергосредство ЭС-1 (2009)
Схема
>
Не выбрано
Комбайн с жаткой роторной Дон-680 (общий вид)
Комбайн с жаткой для уборки трав Дон-680 (общий вид)
Комбайн с платформой-подборщиком Дон-680 (общий вид)
Агрегат измельчающий РСМ-100.01.00.000
Агрегат измельчающий РСМ-100.01.00.000
Агрегат измельчающий РСМ-100.01.00.000
Агрегат измельчающий РСМ-100.01.00.000
Агрегат измельчающий РСМ-100.01.00.000
Агрегат измельчающий РСМ-100.01.00.000
Агрегат измельчающий РСМ-100.01.00.000
Агрегат измельчающий РСМ-100.01.00.000
Агрегат измельчающий РСМ-100.01.00.000
Агрегат измельчающий РСМ-100.01.00.000
Агрегат измельчающий РСМ-100.01.00.000
Агрегат измельчающий РСМ-100.01.00.000
Агрегат измельчающий РСМ-100.01.00.000
Схема кинематическая кормоуборочного комбайна «Дон-680» (левая сторона)
Схема кинематическая кормоуборочного комбайна «Дон-680» (правая сторона)
Схема кинематическая жатки для уборки трав (вид слева)
Схема кинематическая платформы-подборщика (левая сторона)
Схема кинематическая платформы-подборщика (правая сторона)
Жатка для уборки трав РСМ-100.70.00.000
Жатка для уборки трав РСМ-100.70.00.000
Жатка для уборки трав РСМ-100.70.00.000
Жатка для уборки трав РСМ-100.70.00.000
Жатка для уборки трав РСМ-100.70.00.000
Жатка для уборки трав РСМ-100.70.00.000
Вал карданный телескопический с защитным кожухом РСМ-10.016.2000-08
Жатка для уборки трав РСМ-100.70.00.000
Жатка для уборки трав РСМ-100.70.00.000
Жатка для уборки трав РСМ-100.70.00.000
Жатка для уборки трав РСМ-100.70.00.000
Мотовило РСМ-100.70.03.000
Мотовило РСМ-100.70.03.000
Шнек РСМ-100.70.04.000
Аппарат режущий РСМ-800.10.00.030
Аппарат режущий РСМ-800.10.00.030-01
Вал эксцентрика РСМ-100.70.05.630
Вал эксцентрика РСМ-100.70.05.630-01
Колебатель РСМ-100.70.05.540
Шкив РСМ-100.70.05.380Б / Маховик РСМ-100.70.05.270Б
Механизм уравновешивания РСМ-100.70.00.050
Механизм уравновешивания РСМ-100.70.00.050-01
Блок пружин РСМ-100.70.00.540
Блок пружин РСМ-100.70.00.550
Подвеска РСМ-100.70.00.510 / Подвеска РСМ-100.70.00.520
Устройство предохранительное РСМ-100.70.04.280
Устройство предохранительное мотовила 3518050-11310А
Опора РСМ-100.70.03.190
Звездочка натяжная РСМ-100.70.00.080А
Звездочка натяжная РСМ-100.70.00.310
Звездочка натяжная РСМ-100.70.00.330
Башмак РСМ-100.70.00.190
Шкив РСМ-100.70.00.110А
Контрпривод РСМ-100.70.00.200
Вал карданный РСМ-10.016.2100-08
Проставка РСМ-100.70.02.000
Проставка РСМ-100.70.02.000
Проставка РСМ-100.70.02.000
Битер РСМ-100.70.02.060
Устройство предохранительное 3518050-12040В
Звездочка натяжная РСМ-100.70.02.200
Платформа РСМ-100.72.00.000А
Платформа РСМ-100.72.00.000А
Платформа РСМ-100.72.01.000А
Платформа РСМ-100.72.01.000А
Платформа РСМ-100.72.01.000А
Платформа РСМ-100.72.01.000А
Платформа РСМ-100.72.01.000А
Шнек РСМ-100.72.01.020
Вал РСМ-100.72.01.090
Устройство предохранительное РСМ-100.72.01.420
Вал РСМ-100.72.01.710
Контрпривод РСМ-100.72.01.110
Муфта РСМ-100.72.01.190
Блок пружин РСМ-100.72.01.540
Рычаг РСМ-100.72.01.120
Рычаг РСМ-100.72.01.780
Рычаг РСМ-100.72.01.740
Тяга РСМ-100.72.01.760
Подборщик РСМ-100.72.02.000Б
Подборщик РСМ-100.72.02.000А
Подборщик РСМ-100.72.02.000Б
Подборщик РСМ-100.72.02.000Б
Подборщик РСМ-100.72.02.000А
Устройство подбирающее РСМ-100.72.02.510
Устройство подбирающее РСМ-100.72.02.510
Редуктор РСМ-100.72.02.210
Редуктор РСМ-100.72.02.210
Редуктор РСМ-100.72.02.210
Щиток РСМ-100.72.02.250
Эксцентрик с роликом РСМ-100.72.02.310
Сцепка РСМ-100.72.02.380
Колесо РСМ-100.72.02.430
Подборщик РСМ-100.72.02.000А
Подборщик РСМ-100.72.02.000А
Подборщик РСМ-100.72.02.000А
Подборщик РСМ-100.72.02.000А
Подборщик РСМ-100.72.02.000А
Подборщик РСМ-100.72.02.000А
Устройство подбирающее РСМ-100.72.02.020
Устройство подбирающее РСМ-100.72.02.020
Устройство подбирающее РСМ-100.72.02.030
Устройство подбирающее РСМ-100.72.02.030
Редуктор РСМ-100.72.02.210
Редуктор РСМ-100.72.02.210
Редуктор РСМ-100.72.02.210
Щиток РСМ-100.72.02.250
Эксцентрик с роликом РСМ-100.72.02.310
Сцепка РСМ-100.72.02.380
Колесо РСМ-100.72.02.430
Жатка роторная, ЖР-4000 РСМ-100.75.30.000
Жатка роторная РСМ-100.75.30.000
Проставка РСМ-100.75.39.000А
Проставка РСМ-100.75.39.000А
Проставка РСМ-100.75.39.000А
Проставка РСМ-100.75.39.000А
Проставка РСМ-100.75.39.000А
Проставка РСМ-100.75.39.000А
Муфта предохранительная РСМ-100.33.40.080
Вал карданный телескопический 01.040.3000-03
Жатка РСМ-100.75.30.010
Жатка РСМ-100.75.30.010
Жатка РСМ-100.75.30.010
Жатка РСМ-100.75.30.010
Жатка РСМ-100.75.30.010
Жатка РСМ-100.75.30.010
Жатка РСМ-100.75.30.010
Жатка РСМ-100.75.30.010
Делитель РСМ-100.75.37.000-01
Делитель РСМ-100.75.37.000
Приемная камера РСМ-100.75.34.000
Валка навески РСМ-100.75.35.000-01
Балка навески РСМ-100.75.35.000
Блок барабанов РСМ-100.75.32.000Б
Блок барабанов РСМ-100.75.32.000Б
Аппарат режущий РСМ-100.33.02.010 или РСМ-100.33.02.010-01
Привод угловой РСМ-100.75.33.000
Редуктор РСМ-100.75.33.010
Редуктор РСМ-100.75.33.010
Редуктор РСМ-100.75.33.010
Редуктор РСМ-100.33.33.070А
Редуктор РСМ-100.33.33.070А
Стакан РСМ-100.33.33.120Б
Муфта фрикционная РСМ-100.75.33.050
Опора РСМ-100.33.03.160А
Редуктор РСМ-100.75.33.020
Редуктор РСМ-100.75.33.020
Редуктор РСМ-100.75.33.020
Редуктор РСМ-100.75.33.020
Стакан РСМ-100.33.03.090
Аппарат питающий РСМ-100.05.03.000Г
Аппарат питающий РСМ-100.05.03.000Г
Аппарат питающий РСМ-100.05.03.000Г
Аппарат питающий РСМ-100.05.03.000Г
Аппарат питающий РСМ-100.05.03.000Г
Аппарат питающий РСМ-100.05.03.000Г
Аппарат питающий РСМ-100.05.03.000Г
Аппарат питающий РСМ-100.05.03.000Г
Аппарат питающий РСМ-100.05.03.000Г
Аппарат питающий РСМ-100.05.03.000Г
Аппарат питающий РСМ-100.05.03.000Г
Аппарат питающий РСМ-100.05.03.000Г
Аппарат питающий РСМ-100.05.03.000Г
Аппарат питающий РСМ-100.05.03.000Г
Аппарат питающий РСМ-100.05.03.000Г
Аппарат питающий РСМ-100.05.03.000Г
Аппарат питающий РСМ-100.05.03.000Г
Редуктор РСМ-100.05.03.010Б
Редуктор РСМ-100.05.03.010Б
Редуктор РСМ-100.05.03.010Б
Редуктор РСМ-100.05.03.010Б
Редуктор РСМ-100.05.03.010Б
Корпус редуктора РСМ-100.05.03.140Б
Блок шестерен РСМ-100.05.03.150А
Блок включения РСМ-100.05.03.370Б
Механизм переключения РСМ-100.05.03.700Б
Механизм переключения РСМ-100.05.03.700Б
Механизм переключения РСМ-100.05.03.700Б
Гидроцилиндр блокировки диапазонов 3518020-42180
Редуктор верхних вальцев РСМ-100.05.05.810
Редуктор верхних вальцев РСМ-100.05.05.810
Колесо зубчатое РСМ-100.05.03.400
Тяга РСМ-100.05.03.120
Тяга РСМ-100.05.05.290
Фланец РСМ-100.05.03.280
Крышка РСМ-100.05.00.670
Опора РСМ-100.05.03.410
Рычаг РСМ-100.05.03.430Б
Рычаг РСМ-100.05.03.450Б
Валец РСМ-100.05.03.470
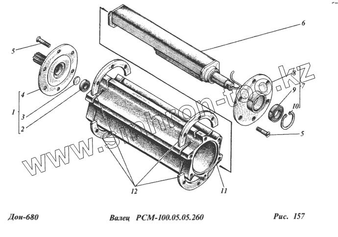
Валец РСМ-100.05.05.260
Муфта предохранительная РСМ-100.05.03.560А
Крышка РСМ-100.05.03.690
Тяга РСМ-100.05.03.720А
Рычаг РСМ-100.05.05.730
Растяжка РСМ-100.05.03.770
Фланец РСМ-100.05.03.820
Крышка РСМ-100.05.03.840
Шкив РСМ-100.05.03.920А
Аппарат измельчающий РСМ-100.06.00.000Е
Аппарат измельчающий РСМ-100.06.00.000Е
Аппарат измельчающий РСМ-100.06.00.000Е
Аппарат измельчающий РСМ-100.06.00.000Е
Аппарат измельчающий РСМ-100.06.00.000Е
Аппарат измельчающий РСМ-100.06.00.000Е
Аппарат измельчающий РСМ-100.06.00.000Е
Аппарат измельчающий РСМ-100.06.00.000Е
Аппарат измельчающий РСМ-100.06.00.000Е
Барабан РСМ-100.06.02.000Б
Барабан РСМ-100.06.05.000
Растяжка РСМ-100.06.00.700
Опора конфузора РСМ-100.01.00.070А
Конфузор РСМ-100.11.00.000В
Конфузор РСМ-100.11.00.000В
Крышка РСМ-100.11.00.140
Фланец РСМ-100.11.00.230
Устройство поворотное РСМ-100.18.00.000А
Устройство поворотное РСМ-100.18.00.000А
Устройство поворотное РСМ-100.18.00.000А
Устройство поворотное РСМ-100.18.00.000А
Корпус РСМ-100.18.00.020А
Силосопровод РСМ-100.19.00.000
Силосопровод РСМ-100.19.00.000
Леникс питателя РСМ-100.06.03.150
Леникс питателя РСМ-100.06.03.150
Леникс питателя РСМ-100.06.03.150
Леникс питателя РСМ-100.06.03.150
Шкив РСМ-100.06.03.020
Шкив РСМ-100.06.00.200
Натяжник РСМ-10Б.05.00.130
Пружина РСМ-10.05.00.610Г
Натяжник РСМ-10Б.05.00.130
Пружина РСМ-10.05.00.610
Механизм включения и выключения главного контрпривода РСМ-100.12.00.000А
Механизм включения и выключения главного контрпривода РСМ-100.12.00.000А
Механизм натяжения РСМ-100.12.00.010Б
Механизм натяжения РСМ-100.12.00.010Б
Пружина натяжения РСМ-100.12.00.020
Рычаг натяжной РСМ-100.12.00.100
Редуктор РСМ-100.01.00.010Б
Редуктор РСМ-100.01.00.010Б
Контрпривод РСМ-100.13.00.000
Механизм натяжения РСМ-100.13.00.050
Шкив РСМ-100.13.00.080
Натяжник РСМ-100.01.00.020А
Пружина РСМ-10.05.00.610Г
Топливопровод РСМ-100.14.06.000
Топливопровод РСМ-100.14.06.000
Установка моторно-силовая с двигателем ЯМЗ-238ДК-1 РСМ-100.08.06.000
Установка моторно-силовая с двигателем ЯМЗ-238ДК-1 РСМ-100.08.06.000
Установка моторно-силовая с двигателем ЯМЗ-238ДК-1 РСМ-100.08.06.000
Установка моторно-силовая с двигателем ЯМЗ-238ДК-1 РСМ-100.08.06.000
Установка моторно-силовая с двигателем ЯМЗ-238ДК-1 РСМ-100.08.06.000
Установка моторно-силовая с двигателем ЯМЗ-238ДК-1 РСМ-100.08.06.000
Установка моторно-силовая с двигателем ЯМЗ-238ДК-1 РСМ-100.08.06.000
Установка моторно-силовая с двигателем ЯМЗ-238ДК-1 РСМ-100.08.06.000
Воздухозаборник РСМ-10.05.18.000
Предочиститель инерционный ЯМЗ-238.10Б.06.000
Воздухоочиститель ЯМЗ-238-1109510-01
Клапан эжектора РСМ-10Б.06.21.000
Установка моторная с двигателем ЯМЗ-238ДК-1 РСМ-100.08.06.010
Установка моторная с двигателем ЯМЗ-238ДК-1 РСМ-100.08.06.010
Установка моторная с двигателем ЯМЗ-238ДК-1 РСМ-100.08.06.010
Установка моторная с двигателем ЯМЗ-238ДК-1 РСМ-100.08.06.010
Установка моторная с двигателем ЯМЗ-238ДК-1 РСМ-100.08.06.010
Установка моторная с двигателем ЯМЗ-238ДК-1 РСМ-100.08.06.010
Установка моторная с двигателем ЯМЗ-238ДК-1 РСМ-100.08.06.010
Установка моторная с двигателем ЯМЗ-238ДК-1 РСМ-100.08.06.010
Блок радиаторов РСМ-100.08.06.040
Блок радиаторов РСМ-100.08.06.040
Рамка РСМ-100.08.06.050А
Радиатор водяной РСМ-100.08.02.020
Слив РСМ-10Б.06.00.310
Установка моторно-силовая РСМ-100.08.00.000А
Установка моторно-силовая РСМ-100.08.00.000А
Установка моторно-силовая РСМ-100.08.00.000А
Установка моторно-силовая РСМ-100.08.00.000А
Установка моторно-силовая РСМ-100.08.00.000А
Установка моторно-силовая РСМ-100.08.00.000А
Установка моторно-силовая РСМ-100.08.00.000А
Воздухозаборник РСМ-10.05.18.000А
Воздухоочиститель 31А-12С2
Воздухозаборник вращающийся 31-12С3-1
Клапан эжектора 23-12С4
Установка моторная РСМ-100.08.01.000А
Установка моторная РСМ-100.08.01.000А
Установка моторная РСМ-100.08.01.000А
Установка моторная РСМ-100.08.01.000А
Установка моторная РСМ-100.08.01.000А
Установка моторная РСМ-100.08.01.000А
Система охлаждения РСМ-100.08.02.000А
Блок радиаторов РСМ-100.08.02.010
Радиатор воздушный РСМ-10.05.02.020В
Кронштейн РСМ-10.05.00.920
Двигатель РСМ-100.08.01.010
Двигатель РСМ-100.08.01.010
Двигатель РСМ-100.08.01.010
Топливопровод РСМ-100.14.00.000
Топливопровод РСМ-100.14.00.000
Топливопровод РСМ-100.14.01.000
Топливопровод РСМ-100.14.01.000
Шасси РСМ-100.07.00.000Б
Шасси РСМ-100.07.00.000Б
Шасси РСМ-100.07.00.000Б
Шасси РСМ-100.07.00.000Б
Шасси РСМ-100.07.00.000Б
Шасси РСМ-100.07.00.000Б
Шасси РСМ-100.07.00.000Б
Шасси РСМ-100.07.00.000Б
Шасси РСМ-100.07.00.000Б
Управление коробкой диапазонов РСМ-100.25.12.000
Управление коробкой диапазонов РСМ-100.25.12.000
Управление коробкой диапазонов РСМ-100.25.12.000
Блок переключения РСМ-100.25.12.010
Установка трубопроводов управления моста ведущих колес РСМ-100.25.34.000
Установка трубопроводов управления моста ведущих колес РСМ-100.25.34.000
Установка трубопроводов управления моста ведущих колес РСМ-100.25.34.000
Установка трубопроводов управления моста ведущих колес РСМ-100.25.34.000
Установка трубопроводов управления моста ведущих колес РСМ-100.25.34.000
Установка трубопроводов управления моста ведущих колес РСМ-100.25.34.000
Мост ведущих колес РСМ-100.07.02.000
Мост ведущих колес РСМ-100.07.02.000
Мост унифицированный ведущий 3518020-46400-01
Мост унифицированный ведущий 3518020-46400-01
Мост унифицированный ведущий 3518020-46400-01
Мост унифицированный ведущий 3518020-46400-01
Коробка диапазонов 3518020-43020
Коробка диапазонов 3518020-43020
Коробка диапазонов 3518020-43020
Коробка диапазонов 3518020-43020
Муфта соединительная 3518020-45870
Коробка диапазонов 3518020-43020
Коробка диапазонов 3518020-43020
Коробка диапазонов 3518020-43020
Дифференциал 3518020-43190
Корпус коробки диапазонов 3518020-43360
Механизм переключения диапазонов 3518020-43270
Механизм переключения диапазонов 3518020-43270
Механизм переключения диапазонов 3518020-43270
Механизм переключения диапазонов 3518020-43270
Механизм переключения диапазонов 3518020-43270
Гидроцилиндр блокировки диапазонов 3518020-42180
Редуктор правый МК-23М.04.000-01
Редуктор левый МК-23М.03.000Ж-01 / Редуктор правый МК-23М.04.000-01
Редуктор левый МК-23М.03.000Ж-01 / Редуктор правый МК-23М.04.000-01
Редуктор левый МК-23М.03.000Ж-01 / Редуктор правый МК-23М.04.000-01
Редуктор левый МК-23М.03.000Ж-01 / Редуктор правый МК-23М.04.000-01
Гидроцилиндр тормоза МК-23М.03.220А
Колесо зубчатое МК-23М.03.210А
Рычаг 3518020-43980
Водило МК-23М.03.160
Диски нажимные МК-23М.03.030А
Мост управляемых колес РСМ-8.02.02.000Б
Мост управляемых колес РСМ-8.02.02.010В
Мост управляемых колес РСМ-8.02.02.010В
Мост управляемых колес РСМ-8.02.02.010В
Мост управляемых колес РСМ-8.02.02.010В
Тяга рулевая РСМ-8.02.02.060А
Колесо управляемое РСМ-10.02.02.030А
Площадка РСМ-100.07.04.000Б
Рабочее место РСМ-100.25.00.000
Растяжка РСМ-100.25.00.030
Растяжка РСМ-100.25.00.060А
Растяжка РСМ-100.25.00.070
Кабина РСМ-100.25.02.000
Кабина РСМ-10.04.50.000Б
Кабина РСМ-10.04.50.000Б
Кабина РСМ-10.04.50.000Б
Кабина РСМ-10.04.50.000Б
Кабина РСМ-10.04.50.000Б
Дверь кабины РСМ-10.04.20.120Б
Площадка водителя РСМ-100.25.01.000В
Площадка водителя РСМ-100.25.01.000В
Площадка водителя РСМ-100.25.01.000В
Каркас РСМ-10.04.29.000А
Площадка управления РСМ-100.25.10.000Б
Площадка управления РСМ-100.25.10.000Б
Управление рулевое РСМ-100.25.13.000А
Управление рулевое РСМ-100.25.13.000А
Механизм управления ГСТРСМ-100.25.13.010А
Управление тормозами и коробкой диапазонов РСМ-100.25.14.000А
Управление тормозами и коробкой диапазонов РСМ-100.25.14.000А
Главный цилиндр РСМ-10.04.14.150
Привод ручного тормоза РСМ-100.25.15.000
Привод ручного тормоза РСМ-100.25.15.000
Привод ручного тормоза РСМ-100.25.15.000
Рычаг стояночного тормоза РСМ-100.25.15.010
Управление реверсом измельчителя РСМ-100.25.16.000А
Рычаг РСМ-100.25.16.010
Управление редуктором РСМ-100.25.17.000А
Управление редуктором РСМ-100.25.17.000А
Управление редуктором РСМ-100.25.17.000А
Управление подачей топлива РСМ-100.25.18.000А
Управление подачей топлива РСМ-100.25.18.000А
Управление подачей топлива РСМ-100.25.18.000А
Место установки кондиционера РСМ-10.04.23.000Б
Место установки кондиционера РСМ-10.04.23.000Б
Оборудование кабины РСМ-100.25.21.000
Оборудование кабины РСМ-100.25.21.000
Оборудование кабины РСМ-100.25.21.000
Оборудование кабины РСМ-100.25.21.000
Оборудование кабины РСМ-100.25.21.000
Оборудование кабины РСМ-100.25.21.000
Оборудование кабины РСМ-100.25.21.000
Оборудование кабины РСМ-100.25.21.000
Управление подачей топлива (как вариант исполнения) РСМ-100.25.18.000
Управление подачей топлива (как вариант исполнения) РСМ-100.25.18.000
Управление подачей топлива (как вариант исполнения) РСМ-100.25.18.000
Управление подачей топлива (как вариант исполнения) РСМ-100.25.18.000
Гидроцилиндр со штоком РСМ-100.19.00.120
Гидросистема агрегата измельчающего РСМ-100.21.31.000
Гидросистема агрегата измельчающего РСМ-100.21.31.000
Гидросистема агрегата измельчающего РСМ-100.21.31.000
Гидросистема агрегата измельчающего РСМ-100.21.31.000
Гидросистема агрегата измельчающего РСМ-100.21.31.000
Гидросистема агрегата измельчающего РСМ-100.21.31.000
Гидросистема агрегата измельчающего РСМ-100.21.31.000
Гидросистема агрегата измельчающего РСМ-100.21.31.000
Гидросистема рамы РСМ-100.21.35.000
Гидросистема рамы РСМ-100.21.35.000
Гидрораспределитель РСМ-100.21.35.200
Гидрораспределитель РСМ-100.21.35.210
Гидрораспределитель РСМ-100.21.35.220
Гидрораспределитель 2РЭ50-00
Гидрораспределитель 3РЭ50-20
Гидрораспределитель 3РЭ50-03
Секция рабочая РЭ50.01.000
Секция рабочая РЭ50.01.000-01
Секция рабочая РЭ50.01.000-03
Клапан электромагнитный РЭ50.01.100
Клапан запорный РМ50.01.200
Гидросистема дефлектора РСМ-100.21.37.000А
Гидросистема площадки водителя РСМ-100.21.42.000
Гидросистема двигателя ЯМЗ РСМ-100.21.36.000
Гидробак РСМ-10Б.09.59.030
Гидробак РСМ-10Б.09.59.050
Клапан предохранительно-переливной РСМ-100.21.31.030
Гидромотор РСМ-100.21.31.010 / РСМ-100.21.31.020
Полумуфта наружная Н.036.67.100-10
Полумуфта внутренняя Н.036.67.200-10
Гидроцилиндр РСМ-100.21.31.430
Гидроцилиндры РСМ-10Б.09.59.010 / РСМ-100.21.37.050
Гидроцилиндр ГА-93.000-06
Гидроцилиндр ГА-93.000-08
Насос дозатор РСМ-10Б.09.72.010
Гидроцилиндр в сборе РСМ-10.02.02.270
Гидросистема моста ведущих колес РСМ-100.21.33.000
Гидросистема моста ведущих колес РСМ-100.21.33.000
Фильтр РСМ-10.09.09.070
Гидропривод объемный ГСТ 90Л-00.000
Агрегат измельчающий (электрооборудование) РСМ-100.01.00.000
Агрегат измельчающий (электрооборудование) РСМ-100.01.00.000
Агрегат измельчающий (электрооборудование) РСМ-100.01.00.000
Агрегат измельчающий (электрооборудование) РСМ-100.01.00.000
Агрегат измельчающий (электрооборудование) РСМ-100.01.00.000
Блок диодов РСМ-10.10.20.030А
Щиток приборов РСМ-100.25.19.000Д-01
Щиток приборов РСМ-100.25.19.040А-01
Установка моторная (электрооборудование) РСМ-100.08.01.000А
Установка моторная (электрооборудование) РСМ-100.08.01.000А
Противовес РСМ-100.01.00.640
Ступенька РСМ-100.07.00.680
Капот (левая сторона) РСМ-100.17.00.000А
Капот (правая сторона) РСМ-100.17.00.000А
Капот РСМ-100.17.00.000А
Капот РСМ-100.17.00.000А
Капот РСМ-100.17.00.000А
Капот РСМ-100.17.00.000А
Капот РСМ-100.17.00.000А
Капот РСМ-100.17.00.000А
Капот РСМ-100.17.00.000А
Капот РСМ-100.17.00.000А
Капот РСМ-100.17.00.000А
Капот РСМ-100.17.00.000А
Капот РСМ-100.17.00.000А
Капот РСМ-100.17.00.000А
Капот РСМ-100.17.00.000А
Капот РСМ-100.17.00.000А
Крыша РСМ-100.17.05.060А
Опора РСМ-100.17.00.540Б / Радиатор масляный РСМ-10.05.04.080Б
Капот РСМ-100.17.00.010А
Люк РСМ-100.17.00.210
Крышка РСМ-100.17.00.620 / Люк РСМ-100.17.00.180
Лестница РСМ-100.07.00.200А
Ящик РСМ-100.07.00.490А
Установка емкости РСМ-100.07.06.000
Подкос РСМ-100.07.00.630
Капот (для двигателя СМД, левая сторона) РСМ-100.17.00.000А
Капот (для двигателя СМД, правая сторона) РСМ-100.17.00.000А
Капот (для двигателя СМД) РСМ-100.17.00.000А
Капот (для двигателя СМД) РСМ-100.17.00.000А
1
2
2
3
4
5
5
6
7
8
9
9
10
11
12
Позиция на иллюстрации
Заводской номер детали
Название детали
1
РСМ-100.05.03.700
Цапфа
2
180204С17
Подшипник или 180204К10С27
2
180204К10С27
Подшипник или 180204С17
3
РСМ-100.05.03.461
Шайба
4
РСМ-100.05.05.710
Цапфа
5
РСМ-100.05.05.618
Винт
6
АУЦ-5.032.010
Датчик
7
РСМ-100.05.05.270
Фланец
8
РСМ-100.05.05.720
Цапфа
9
180207АС17
Подшипник или 180207К10С27
9
180207К10С27
Подшипник или 180207АС17
10
С72
Кольцо
11
РСМ-100.05.03.022
Валец
12
РСМ-100.05.03.494
Полукольцо
Содержащиеся в справочниках-каталогах запасные части и детали не предлагаются к продаже, а носят исключительно информационный характер
Дополнительная информация
×
Название:
Номер:
Примечание: