Вернуться на главную
Поиск
Каталоги запчастей к технике
Сельхозтехника
РСМ
Дон (общий каталог)
Вентилятор
Каталог запасных частей к технике: РСМ Дон (общий каталог). Вентилятор
zoom-in
zoom-out
enlarge
shrink
circle-right
circle-left
file-text2
info
cart
Тип техники
Не выбрано
Легковые автомобили
Грузовые автомобили и прицепы
Автобусы
Сельхозтехника
Спецтехника
Двигатели
Мототехника
Марка
Не выбрано
AGCO
Amity
CASE IH
DongFeng
Fortschritt
Foton
Franz Kleine
Gaspardo
Great Plains
KRONE
KUHN
Lemken
Lovol
MacDon
Massey Ferguson
New Holland
TIGARBO
Vaderstad
Versatile
Wirax
Агро
Агротехмаш
Бобруйскагромаш (ОАО «УКХ «Бобруйскагромаш»)
БЭМЗ
ВгТЗ
Воронежсельмаш
ВТЗ
Гомсельмаш
ДКЗ
ЗАО "Техника-сервис"
ЗиД
КЗК
Кировец-Ландтехник
Клевер
Красная Звезда
Лидагропроммаш
Лидсельмаш
ЛТЗ
Машстройхолдинг
Минитракторы
Мордовагромаш
МТЗ
Навигатор-Новое машиностроение
Нефтекамский автозавод
ПТЗ
Ремком
РСМ
Сибсельмаш
ТеКЗ
ТКЗ
ХЗТСШ
ХТЗ
ЮМЗ
Модель
Не выбрано
CK-5М-1 «Нива»
CK-5М-1 «Нива» (2002)
Vector-450 (Часть 1) (2018)
Vector-450 (Часть 2) (2018)
Дон (общий каталог)
Дон 1200
Дон 1200Б
Дон 1500А
Дон 1500Б
Жатка 3518050-12010 (2020)
Жатка S300.27 (2020)
Жатка ЖЗТ-9 (2020)
Жатка ЖКС (2020)
Жатка ЖСУ-700 (2020)
Жатка ЖСУ-703 (2020)
Жатка РСМ-081.27 (2010)
Жатка РСМ-081.27 (2020)
Жатка РСМ-081.27 (вариант) (2010)
Жатка РСМ-100.70, 1401.70 (2007)
Жатка РСМ-161.27 (2020)
Платформа-подборщик РСМ-081.08 (2020)
Платформа-подборщик РСМ-091.08 (2020)
ППК-81 Argus (2020)
РСМ 2375 (2020)
РСМ-100 (Дон-680) (2002)
РСМ-100 (Дон-680М) (2010)
РСМ-101 "Вектор" (2010)
РСМ-101 "Вектор" (вариант) (2010)
РСМ-10Б "Дон-1500Б" (2006)
РСМ-1401 (2009)
РСМ-142 "Acros" (2010)
РСМ-142 "Acros" вариант (2010)
РСМ-142 (Acros-550) (2020)
РСМ-152 "Acros-590/595 Plus" Часть 1 (2020)
РСМ-152 "Acros-590/595 Plus" Часть 2 (2020)
РСМ-161 (Часть 1) (2015)
РСМ-161 (Часть 2) (2015)
РСМ-181 "Torum-740" (2010)
РСМ-181 "Torum-740" (вариант) (2010)
Стол рапсовый RSM001.00.000К (2020)
Тележка для перевозки жатки РСМ-142.29 (2020)
Тележка РСМ-142.29 (2009)
Тележка транспортная ТТ-4000 (2020)
Энергосредство ЭС-1 (2009)
Схема
>
Не выбрано
Кабина (1500Б, 1200Б)
Кабина (1500Б, 1200Б)
Опора кабины (1500Б, 1200Б)
Кабина (1500Б, 1200Б)
Дверь кабины (1500Б, 1200Б)
Дверь кабины (1500Б, 1200Б)
Площадка водителя (1500Б, 1200Б)
Кабина (1500А)
Рычаг включения привода наклонной камеры (1500Б, 1200Б)
Рычаг подъема подбарабанья (1500Б, 1200Б)
Управление гидросистемой трансмиссии (1500Б, 1200Б)
Механизм включения гидростатической трансмиссии (1500Б, 1200Б)
Управление подачей топлива (1500Б, 1200Б)
Управление подачей топлива (1500А)
Управление подачей топлива (1500Б, 1200Б)
Управление коробкой диапазонов (1500Б, 1200Б)
Тормоз стояночный (1500Б, 1200Б)
Управление тормозами (1500Б, 1200Б)
Главный цилиндр (1500Б, 1200Б)
Управление рулевое (1500Б, 1200Б)
Рулевая колонка (1500Б, 1200Б)
Рулевая колонка (1500А)
Механизм управления гидросистемой (1500А)
Вентилятор (1500Б, 1200Б)
Вентилятор (1500Б, 1200Б)
Установка отопителя (1500Б, 1200Б)
Отопитель (1500Б, 1200Б)
Установка кондиционера фирмы "Konvekta" (1500Б, 1200Б)
Установка трубопроводов управления моста ведущих колес (1500Б, 1200Б)
Площадка входа в кабину (1500Б, 1200Б)
Механизм поворота лестницы (1500Б, 1200Б)
Дизель СМД-31А
Блок-картер
Картер маховика
Картер и крышка
Поршень с шатуном
Вал коленчатый
Маховик
Передний носок коленчатого вала
Распределение
Головка цилиндров
Колпак головки цилиндров
Крышка картера нижняя
Насос масляный
Фильтр масляный
Установка электрофакельного подогревателя
Установка гидронасоса
Установка гидронасоса
Труба водяная и коллектор впускной
Система топливная
Топливный фильтр тонкой очистки
Форсунка
Воздухоочиститель
Воздухозаборник и клапан эжектора
Установка турбокомпрессора
Корпус компрессора
Корпус средний
Корпус турбины
Коллекторы выпускные
Глушитель
Теплообменник водомасляный с центрифугой
Насос водяной и вентилятор
Ролик натяжной
Термостат
Установка стартера
Установка счетчика моточасов
Установка генератора
Установка вала съема мощности
Инструмент и принадлежности для двигателей СМД-31А и СМД-23
Дизель СМД-23
Блок-картер
Трубка сливная
Патрубок маслоналивной
Картер маховика
Картер и крышка картера шестерен
Поршень с шатуном
Вал коленчатый
Маховик
Передний носок коленчатого вала
Распределение
Головка цилиндров
Механизм газораспределения
Колпак головки цилиндров
Крышка картера нижняя
Насос масляный
Центрифуга масляная полнопоточная
Фильтр
Установка подогревателя
Установка гидронасоса
Установка гидронасоса
Труба водяная и коллектор впускной
Система топливная
Топливный фильтр тонкой очистки
Форсунка
Воздухоочиститель
Воздухозаборник и клапан эжектора
Установка турбокомпрессора
Корпус компрессора
Корпус средний
Корпус турбины
Система выпускная
Насос водяной и вентилятор
Ролик натяжной
Установка термостата
Установка стартера
Установка счетчика моточасов
Установка генератора
Генератор
Установка вала съема мощности с маховика
Инструмент и принадлежности для двигателей СМД-31А и СМД-23
Дизель ЯМЗ-238АК
Блок цилиндров
Головка цилиндров
Поршень и шатун
Коленчатый вал
Распределительный вал
Клапаны и толкатели
Газопровод
Поддон блока цилиндров
Масляный насос
Фильтр центробежной очистки масла
Фильтр грубой очистки масла
Установка шкива
Установка гидронасоса
Привод топливного насоса высокого давления
Топливопроводы
Топливный насос
Топливный насос высокого давления
Форсунка
Впускной коллектор
Регулятор частоты вращения
Регулятор частоты вращения
Муфта опережения впрыска топлива
Фильтр тонкой очистки топлива
Термостаты системы охлаждения
Водяной насос
Вентилятор
Натяжное устройство
Установка насоса
Установка стартера
Стартер
Реле стартера
Установка генератора
Установка механизма отбора мощности
Инструмент и принадлежности для двигателей ЯМЗ-238АК и ЯМЗ-236ДК
Дизель Д-461/51
Блок-картер и картер маховика
Картер шестерен
Поршень и шатун
Вал коленчатый
Механизм отбора мощности с носка коленчатого вала
Механизм газораспределения
Головка цилиндров
Крышка картера нижняя
Насос масляный
Центрифуга с разборным масляным фильтром
Система топливная
Насос топливный
Насос топливоподкачивающий
Регулятор
Система турбонаддува
Форсунка
Жидкостно-масляный теплообменник
Насос водяной и вентилятор
Система выпуска
Стартер с проставкой
Генератор счетчика моточасов
Привод отбора мощности с хвостовика коленчатого вала
Привод гидравлических насосов
Инструмент и принадлежности для двигателей Д-461/51 и Д-446/51
Механизм включения привода молотилки
Установка моторно-силовая комбайна с двигателем СМД-31А (1500Б)
Установка моторно-силовая (устанавливать с двигателем СМД-31А) (1500Б)
Установка моторно-силовая (крепление трубопроводов) (1500Б)
Блок радиаторов (устанавливать с двигателем СМД-31А, СМД-23, Д-461/51, Д-446/51)
Радиатор водяной (устанавливать с двигателем СМД-31А, СМД-23, Д-461/51, Д-446/51)
Установка трубопроводов блока радиаторов
Радиатор воздушный (устанавливать с двигателем СМД-31А, СМД-23)
Воздухозаборник
Установка гидронасоса
Капот
Капот радиатора
Топливопровод
Натяжник привода компрессора кондиционера
Площадка двигателя передняя
Площадка обслуживания двигателя
Натяжное устройство
Воздухоочистка
Бак топливный
Установка моторно-силовая комбайна с двигателем СМД-23 (1200Б)
Установка моторно-силовая (устанавливать с двигателем СМД 23) (1200Б)
Установка моторно-силовая (1200Б)
Установка моторно-силовая (1200Б)
Установка моторно-силовая (с двигателем Д-461/51) (1500Б)
Установка моторно-силовая (с двигателем Д-461/51) (1500Б)
Установка моторно-силовая (с двигателем Д-461/51) (1500Б)
Установка моторно-силовая (с двигателем Д-461/51) (1500Б)
Установка моторно-силовая (с двигателем Д-461/51) (1500Б)
Топливопровод
Установка моторно-силовая (с двигателем ЯМЗ-238АК, ЯМЗ-236ДК)
Установка моторно-силовая (с двигателем ЯМЗ-238АК, ЯМЗ-236ДК)
Установка моторно-силовая (с двигателем ЯМЗ-238АК, ЯМЗ-236ДК)
Установка моторно-силовая (с двигателем ЯМЗ-238АК, ЯМЗ-236ДК)
Блок радиаторов (устанавливать с двигателем ЯМЗ-238АК)
Площадка обслуживания двигателя (устанавливать с двигателем ЯМЗ-238АК)
Топливопровод
Шасси (1500Б, 1200Б)
Вал соединительный (1500Б, 1200Б)
Рычаг (1500Б, 1500А, 1200Б)
Подвеска (1500Б, 1200Б)
Подвеска (1500Б, 1200Б)
Рама (1500Б, 1200Б)
Установка лотка (для комбайнов с копнителем) (1500Б, 1200Б)
Шасси (для комбайнов с копнителем и измельчителем) (1500А)
Вал соединительный (1500А)
Рычаг задней подвески верхнего решета (1500А)
Рама, лоток (1500А)
Мост ведущий с гидроприводом
Редуктор бортовой МК-23М.04.000 (правый), МК-23М.03.000ж (левый)
Редуктор бортовой
Коробка диапазонов ведущего моста с гидроприводом
Коробка диапазонов ведущего моста с гидроприводом
Коробка диапазонов и дифференциал ведущего моста с гидроприводом
Механизм переключения коробки диапазонов ведущего моста с гидроприводом
Колесо ведущее (левое и правое)
Мост управляемых колес
Колесо управляемое (левое и правое)
Платформа-подборщик
Платформа-подборщик
Платформа-подборщик
Фланец правой боковины
Шнек, устройство предохранительное шнека (1500Б, 1200Б)
Шнек платформы (1500А, 1200)
Проставка
Битер проставки (1500Б, 1200Б)
Битер проставки платформы (1500А, 1200)
Шкив вариатора верхний
Шкив вариатора нижний
Вал контрпривода платформы и опора
Транспортер подборщика захватом 3,4 м
Транспортер подборщика захватом 2,75 м
Полотно транспортера
Вал ведущий
Вал ведущий
Вал ведомый
Устройство разгружающее, нормализатор
Колесо
Колесо
Жатвенная часть
Корпус жатки
Механизм уравновешивания жатки левый
Механизм уравновешивания жатки правый
Компенсатор и подвеска жатки
Механизм привода рабочих органов жатки (1500Б, 1200Б)
Привод режущего аппарата (1500А)
Вал карданный привода жатки (1500Б,1200Б)
Вал карданный привода жатки (1500А,1200)
Аппарат режущий
Механизм качающейся шайбы
Механизм качающейся шайбы (1500Б,1200Б)
Механизм качающейся шайбы (1500А,1200)
Механизм качающейся шайбы (1500А,1200)
Вал контрприводной
Вал опоры
Шкив обводной привода МКШ
Шкив натяжной привода МКШ
Звездочка
Звездочка натяжная
Мотовило захватом 6 и 7 м
Мотовило захватом 8,6 м
Поддержки мотовила с механизмом регулировки
Устройство предохранительное, привод мотовила
Шкив ведущий вариатора мотовила
Шкив ведомый вариатора мотовила
Шнек жатки
Шнек жатки (1500А, 1200)
Фланец правой боковины
Проставка
Корпус проставки
Битер проставки (1500Б, 1200Б)
Битер проставки жатки (1500А, 1200)
Щитки уплотнительные
Щитки ограждения левой боковины жатки
Контрпривод жатки, башмак жатки
Камера наклонная (1500Б, 1200Б)
Камера наклонная (1500А, 1200)
Камера наклонная
Вал верхний наклонной камеры (1500Б, 1500А, 1200Б, 1200)
Вал верхний наклонной камеры (1500А, 1200)
Вал нижний транспортера наклонной камеры (1500Б, 1200Б)
Вал нижний транспортера наклонной камеры (1500А, 1200)
Транспортер наклонной камеры
Устройство предохранительное, механизм реверса, вал трансмиссионный
Звездочка натяжная контрприводного вала
Рама тележки для транспортирования жатки
Блок колес тележки для транспортирования жатки
Панель левая передней секции молотилки (1500Б, 1200, 1200Б)
Панель левая передней секции молотилки (1500А)
Панель правая передней секции молотилки (1500Б, 1200, 1200Б)
Панель правая передней секции молотилки (1500А)
Барабан молотильный
Вариатор барабана (1500Б, 1200Б)
Вариатор барабана (1500А)
Подбарабанье (1500Б, 1200Б)
Подбарабанье (1500А)
Вал торсиона (1500Б, 1200Б)
Вал торсиона (1500А)
Битер отбойный (1500Б, 1200Б)
Битер отбойный (1500А)
Шкив вариатора ведущий (1500Б, 1200Б)
Шкив вариатора ведущий (1500А)
Механизм включения и выключения привода жатки (1500Б, 1200Б)
Механизм включения и выключения привода жатки (1500А)
Панель правая каркаса молотилки (1500Б, 1200Б)
Панель правая каркаса молотилки (1500А)
Панель левая каркаса молотилки (1500Б, 1200Б)
Панель левая каркаса молотилки (1500А)
Рычаг (1500Б, 1200Б)
Рычаг (1500А)
Контрпривод (для комбайнов с копнителем) (1500Б, 1200Б)
Ролик натяжной (для комбайнов с копнителем) (1500Б, 1200Б)
Ролик натяжной (1500Б, 1200Б)
Ролик натяжной (1500А)
Ролик натяжной (1500Б, 1200Б)
Ролик натяжной (1500А)
Ролик (1500Б, 1200Б)
Шкив натяжной привода соломотряса (1500Б, 1200Б)
Устройство натяжное привода половонабивателя (для комбайнов с копнителем) (1500Б, 1200Б)
Крыша (1500Б, 1200Б)
Кожух вентилятора (1500Б, 1200Б)
Кожух вентилятора (1500А)
Вентилятор (1500Б, 1200Б)
Вентилятор (1500А)
Контрпривод вентилятора (1500Б, 1200Б)
Контрпривод вентилятора (1500А)
Блок шнеков (1500Б, 1200Б)
Блок шнеков (1500А)
Решето нижнее (1500Б, 1200Б)
Стан решетный нижний (1500А)
Решето верхнее (1500Б, 1200Б)
Решето верхнее (1500А)
Удлинитель (1500Б, 1200Б)
Удлинитель верхнего решета (1500А)
Стрясная доска (1500Б, 1200Б)
Стрясная доска (1500А)
Привод очистки (1500Б, 1200Б)
Привод очистки (1500А)
Активатор (1500Б, 1200Б)
Стан решетный верхний (1500А)
Соломотряс (1500Б, 1200Б)
Коленвалы соломотряса (1500Б, 1200Б)
Задний контрпривод (1500Б, 1200Б)
Половонабиватель (для комбайнов с копнителем) (1500Б, 1200Б)
Половонабиватель (1500А)
Бункер (1500Б, 1200Б)
Бункер (1500Б, 1200Б)
Днище бункера (1500Б, 1200Б)
Днище бункера (1500А)
Днище бункера (1500Б, 1200Б)
Привод выгрузного шнека (1500Б, 1200Б)
Привод выгрузного шнека (1500А)
Шнек зерновой наклонный (1500Б, 1200Б)
Шнек зерновой наклонный (1500А)
Редуктор шнека зернового наклонного (1500Б, 1200Б)
Шнек распределительный домолачивающего устройства (1500Б, 1200Б)
Шнек выгрузной (1500Б, 1200Б)
Шнек выгрузной (1500А)
Шнек выгрузной (1500Б, 1200Б)
Элеватор зерновой (1500Б, 1200Б)
Элеватор зерновой (1500А)
Элеватор колосовой (1500Б, 1200Б)
Домолачивающее устройство (1500Б, 1200Б)
Копнитель (1500Б, 1200Б)
Копнитель (1500Б, 1200Б)
Боковина и капот копнителя (1500Б, 1200Б)
Днище (1500Б, 1200Б)
Днище (1500А)
Граблина правая, граблина левая (1500Б, 1200Б)
Граблина правая, граблина левая (1500А)
Вал сбрасывания. Рычаг правый. Тяга защелки (1500Б, 1200Б, 1500А)
Датчик копнителя (1500Б, 1200Б, 1500А)
Сигнализатор копнителя (1500Б, 1200Б, 1500А)
Универсальное приспособление для уборки незерновой части урожая (1500Б, 1200Б)
Универсальное приспособление ПКН-1500 (1500А)
Установка щитка ограждения вентилятора (1500Б, 1200Б)
Установка щитка ограждения барабана (1500Б, 1200Б)
Установка шкива натяжного (1500Б, 1200Б)
Шкив натяжной (1500А)
Установка ролика (1500Б, 1200Б)
Ролик натяжной (1500А)
Установка ролика натяжного привода вентилятора (1500Б, 1200Б)
Вентилятор (1500Б, 1200Б)
Вентилятор (1500А)
Шнек (1500Б, 1200Б)
Шнек (1500А)
Половопровод (1500Б, 1200Б)
Половопровод (1500А)
Соломопровод (1500Б, 1200Б)
Соломопровод, проставка (1500А)
Капот (1500Б, 1200Б)
Капот (1500А)
Блок измельчителя (1500Б, 1200Б)
Блок измельчителя (1500А)
Разбрасыватель (1500Б, 1200Б)
Разбрасыватель (1500А)
Противорежущее устройство (1500Б, 1200Б)
Противорежущее устройство (1500А)
Доска транспортирующая (1500Б, 1200Б)
Ролик натяжной привода контрпривода измельчителя (1500Б, 1200Б)
Установка автосцепки (1500Б, 1200Б)
Опора (1500А)
Захват (1500Б, 1200Б)
Прицеп (1500Б, 1200Б)
Гидрооборудование комбайна с уст. двигателей СМД-31А и СМД-23 (1500Б, 1200Б)
Гидрооборудавание комбайна (1500Б, 1200Б)
Гидрооборудавание комбайна "Дон 1500А"
Оборудование основной гидросистемы (1500Б, 1200Б)
Гидрооборудование (1500Б, 1200Б)
Гидростатическая трансмиссия (1500Б, 1200Б)
Гидробак (1500Б, 1200Б)
Гидрооборудование ходовой части (1500Б, 1200Б)
Гидрооборудование ходовой части (1500А)
Гидрооборудование комбайна с установкой двигателя ЯМЗ-238АК (1500Б, 1200Б)
Гидрооборудование комбайна с установкой двигателя ЯМЗ-238АК (1500Б, 1200Б)
Оборудование основной гидросистемы с уст. двигателя ЯМЗ-238АК (1500Б, 1200Б)
Оборудование ходовой части с установкой двигателя ЯМЗ-238АК (1500Б, 1200Б)
Гидрораспределитель (для комбайнов с измельчителем) (1500Б, 1200Б)
Усилитель потока (1500А)
Гидрораспределитель (1500Б, 1200Б)
Распределитель (1500Б, 1200Б)
Насос шестеренный (1500Б, 1200Б)
Клапан напорный (1500Б, 1200Б)
Гидроклапан с электромагнитным управлением (1500Б, 1200Б)
Клапан дросселирующий настраиваемый (1500Б, 1200Б)
Клапан-сигнализатор (1500Б, 1200Б)
Гидроцилиндр вариатора барабана (1500Б, 1200Б)
Гидроцилиндр (1500Б, 1200Б)
Гидроцилиндр (1500Б, 1200Б)
Гидроцилиндр горизонтального перемещения мотовила (1500Б, 1200Б)
Гидроцилиндр горизонтального перемещения мотовила (1500Б, 1200Б)
Гидроцилиндр (1500Б, 1200Б)
Гидроцилиндр (1500Б, 1200Б)
Гидроцилиндр (1500Б, 1200Б)
Гидроцилиндр подъема мотовила (1500Б, 1200Б)
Гидроцилиндр (1500Б, 1200Б)
Гидроцилиндр (1500Б, 1200Б)
Гидроцилиндр поворота выгрузного шнека (1500Б, 1200Б)
Гидрооборудование комбайна с установкой двигателя Д-451/61 (1500Б, 1200Б)
Оборудование ходовой части с установкой двигателя Д-451/61 (1500Б, 1200Б)
Электрооборудование комбайна (1500Б, 1200Б)
Сигнализатор (1500Б, 1200Б)
Электрооборудование кабины (1500Б, 1200Б)
Щиток приборов (1500Б, 1200Б)
Панели (1500Б, 1200Б)
Пульт электрогидравлики (1500Б, 1200Б)
Электрооборудование рулевой колонки (1500Б, 1200Б)
Фара мигалка (1500Б, 1200Б)
Ящик аккумуляторный (1500Б, 1200Б)
Фара (1500Б, 1200Б)
Фонари (1500Б, 1200Б)
Провода электрические и жгуты (1500Б, 1200Б)
Провода электрические и жгуты (1500Б, 1200Б)
Провода электрические и жгуты (1500Б, 1200Б)
Провода электрические и жгуты (1500Б, 1200Б)
Провода электрические и жгуты (1500Б, 1200Б)
Провода электрические и жгуты (1500Б, 1200Б)
Провода электрические и жгуты (1500Б, 1200Б)
Провода электрические и жгуты (1500Б, 1200Б)
Провода электрические и жгуты (1500Б, 1200Б)
Провода электрические и жгуты (1500Б, 1200Б)
Провода электрические и жгуты (1500Б, 1200Б)
Щиток приборов (1500А)
Провода электрические и жгуты (1500А)
Провода электрические и жгуты (1500А)
Провода электрические и жгуты (1500А)
Провода электрические и жгуты (1500А)
Установка огнетушителя (1500Б, 1200Б)
Принадлежности (1500Б, 1200Б)
Принадлежности (1500Б, 1200Б)
Инструмент (1500Б, 1200Б)
Принадлежности (1500Б, 1200Б)
Общий вид комбайнов Дон-1500Б
Общий вид комбайнов Дон-1200Б
Общий вид комбайнов Дон-1500А, 1200
Общий вид комбайнов Дон-1500Б
Общий вид комбайнов в разрезе с жаткой и копнителем Дон-1500Б, Дон-1500А
Схема ременных и цепных передач комбайнов (левая сторона) (1500Б, 1200Б)
Схема ременных и цепных передач комбайнов (правая сторона) (1500Б, 1200Б)
Схема передач платформы-подборщика (1500Б, 1200Б)
Схема передач измельчителей ПКН-1500Б (1200Б) (левая сторона) (1500Б, 1200Б)
Схема ременных передач измельчителей ПКН-1500Б (1200Б) (правая сторона) (1500Б, 1200Б)
Схема ременных передач измельчителя-разбрасывателя (правая сторона) (1500Б, 1200Б)
Схема ременных передач "Дон-1500А" (левая сторона) (1500А)
Схема ременных передач "Дон-1500А" (правая сторона) (1500А)
Схема передач измельчителя ПКН-1500 (левая сторона) (1500А)
Схема передач измельчителя ПКН-1500 (правая сторона) (1500А)
Схема расположения подшипников платформы-подборщика (1500Б, 1200Б)
Схема расположения подшипников измельчителя ПКН-1500Б (1200Б) (1500Б, 1200Б)
Схема расположения подшипников измельчителя-разбрасывателя ПКН-1500Б-01 (1200Б-01) (1500Б, 1200Б)
Схема расположения подшипников измельчителя ПКН-1500 (1500А)
Установка натяжника привода ГСТ (1500А)
Контрпривод (в измельчитель) (1500А)
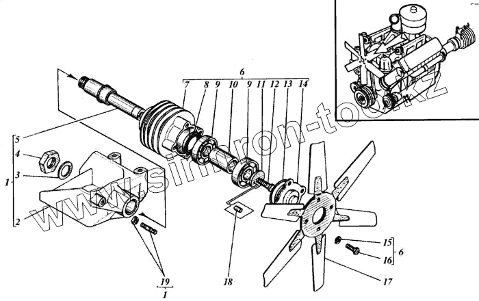
1
1
2
3
4
5
6
6
7
8
9
9
10
11
12
13
14
15
16
17
18
19
Позиция на иллюстрации
Заводской номер детали
Название детали
1
238АК-1002200
Опора привода вентилятора
2
238АК-100.2202
Опора привода вентилятора
3
27
Шайба
4
311412-П2
Гайка
5
238АК-1308050
Ось привода вентилятора
6
238АК-1308011
Привод вентилятора
7
238АК-1308025
Шкив
8
238Б-1029240
Манжета
9
306А
Подшипник
10
238АК-1308051
Втулка
11
840.1029142
Шайба упорная
12
313404-П2
Штифт 5х12
13
066-072-36-2-1
Кольцо ГОСТ 18829-73
14
238АК-1308121
Крышка
15
252136-П2
Шайба
16
201499-П29
Болт крепления фильтра
17
238АК-1308012
Крыльчатка вентилятора
18
313404-П2
Штифт 5х12
19
238АК-3701792
Проставка
Содержащиеся в справочниках-каталогах запасные части и детали не предлагаются к продаже, а носят исключительно информационный характер
Дополнительная информация
×
Название:
Номер:
Примечание: