Вернуться на главную
Поиск
Каталоги запчастей к технике
Сельхозтехника
РСМ
Дон 1500Б
Камера наклонная
Каталог запасных частей к технике: РСМ Дон 1500Б. Камера наклонная
zoom-in
zoom-out
enlarge
shrink
circle-right
circle-left
file-text2
info
cart
Тип техники
Не выбрано
Легковые автомобили
Грузовые автомобили и прицепы
Автобусы
Сельхозтехника
Спецтехника
Двигатели
Мототехника
Марка
Не выбрано
AGCO
Amity
CASE IH
DongFeng
Fortschritt
Foton
Franz Kleine
Gaspardo
Great Plains
KRONE
KUHN
Lemken
Lovol
MacDon
Massey Ferguson
New Holland
TIGARBO
Vaderstad
Versatile
Wirax
Агро
Агротехмаш
Бобруйскагромаш (ОАО «УКХ «Бобруйскагромаш»)
БЭМЗ
ВгТЗ
Воронежсельмаш
ВТЗ
Гомсельмаш
ДКЗ
ЗАО "Техника-сервис"
ЗиД
КЗК
Кировец-Ландтехник
Клевер
Красная Звезда
Лидагропроммаш
Лидсельмаш
ЛТЗ
Машстройхолдинг
Минитракторы
Мордовагромаш
МТЗ
Навигатор-Новое машиностроение
Нефтекамский автозавод
ПТЗ
Ремком
РСМ
Сибсельмаш
ТеКЗ
ТКЗ
ХЗТСШ
ХТЗ
ЮМЗ
Модель
Не выбрано
CK-5М-1 «Нива»
CK-5М-1 «Нива» (2002)
Vector-450 (Часть 1) (2018)
Vector-450 (Часть 2) (2018)
Дон (общий каталог)
Дон 1200
Дон 1200Б
Дон 1500А
Дон 1500Б
Жатка 3518050-12010 (2020)
Жатка S300.27 (2020)
Жатка ЖЗТ-9 (2020)
Жатка ЖКС (2020)
Жатка ЖСУ-700 (2020)
Жатка ЖСУ-703 (2020)
Жатка РСМ-081.27 (2010)
Жатка РСМ-081.27 (2020)
Жатка РСМ-081.27 (вариант) (2010)
Жатка РСМ-100.70, 1401.70 (2007)
Жатка РСМ-161.27 (2020)
Платформа-подборщик РСМ-081.08 (2020)
Платформа-подборщик РСМ-091.08 (2020)
ППК-81 Argus (2020)
РСМ 2375 (2020)
РСМ-100 (Дон-680) (2002)
РСМ-100 (Дон-680М) (2010)
РСМ-101 "Вектор" (2010)
РСМ-101 "Вектор" (вариант) (2010)
РСМ-10Б "Дон-1500Б" (2006)
РСМ-1401 (2009)
РСМ-142 "Acros" (2010)
РСМ-142 "Acros" вариант (2010)
РСМ-142 (Acros-550) (2020)
РСМ-152 "Acros-590/595 Plus" Часть 1 (2020)
РСМ-152 "Acros-590/595 Plus" Часть 2 (2020)
РСМ-161 (Часть 1) (2015)
РСМ-161 (Часть 2) (2015)
РСМ-181 "Torum-740" (2010)
РСМ-181 "Torum-740" (вариант) (2010)
Стол рапсовый RSM001.00.000К (2020)
Тележка для перевозки жатки РСМ-142.29 (2020)
Тележка РСМ-142.29 (2009)
Тележка транспортная ТТ-4000 (2020)
Энергосредство ЭС-1 (2009)
Схема
>
Не выбрано
Кабина
Кабина
Опора кабины
Кабина
Дверь кабины
Дверь кабины
Площадка водителя
Рычаг включения привода наклонной камеры
Рычаг подъема подбарабанья
Управление гидросистемой трансмиссии
Механизм включения гидростатической трансмиссии
Управление подачей топлива
Управление подачей топлива
Управление коробкой диапазонов
Тормоз стояночный
Управление тормозами
Главный цилиндр
Управление рулевое
Рулевая колонка
Вентилятор
Вентилятор
Установка отопителя
Отопитель
Установка кондиционера фирмы "Konvekta"
Установка трубопроводов управления моста ведущих колес
Площадка входа в кабину
Механизм поворота лестницы
Дизель СМД-31А
Блок-картер
Картер маховика
Картер и крышка
Поршень с шатуном
Вал коленчатый
Маховик
Передний носок коленчатого вала
Распределение
Головка цилиндров
Колпак головки цилиндров
Крышка картера нижняя
Насос масляный
Фильтр масляный
Установка электрофакельного подогревателя
Установка гидронасоса
Установка гидронасоса
Труба водяная и коллектор впускной
Система топливная
Топливный фильтр тонкой очистки
Форсунка
Воздухоочиститель
Воздухозаборник и клапан эжектора
Установка турбокомпрессора
Корпус компрессора
Корпус средний
Корпус турбины
Коллекторы выпускные
Глушитель
Теплообменник водомасляный с центрифугой
Насос водяной и вентилятор
Ролик натяжной
Термостат
Установка стартера
Установка счетчика моточасов
Установка генератора
Установка вала съема мощности
Инструмент и принадлежности для двигателей СМД-31А и СМД-23
Дизель ЯМЗ-238АК
Блок цилиндров
Головка цилиндров
Поршень и шатун
Коленчатый вал
Распределительный вал
Клапаны и толкатели
Газопровод
Поддон блока цилиндров
Масляный насос
Фильтр центробежной очистки масла
Фильтр грубой очистки масла
Установка шкива
Установка гидронасоса
Привод топливного насоса высокого давления
Топливопроводы
Топливный насос
Топливный насос высокого давления
Форсунка
Впускной коллектор
Регулятор частоты вращения
Регулятор частоты вращения
Муфта опережения впрыска топлива
Фильтр тонкой очистки топлива
Термостаты системы охлаждения
Водяной насос
Вентилятор
Натяжное устройство
Установка насоса
Установка стартера
Стартер
Реле стартера
Установка генератора
Установка механизма отбора мощности
Инструмент и принадлежности для двигателей ЯМЗ-238АК и ЯМЗ-236ДК
Дизель Д-461/51
Блок-картер и картер маховика
Картер шестерен
Поршень и шатун
Вал коленчатый
Механизм отбора мощности с носка коленчатого вала
Механизм газораспределения
Головка цилиндров
Крышка картера нижняя
Насос масляный
Центрифуга с разборным масляным фильтром
Система топливная
Насос топливный
Насос топливоподкачивающий
Регулятор
Система турбонаддува
Форсунка
Жидкостно-масляный теплообменник
Насос водяной и вентилятор
Система выпуска
Стартер с проставкой
Генератор счетчика моточасов
Привод отбора мощности с хвостовика коленчатого вала
Привод гидравлических насосов
Инструмент и принадлежности для двигателей Д-461/51 и Д-446/51
Механизм включения привода молотилки
Установка моторно-силовая комбайна с двигателем СМД-31А
Установка моторно-силовая (устанавливать с двигателем СМД-31А)
Установка моторно-силовая (крепление трубопроводов)
Блок радиаторов (устанавливать с двигателем СМД-31А, СМД-23, Д-461/51, Д-446/51)
Радиатор водяной (устанавливать с двигателем СМД-31А, СМД-23, Д-461/51, Д-446/51)
Установка трубопроводов блока радиаторов
Радиатор воздушный (устанавливать с двигателем СМД-31А, СМД-23)
Воздухозаборник
Установка гидронасоса
Капот
Капот радиатора
Топливопровод
Натяжник привода компрессора кондиционера
Площадка двигателя передняя
Площадка обслуживания двигателя
Натяжное устройство
Воздухоочистка
Бак топливный
Установка моторно-силовая (с двигателем Д-461/51)
Установка моторно-силовая (с двигателем Д-461/51)
Установка моторно-силовая (с двигателем Д-461/51)
Установка моторно-силовая (с двигателем Д-461/51)
Установка моторно-силовая (с двигателем Д-461/51)
Топливопровод
Установка моторно-силовая (с двигателем ЯМЗ-238АК, ЯМЗ-236ДК)
Установка моторно-силовая (с двигателем ЯМЗ-238АК, ЯМЗ-236ДК)
Установка моторно-силовая (с двигателем ЯМЗ-238АК, ЯМЗ-236ДК)
Установка моторно-силовая (с двигателем ЯМЗ-238АК, ЯМЗ-236ДК)
Блок радиаторов (устанавливать с двигателем ЯМЗ-238АК)
Площадка обслуживания двигателя (устанавливать с двигателем ЯМЗ-238АК)
Топливопровод
Шасси
Вал соединительный
Рычаг
Подвеска
Подвеска
Рама
Установка лотка (для комбайнов с копнителем)
Мост ведущий с гидроприводом
Редуктор бортовой МК-23М.04.000 (правый), МК-23М.03.000ж (левый)
Редуктор бортовой
Коробка диапазонов ведущего моста с гидроприводом
Коробка диапазонов ведущего моста с гидроприводом
Коробка диапазонов и дифференциал ведущего моста с гидроприводом
Механизм переключения коробки диапазонов ведущего моста с гидроприводом
Колесо ведущее (левое и правое)
Мост управляемых колес
Колесо управляемое (левое и правое)
Платформа-подборщик
Платформа-подборщик
Платформа-подборщик
Фланец правой боковины
Шнек, устройство предохранительное шнека
Проставка
Битер проставки
Шкив вариатора верхний
Шкив вариатора нижний
Вал контрпривода платформы и опора
Транспортер подборщика захватом 3,4 м
Транспортер подборщика захватом 2,75 м
Полотно транспортера
Вал ведущий
Вал ведущий
Вал ведомый
Устройство разгружающее, нормализатор
Колесо
Колесо
Жатвенная часть
Корпус жатки
Механизм уравновешивания жатки левый
Механизм уравновешивания жатки правый
Компенсатор и подвеска жатки
Механизм привода рабочих органов жатки
Вал карданный привода жатки
Аппарат режущий
Механизм качающейся шайбы
Механизм качающейся шайбы
Вал контрприводной
Вал опоры
Шкив обводной привода МКШ
Шкив натяжной привода МКШ
Звездочка
Звездочка натяжная
Мотовило захватом 6 и 7 м
Мотовило захватом 8,6 м
Поддержки мотовила с механизмом регулировки
Устройство предохранительное, привод мотовила
Шкив ведущий вариатора мотовила
Шкив ведомый вариатора мотовила
Шнек жатки
Фланец правой боковины
Проставка
Корпус проставки
Битер проставки
Щитки уплотнительные
Щитки ограждения левой боковины жатки
Контрпривод жатки, башмак жатки
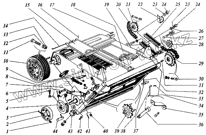
Камера наклонная
Камера наклонная
Вал верхний наклонной камеры
Вал нижний транспортера наклонной камеры
Транспортер наклонной камеры
Устройство предохранительное, механизм реверса, вал трансмиссионный
Звездочка натяжная контрприводного вала
Рама тележки для транспортирования жатки
Блок колес тележки для транспортирования жатки
Панель левая передней секции молотилки
Панель правая передней секции молотилки
Барабан молотильный
Вариатор барабана
Подбарабанье
Вал торсиона
Битер отбойный
Шкив вариатора ведущий
Механизм включения и выключения привода жатки
Панель правая каркаса молотилки
Панель левая каркаса молотилки
Рычаг
Контрпривод (для комбайнов с копнителем)
Ролик натяжной (для комбайнов с копнителем)
Ролик натяжной
Ролик натяжной
Ролик
Шкив натяжной привода соломотряса
Устройство натяжное привода половонабивателя (для комбайнов с копнителем)
Крыша
Кожух вентилятора
Вентилятор
Контрпривод вентилятора
Блок шнеков
Решето нижнее
Решето верхнее
Удлинитель
Стрясная доска
Привод очистки
Активатор
Соломотряс
Коленвалы соломотряса
Задний контрпривод
Половонабиватель (для комбайнов с копнителем)
Бункер
Бункер
Днище бункера
Днище бункера
Привод выгрузного шнека
Шнек зерновой наклонный
Редуктор шнека зернового наклонного
Шнек распределительный домолачивающего устройства
Шнек выгрузной
Шнек выгрузной
Элеватор зерновой
Элеватор колосовой
Домолачивающее устройство
Копнитель
Копнитель
Боковина и капот копнителя
Днище
Граблина правая, граблина левая
Вал сбрасывания. Рычаг правый. Тяга защелки
Датчик копнителя
Сигнализатор копнителя
Универсальное приспособление для уборки незерновой части урожая
Установка щитка ограждения вентилятора
Установка щитка ограждения барабана
Установка шкива натяжного
Установка ролика
Установка ролика натяжного привода вентилятора
Вентилятор
Шнек
Половопровод
Соломопровод
Капот
Блок измельчителя
Разбрасыватель
Противорежущее устройство
Доска транспортирующая
Ролик натяжной привода контрпривода измельчителя
Установка автосцепки
Захват
Прицеп
Гидрооборудование комбайна с уст. двигателей СМД-31А и СМД-23
Гидрооборудавание комбайна
Оборудование основной гидросистемы
Гидрооборудование
Гидростатическая трансмиссия
Гидробак
Гидрооборудование ходовой части
Гидрооборудование комбайна с установкой двигателя ЯМЗ-238АК
Гидрооборудование комбайна с установкой двигателя ЯМЗ-238АК
Оборудование основной гидросистемы с уст. двигателя ЯМЗ-238АК
Оборудование ходовой части с установкой двигателя ЯМЗ-238АК
Гидрораспределитель (для комбайнов с измельчителем)
Гидрораспределитель
Распределитель
Насос шестеренный
Клапан напорный
Гидроклапан с электромагнитным управлением
Клапан дросселирующий настраиваемый
Клапан-сигнализатор
Гидроцилиндр вариатора барабана
Гидроцилиндр
Гидроцилиндр
Гидроцилиндр горизонтального перемещения мотовила
Гидроцилиндр горизонтального перемещения мотовила
Гидроцилиндр
Гидроцилиндр
Гидроцилиндр
Гидроцилиндр подъема мотовила
Гидроцилиндр
Гидроцилиндр
Гидроцилиндр поворота выгрузного шнека
Гидрооборудование комбайна с установкой двигателя Д-451/61
Оборудование ходовой части с установкой двигателя Д-451/61
Электрооборудование комбайна
Сигнализатор
Электрооборудование кабины
Щиток приборов
Панели
Пульт электрогидравлики
Электрооборудование рулевой колонки
Фара мигалка
Ящик аккумуляторный
Фара
Фонари
Провода электрические и жгуты
Провода электрические и жгуты
Провода электрические и жгуты
Провода электрические и жгуты
Провода электрические и жгуты
Провода электрические и жгуты
Провода электрические и жгуты
Провода электрические и жгуты
Провода электрические и жгуты
Провода электрические и жгуты
Провода электрические и жгуты
Установка огнетушителя
Принадлежности
Принадлежности
Инструмент
Принадлежности
Общий вид комбайна
Общий вид комбайна
Общий вид комбайнов в разрезе с жаткой и копнителем
Схема ременных и цепных передач комбайнов (левая сторона)
Схема ременных и цепных передач комбайнов (правая сторона)
Схема передач платформы-подборщика
Схема передач измельчителей ПКН-1500Б (1200Б) (левая сторона)
Схема ременных передач измельчителей ПКН-1500Б (1200Б) (правая сторона)
Схема ременных передач измельчителя-разбрасывателя (правая сторона)
Схема расположения подшипников платформы-подборщика
Схема расположения подшипников измельчителя ПКН-1500Б (1200Б)
Схема расположения подшипников измельчителя-разбрасывателя ПКН-1500Б-01 (1200Б-01)
1
2
3
4
5
6
7
8
9
10
11
12
13
14
14
15
16
17
18
19
20
21
22
23
23
24
24
25
26
27
28
29
30
31
32
33
34
35
36
37
38
39
40
41
42
43
44
Позиция на иллюстрации
Заводской номер детали
Название детали
3518060-18490А
3518060-18490А
Крышка правая
1
М12х1,25.6Н.6.019
Гайка
2
3518060-18600В
Устройство предохранительное
3
М12-1,25х6gх65.88.35.019
Болт
4
3518060-18560Б
Механизм реверса
5
ВМ10-6gх25.22Н.019
Винт
6
6-20В12х50.35.Ц9Хр
Ось
7
ГА-93000-02
Гидроцилиндр
8
3518060-14019
Кронштейн
9
М10-6gх25.88.35.019
Болт
10
РСМ-10.27.02.010
Шкив
11
М12-6gх75.88.35.019
Болт
12
12Т.65Г.019
Шайба
13
М12-6Н.6.019
Гайка
14
3518050-16322
Шомпол
14
3518060-16322
Шомпол
15
3518050-18480А
Крышка
16
2,5х25.019
Шплинт
17
2-14х9х70
Шпонка
18
3518060-18480А
Крышка левая
19
3518060-19011А
Успокоитель
20
ПР-24,4-6000А
Цепь L=2717,8 n-107зв.
21
3518060-18440А
Звездочка z=20 t-25,4
22
3518060-15173А
Скоба
23
10Т.65Г.019
Шайба
24
М10-6Н.6.019
Гайка
25
3518060-19009А
Успокоитель
26
С10х3.01.019
Шайба
27
М10-6gх90.88.35.019
Болт
28
3518060-18380Б
Звездочка натяжная
29
3518060-18390Б
Блок звездочек z=28 z=25 t=25,4
30
М12-6gх65.88.35.019
Болт
31
2-12х8х50
Шпонка
32
6,3х45.019
Шплинт
33
3,2х20.019
Шплинт
34
2.2,8х40.019
Шплинт пружинный ОСТ 2322-79
35
3518060-15161
Лапка
36
3518060-18450А
Упор гидроцилиндра
37
3518060-16428
Крюк
38
3518060-16427А-01
Палец
39
3518060-18630Б
Звездочка натяжная
40
С20х3,9.01.019
Шайба
41
4х32.019
Шплинт
42
М12х65
Болт
43
3518060-18580Б
Фиксатор реверса
44
3518060-16427А
Палец
Содержащиеся в справочниках-каталогах запасные части и детали не предлагаются к продаже, а носят исключительно информационный характер
Дополнительная информация
×
Название:
Номер:
Примечание: