Вернуться на главную
Поиск
Каталоги запчастей к технике
Сельхозтехника
РСМ
Дон 1500Б
Гидростатическая трансмиссия
Каталог запасных частей к технике: РСМ Дон 1500Б. Гидростатическая трансмиссия
zoom-in
zoom-out
enlarge
shrink
circle-right
circle-left
file-text2
info
cart
Тип техники
Не выбрано
Легковые автомобили
Грузовые автомобили и прицепы
Автобусы
Сельхозтехника
Спецтехника
Двигатели
Мототехника
Марка
Не выбрано
AGCO
Amity
CASE IH
DongFeng
Fortschritt
Foton
Franz Kleine
Gaspardo
Great Plains
KRONE
KUHN
Lemken
Lovol
MacDon
Massey Ferguson
New Holland
TIGARBO
Vaderstad
Versatile
Wirax
Агро
Агротехмаш
Бобруйскагромаш (ОАО «УКХ «Бобруйскагромаш»)
БЭМЗ
ВгТЗ
Воронежсельмаш
ВТЗ
Гомсельмаш
ДКЗ
ЗАО "Техника-сервис"
ЗиД
КЗК
Кировец-Ландтехник
Клевер
Красная Звезда
Лидагропроммаш
Лидсельмаш
ЛТЗ
Машстройхолдинг
Минитракторы
Мордовагромаш
МТЗ
Навигатор-Новое машиностроение
Нефтекамский автозавод
ПТЗ
Ремком
РСМ
Сибсельмаш
ТеКЗ
ТКЗ
ХЗТСШ
ХТЗ
ЮМЗ
Модель
Не выбрано
CK-5М-1 «Нива»
CK-5М-1 «Нива» (2002)
Vector-450 (Часть 1) (2018)
Vector-450 (Часть 2) (2018)
Дон (общий каталог)
Дон 1200
Дон 1200Б
Дон 1500А
Дон 1500Б
Жатка 3518050-12010 (2020)
Жатка S300.27 (2020)
Жатка ЖЗТ-9 (2020)
Жатка ЖКС (2020)
Жатка ЖСУ-700 (2020)
Жатка ЖСУ-703 (2020)
Жатка РСМ-081.27 (2010)
Жатка РСМ-081.27 (2020)
Жатка РСМ-081.27 (вариант) (2010)
Жатка РСМ-100.70, 1401.70 (2007)
Жатка РСМ-161.27 (2020)
Платформа-подборщик РСМ-081.08 (2020)
Платформа-подборщик РСМ-091.08 (2020)
ППК-81 Argus (2020)
РСМ 2375 (2020)
РСМ-100 (Дон-680) (2002)
РСМ-100 (Дон-680М) (2010)
РСМ-101 "Вектор" (2010)
РСМ-101 "Вектор" (вариант) (2010)
РСМ-10Б "Дон-1500Б" (2006)
РСМ-1401 (2009)
РСМ-142 "Acros" (2010)
РСМ-142 "Acros" вариант (2010)
РСМ-142 (Acros-550) (2020)
РСМ-152 "Acros-590/595 Plus" Часть 1 (2020)
РСМ-152 "Acros-590/595 Plus" Часть 2 (2020)
РСМ-161 (Часть 1) (2015)
РСМ-161 (Часть 2) (2015)
РСМ-181 "Torum-740" (2010)
РСМ-181 "Torum-740" (вариант) (2010)
Стол рапсовый RSM001.00.000К (2020)
Тележка для перевозки жатки РСМ-142.29 (2020)
Тележка РСМ-142.29 (2009)
Тележка транспортная ТТ-4000 (2020)
Энергосредство ЭС-1 (2009)
Схема
>
Не выбрано
Кабина
Кабина
Опора кабины
Кабина
Дверь кабины
Дверь кабины
Площадка водителя
Рычаг включения привода наклонной камеры
Рычаг подъема подбарабанья
Управление гидросистемой трансмиссии
Механизм включения гидростатической трансмиссии
Управление подачей топлива
Управление подачей топлива
Управление коробкой диапазонов
Тормоз стояночный
Управление тормозами
Главный цилиндр
Управление рулевое
Рулевая колонка
Вентилятор
Вентилятор
Установка отопителя
Отопитель
Установка кондиционера фирмы "Konvekta"
Установка трубопроводов управления моста ведущих колес
Площадка входа в кабину
Механизм поворота лестницы
Дизель СМД-31А
Блок-картер
Картер маховика
Картер и крышка
Поршень с шатуном
Вал коленчатый
Маховик
Передний носок коленчатого вала
Распределение
Головка цилиндров
Колпак головки цилиндров
Крышка картера нижняя
Насос масляный
Фильтр масляный
Установка электрофакельного подогревателя
Установка гидронасоса
Установка гидронасоса
Труба водяная и коллектор впускной
Система топливная
Топливный фильтр тонкой очистки
Форсунка
Воздухоочиститель
Воздухозаборник и клапан эжектора
Установка турбокомпрессора
Корпус компрессора
Корпус средний
Корпус турбины
Коллекторы выпускные
Глушитель
Теплообменник водомасляный с центрифугой
Насос водяной и вентилятор
Ролик натяжной
Термостат
Установка стартера
Установка счетчика моточасов
Установка генератора
Установка вала съема мощности
Инструмент и принадлежности для двигателей СМД-31А и СМД-23
Дизель ЯМЗ-238АК
Блок цилиндров
Головка цилиндров
Поршень и шатун
Коленчатый вал
Распределительный вал
Клапаны и толкатели
Газопровод
Поддон блока цилиндров
Масляный насос
Фильтр центробежной очистки масла
Фильтр грубой очистки масла
Установка шкива
Установка гидронасоса
Привод топливного насоса высокого давления
Топливопроводы
Топливный насос
Топливный насос высокого давления
Форсунка
Впускной коллектор
Регулятор частоты вращения
Регулятор частоты вращения
Муфта опережения впрыска топлива
Фильтр тонкой очистки топлива
Термостаты системы охлаждения
Водяной насос
Вентилятор
Натяжное устройство
Установка насоса
Установка стартера
Стартер
Реле стартера
Установка генератора
Установка механизма отбора мощности
Инструмент и принадлежности для двигателей ЯМЗ-238АК и ЯМЗ-236ДК
Дизель Д-461/51
Блок-картер и картер маховика
Картер шестерен
Поршень и шатун
Вал коленчатый
Механизм отбора мощности с носка коленчатого вала
Механизм газораспределения
Головка цилиндров
Крышка картера нижняя
Насос масляный
Центрифуга с разборным масляным фильтром
Система топливная
Насос топливный
Насос топливоподкачивающий
Регулятор
Система турбонаддува
Форсунка
Жидкостно-масляный теплообменник
Насос водяной и вентилятор
Система выпуска
Стартер с проставкой
Генератор счетчика моточасов
Привод отбора мощности с хвостовика коленчатого вала
Привод гидравлических насосов
Инструмент и принадлежности для двигателей Д-461/51 и Д-446/51
Механизм включения привода молотилки
Установка моторно-силовая комбайна с двигателем СМД-31А
Установка моторно-силовая (устанавливать с двигателем СМД-31А)
Установка моторно-силовая (крепление трубопроводов)
Блок радиаторов (устанавливать с двигателем СМД-31А, СМД-23, Д-461/51, Д-446/51)
Радиатор водяной (устанавливать с двигателем СМД-31А, СМД-23, Д-461/51, Д-446/51)
Установка трубопроводов блока радиаторов
Радиатор воздушный (устанавливать с двигателем СМД-31А, СМД-23)
Воздухозаборник
Установка гидронасоса
Капот
Капот радиатора
Топливопровод
Натяжник привода компрессора кондиционера
Площадка двигателя передняя
Площадка обслуживания двигателя
Натяжное устройство
Воздухоочистка
Бак топливный
Установка моторно-силовая (с двигателем Д-461/51)
Установка моторно-силовая (с двигателем Д-461/51)
Установка моторно-силовая (с двигателем Д-461/51)
Установка моторно-силовая (с двигателем Д-461/51)
Установка моторно-силовая (с двигателем Д-461/51)
Топливопровод
Установка моторно-силовая (с двигателем ЯМЗ-238АК, ЯМЗ-236ДК)
Установка моторно-силовая (с двигателем ЯМЗ-238АК, ЯМЗ-236ДК)
Установка моторно-силовая (с двигателем ЯМЗ-238АК, ЯМЗ-236ДК)
Установка моторно-силовая (с двигателем ЯМЗ-238АК, ЯМЗ-236ДК)
Блок радиаторов (устанавливать с двигателем ЯМЗ-238АК)
Площадка обслуживания двигателя (устанавливать с двигателем ЯМЗ-238АК)
Топливопровод
Шасси
Вал соединительный
Рычаг
Подвеска
Подвеска
Рама
Установка лотка (для комбайнов с копнителем)
Мост ведущий с гидроприводом
Редуктор бортовой МК-23М.04.000 (правый), МК-23М.03.000ж (левый)
Редуктор бортовой
Коробка диапазонов ведущего моста с гидроприводом
Коробка диапазонов ведущего моста с гидроприводом
Коробка диапазонов и дифференциал ведущего моста с гидроприводом
Механизм переключения коробки диапазонов ведущего моста с гидроприводом
Колесо ведущее (левое и правое)
Мост управляемых колес
Колесо управляемое (левое и правое)
Платформа-подборщик
Платформа-подборщик
Платформа-подборщик
Фланец правой боковины
Шнек, устройство предохранительное шнека
Проставка
Битер проставки
Шкив вариатора верхний
Шкив вариатора нижний
Вал контрпривода платформы и опора
Транспортер подборщика захватом 3,4 м
Транспортер подборщика захватом 2,75 м
Полотно транспортера
Вал ведущий
Вал ведущий
Вал ведомый
Устройство разгружающее, нормализатор
Колесо
Колесо
Жатвенная часть
Корпус жатки
Механизм уравновешивания жатки левый
Механизм уравновешивания жатки правый
Компенсатор и подвеска жатки
Механизм привода рабочих органов жатки
Вал карданный привода жатки
Аппарат режущий
Механизм качающейся шайбы
Механизм качающейся шайбы
Вал контрприводной
Вал опоры
Шкив обводной привода МКШ
Шкив натяжной привода МКШ
Звездочка
Звездочка натяжная
Мотовило захватом 6 и 7 м
Мотовило захватом 8,6 м
Поддержки мотовила с механизмом регулировки
Устройство предохранительное, привод мотовила
Шкив ведущий вариатора мотовила
Шкив ведомый вариатора мотовила
Шнек жатки
Фланец правой боковины
Проставка
Корпус проставки
Битер проставки
Щитки уплотнительные
Щитки ограждения левой боковины жатки
Контрпривод жатки, башмак жатки
Камера наклонная
Камера наклонная
Вал верхний наклонной камеры
Вал нижний транспортера наклонной камеры
Транспортер наклонной камеры
Устройство предохранительное, механизм реверса, вал трансмиссионный
Звездочка натяжная контрприводного вала
Рама тележки для транспортирования жатки
Блок колес тележки для транспортирования жатки
Панель левая передней секции молотилки
Панель правая передней секции молотилки
Барабан молотильный
Вариатор барабана
Подбарабанье
Вал торсиона
Битер отбойный
Шкив вариатора ведущий
Механизм включения и выключения привода жатки
Панель правая каркаса молотилки
Панель левая каркаса молотилки
Рычаг
Контрпривод (для комбайнов с копнителем)
Ролик натяжной (для комбайнов с копнителем)
Ролик натяжной
Ролик натяжной
Ролик
Шкив натяжной привода соломотряса
Устройство натяжное привода половонабивателя (для комбайнов с копнителем)
Крыша
Кожух вентилятора
Вентилятор
Контрпривод вентилятора
Блок шнеков
Решето нижнее
Решето верхнее
Удлинитель
Стрясная доска
Привод очистки
Активатор
Соломотряс
Коленвалы соломотряса
Задний контрпривод
Половонабиватель (для комбайнов с копнителем)
Бункер
Бункер
Днище бункера
Днище бункера
Привод выгрузного шнека
Шнек зерновой наклонный
Редуктор шнека зернового наклонного
Шнек распределительный домолачивающего устройства
Шнек выгрузной
Шнек выгрузной
Элеватор зерновой
Элеватор колосовой
Домолачивающее устройство
Копнитель
Копнитель
Боковина и капот копнителя
Днище
Граблина правая, граблина левая
Вал сбрасывания. Рычаг правый. Тяга защелки
Датчик копнителя
Сигнализатор копнителя
Универсальное приспособление для уборки незерновой части урожая
Установка щитка ограждения вентилятора
Установка щитка ограждения барабана
Установка шкива натяжного
Установка ролика
Установка ролика натяжного привода вентилятора
Вентилятор
Шнек
Половопровод
Соломопровод
Капот
Блок измельчителя
Разбрасыватель
Противорежущее устройство
Доска транспортирующая
Ролик натяжной привода контрпривода измельчителя
Установка автосцепки
Захват
Прицеп
Гидрооборудование комбайна с уст. двигателей СМД-31А и СМД-23
Гидрооборудавание комбайна
Оборудование основной гидросистемы
Гидрооборудование
Гидростатическая трансмиссия
Гидробак
Гидрооборудование ходовой части
Гидрооборудование комбайна с установкой двигателя ЯМЗ-238АК
Гидрооборудование комбайна с установкой двигателя ЯМЗ-238АК
Оборудование основной гидросистемы с уст. двигателя ЯМЗ-238АК
Оборудование ходовой части с установкой двигателя ЯМЗ-238АК
Гидрораспределитель (для комбайнов с измельчителем)
Гидрораспределитель
Распределитель
Насос шестеренный
Клапан напорный
Гидроклапан с электромагнитным управлением
Клапан дросселирующий настраиваемый
Клапан-сигнализатор
Гидроцилиндр вариатора барабана
Гидроцилиндр
Гидроцилиндр
Гидроцилиндр горизонтального перемещения мотовила
Гидроцилиндр горизонтального перемещения мотовила
Гидроцилиндр
Гидроцилиндр
Гидроцилиндр
Гидроцилиндр подъема мотовила
Гидроцилиндр
Гидроцилиндр
Гидроцилиндр поворота выгрузного шнека
Гидрооборудование комбайна с установкой двигателя Д-451/61
Оборудование ходовой части с установкой двигателя Д-451/61
Электрооборудование комбайна
Сигнализатор
Электрооборудование кабины
Щиток приборов
Панели
Пульт электрогидравлики
Электрооборудование рулевой колонки
Фара мигалка
Ящик аккумуляторный
Фара
Фонари
Провода электрические и жгуты
Провода электрические и жгуты
Провода электрические и жгуты
Провода электрические и жгуты
Провода электрические и жгуты
Провода электрические и жгуты
Провода электрические и жгуты
Провода электрические и жгуты
Провода электрические и жгуты
Провода электрические и жгуты
Провода электрические и жгуты
Установка огнетушителя
Принадлежности
Принадлежности
Инструмент
Принадлежности
Общий вид комбайна
Общий вид комбайна
Общий вид комбайнов в разрезе с жаткой и копнителем
Схема ременных и цепных передач комбайнов (левая сторона)
Схема ременных и цепных передач комбайнов (правая сторона)
Схема передач платформы-подборщика
Схема передач измельчителей ПКН-1500Б (1200Б) (левая сторона)
Схема ременных передач измельчителей ПКН-1500Б (1200Б) (правая сторона)
Схема ременных передач измельчителя-разбрасывателя (правая сторона)
Схема расположения подшипников платформы-подборщика
Схема расположения подшипников измельчителя ПКН-1500Б (1200Б)
Схема расположения подшипников измельчителя-разбрасывателя ПКН-1500Б-01 (1200Б-01)
1
2
3
4
5
6
7
7
8
9
10
10
11
12
13
14
14
15
16
17
18
18
19
20
21
22
23
24
25
26
27
27
28
29
30
31
32
33
34
35
36
36
37
38
38
39
40
41
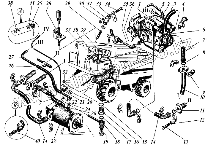
Позиция на иллюстрации
Заводской номер детали
Название детали
1
НП-90
Насос аксиально-плунжерный регулируемый
2
РСМ-10.09.13.002
Рукав
3
РСМ-10.09.09.350Б-02
Рукав
4
РСМ-10.09.09.140А
Угольник ввертной
5
РСМ-10.09.01.930А
Трубопровод
6
РСМ-10.09.13.010А
Переходник
7
V425х800РSР Р2SР
Рукав высокого давления
8
ГСТ-90.00.003
Кольцо уплотнительное
9
ГСТ-90.00.001
Полуфланец
10
РСМ-10.09.01.370Г
Трубопровод
10
РСМ-8.09.01.020
Трубопровод
11
РСМ-10.09.09.380Б
Трубопровод
12
10Т.65Г.019
Шайба
13
ГСТ-90.00.002
Болт
14
V425х800Р2SР Р2SР
Рукав высокого давления
15
019-023-25-2-2
Кольцо уплотнительное
16
РСМ-10.09.04.602А
Штуцер
17
016-020-25-2-2
Уплотнительное кольцо
18
РСМ-10.09.02.260
Трубопровод
18
РСМ-8.09.02.050
Трубопровод
19
54-60506
Болт
20
54-62339
Гайка
21
РСМ-10.09.01.504
Лента
22
РСМ-10.09.02.220Б
Тройник
23
МП-90
Гидромотор
24
М6-8gх35
Болт
25
00312Б
Шланг
26
РСМ-10.09.05.001А
Рукав
27
РСМ-10.09.02.250
Трубопровод
27
РСМ-8.09.02.040
Трубопровод
28
РСМ-10.04.13.510А
Кронштейн
29
6203-1313-158
Трос "Пуш-Пул" 6200
30
М6-6Н
Гайка
31
РСМ-10.04.13.805
Втулка
32
54-51.781
Шайба
33
РСМ-10.04.13.302А
Вилка
34
М6-8gх45.88.35.019
Болт
35
РСМ-10.09.02.080А
Угольник
36
РСМ-10.09.05.611Б
Штуцер
37
100У-08.003
Радиатор масляный
38
РСМ-10.09.13.090
Трубопровод
39
РСМ-10.09.09.350-01
Рукав
40
РСМ-10.09.09.400
Переходник
41
РСМ-10.09.13.110А
Переходник
Содержащиеся в справочниках-каталогах запасные части и детали не предлагаются к продаже, а носят исключительно информационный характер
Дополнительная информация
×
Название:
Номер:
Примечание: