Вернуться на главную
Поиск
Каталоги запчастей к технике
Сельхозтехника
РСМ
Дон 1500А
Вал торсиона
Каталог запасных частей к технике: РСМ Дон 1500А. Вал торсиона
zoom-in
zoom-out
enlarge
shrink
circle-right
circle-left
file-text2
info
cart
Тип техники
Не выбрано
Легковые автомобили
Грузовые автомобили и прицепы
Автобусы
Сельхозтехника
Спецтехника
Двигатели
Мототехника
Марка
Не выбрано
AGCO
Amity
CASE IH
DongFeng
Fortschritt
Foton
Franz Kleine
Gaspardo
Great Plains
KRONE
KUHN
Lemken
Lovol
MacDon
Massey Ferguson
New Holland
TIGARBO
Vaderstad
Versatile
Wirax
Агро
Агротехмаш
Бобруйскагромаш (ОАО «УКХ «Бобруйскагромаш»)
БЭМЗ
ВгТЗ
Воронежсельмаш
ВТЗ
Гомсельмаш
ДКЗ
ЗАО "Техника-сервис"
ЗиД
КЗК
Кировец-Ландтехник
Клевер
Красная Звезда
Лидагропроммаш
Лидсельмаш
ЛТЗ
Машстройхолдинг
Минитракторы
Мордовагромаш
МТЗ
Навигатор-Новое машиностроение
Нефтекамский автозавод
ПТЗ
Ремком
РСМ
Сибсельмаш
ТеКЗ
ТКЗ
ХЗТСШ
ХТЗ
ЮМЗ
Модель
Не выбрано
CK-5М-1 «Нива»
CK-5М-1 «Нива» (2002)
Vector-450 (Часть 1) (2018)
Vector-450 (Часть 2) (2018)
Дон (общий каталог)
Дон 1200
Дон 1200Б
Дон 1500А
Дон 1500Б
Жатка 3518050-12010 (2020)
Жатка S300.27 (2020)
Жатка ЖЗТ-9 (2020)
Жатка ЖКС (2020)
Жатка ЖСУ-700 (2020)
Жатка ЖСУ-703 (2020)
Жатка РСМ-081.27 (2010)
Жатка РСМ-081.27 (2020)
Жатка РСМ-081.27 (вариант) (2010)
Жатка РСМ-100.70, 1401.70 (2007)
Жатка РСМ-161.27 (2020)
Платформа-подборщик РСМ-081.08 (2020)
Платформа-подборщик РСМ-091.08 (2020)
ППК-81 Argus (2020)
РСМ 2375 (2020)
РСМ-100 (Дон-680) (2002)
РСМ-100 (Дон-680М) (2010)
РСМ-101 "Вектор" (2010)
РСМ-101 "Вектор" (вариант) (2010)
РСМ-10Б "Дон-1500Б" (2006)
РСМ-1401 (2009)
РСМ-142 "Acros" (2010)
РСМ-142 "Acros" вариант (2010)
РСМ-142 (Acros-550) (2020)
РСМ-152 "Acros-590/595 Plus" Часть 1 (2020)
РСМ-152 "Acros-590/595 Plus" Часть 2 (2020)
РСМ-161 (Часть 1) (2015)
РСМ-161 (Часть 2) (2015)
РСМ-181 "Torum-740" (2010)
РСМ-181 "Torum-740" (вариант) (2010)
Стол рапсовый RSM001.00.000К (2020)
Тележка для перевозки жатки РСМ-142.29 (2020)
Тележка РСМ-142.29 (2009)
Тележка транспортная ТТ-4000 (2020)
Энергосредство ЭС-1 (2009)
Схема
>
Не выбрано
Кабина
Управление подачей топлива
Рулевая колонка
Механизм управления гидросистемой
Дизель СМД-31А
Блок-картер
Картер маховика
Картер и крышка
Поршень с шатуном
Вал коленчатый
Маховик
Передний носок коленчатого вала
Распределение
Головка цилиндров
Колпак головки цилиндров
Крышка картера нижняя
Насос масляный
Фильтр масляный
Установка электрофакельного подогревателя
Установка гидронасоса
Установка гидронасоса
Труба водяная и коллектор впускной
Система топливная
Топливный фильтр тонкой очистки
Форсунка
Воздухоочиститель
Воздухозаборник и клапан эжектора
Установка турбокомпрессора
Корпус компрессора
Корпус средний
Корпус турбины
Коллекторы выпускные
Глушитель
Теплообменник водомасляный с центрифугой
Насос водяной и вентилятор
Ролик натяжной
Термостат
Установка стартера
Установка счетчика моточасов
Установка генератора
Установка вала съема мощности
Инструмент и принадлежности для двигателей СМД-31А и СМД-23
Механизм включения привода молотилки
Блок радиаторов (устанавливать с двигателем СМД-31А, СМД-23, Д-461/51, Д-446/51)
Радиатор водяной (устанавливать с двигателем СМД-31А, СМД-23, Д-461/51, Д-446/51)
Установка трубопроводов блока радиаторов
Радиатор воздушный (устанавливать с двигателем СМД-31А, СМД-23)
Воздухозаборник
Установка гидронасоса
Капот
Капот радиатора
Топливопровод
Натяжник привода компрессора кондиционера
Площадка двигателя передняя
Площадка обслуживания двигателя
Натяжное устройство
Воздухоочистка
Бак топливный
Топливопровод
Топливопровод
Рычаг
Шасси (для комбайнов с копнителем и измельчителем)
Вал соединительный
Рычаг задней подвески верхнего решета
Рама, лоток
Мост ведущий с гидроприводом
Редуктор бортовой МК-23М.04.000 (правый), МК-23М.03.000ж (левый)
Редуктор бортовой
Коробка диапазонов ведущего моста с гидроприводом
Коробка диапазонов ведущего моста с гидроприводом
Коробка диапазонов и дифференциал ведущего моста с гидроприводом
Механизм переключения коробки диапазонов ведущего моста с гидроприводом
Колесо ведущее (левое и правое)
Мост управляемых колес
Колесо управляемое (левое и правое)
Платформа-подборщик
Платформа-подборщик
Платформа-подборщик
Фланец правой боковины
Шнек платформы
Проставка
Битер проставки платформы
Шкив вариатора верхний
Шкив вариатора нижний
Вал контрпривода платформы и опора
Транспортер подборщика захватом 3,4 м
Транспортер подборщика захватом 2,75 м
Полотно транспортера
Вал ведущий
Вал ведущий
Вал ведомый
Устройство разгружающее, нормализатор
Колесо
Колесо
Жатвенная часть
Корпус жатки
Механизм уравновешивания жатки левый
Механизм уравновешивания жатки правый
Компенсатор и подвеска жатки
Привод режущего аппарата
Вал карданный привода жатки
Аппарат режущий
Механизм качающейся шайбы
Механизм качающейся шайбы
Механизм качающейся шайбы
Вал контрприводной
Вал опоры
Шкив обводной привода МКШ
Шкив натяжной привода МКШ
Звездочка
Звездочка натяжная
Мотовило захватом 6 и 7 м
Мотовило захватом 8,6 м
Поддержки мотовила с механизмом регулировки
Устройство предохранительное, привод мотовила
Шкив ведущий вариатора мотовила
Шкив ведомый вариатора мотовила
Шнек жатки
Фланец правой боковины
Проставка
Корпус проставки
Битер проставки жатки
Щитки уплотнительные
Щитки ограждения левой боковины жатки
Контрпривод жатки, башмак жатки
Камера наклонная
Камера наклонная
Вал верхний наклонной камеры
Вал верхний наклонной камеры
Вал нижний транспортера наклонной камеры
Транспортер наклонной камеры
Устройство предохранительное, механизм реверса, вал трансмиссионный
Звездочка натяжная контрприводного вала
Рама тележки для транспортирования жатки
Блок колес тележки для транспортирования жатки
Панель левая передней секции молотилки
Панель правая передней секции молотилки
Барабан молотильный
Вариатор барабана
Подбарабанье
Вал торсиона
Битер отбойный
Шкив вариатора ведущий
Механизм включения и выключения привода жатки
Панель правая каркаса молотилки
Панель левая каркаса молотилки
Рычаг
Ролик натяжной
Ролик натяжной
Кожух вентилятора
Вентилятор
Контрпривод вентилятора
Блок шнеков
Стан решетный нижний
Решето верхнее
Удлинитель верхнего решета
Стрясная доска
Привод очистки
Стан решетный верхний
Половонабиватель
Днище бункера
Привод выгрузного шнека
Шнек зерновой наклонный
Шнек выгрузной
Элеватор зерновой
Днище
Граблина правая, граблина левая
Вал сбрасывания. Рычаг правый. Тяга защелки
Датчик копнителя
Сигнализатор копнителя
Универсальное приспособление ПКН-1500
Шкив натяжной
Ролик натяжной
Вентилятор
Шнек
Половопровод
Соломопровод, проставка
Капот
Блок измельчителя
Разбрасыватель
Противорежущее устройство
Опора
Гидрооборудавание комбайна
Гидрооборудование ходовой части
Усилитель потока
Щиток приборов
Провода электрические и жгуты
Провода электрические и жгуты
Провода электрические и жгуты
Провода электрические и жгуты
Общий вид комбайна Дон-1500А
Общий вид комбайнов в разрезе с жаткой и копнителем Дон-1500Б, Дон-1500А
Схема ременных передач "Дон-1500А" (левая сторона)
Схема ременных передач "Дон-1500А" (правая сторона)
Схема передач измельчителя ПКН-1500 (левая сторона)
Схема передач измельчителя ПКН-1500 (правая сторона)
Схема расположения подшипников измельчителя ПКН-1500
Установка натяжника привода ГСТ
Контрпривод (в измельчитель)
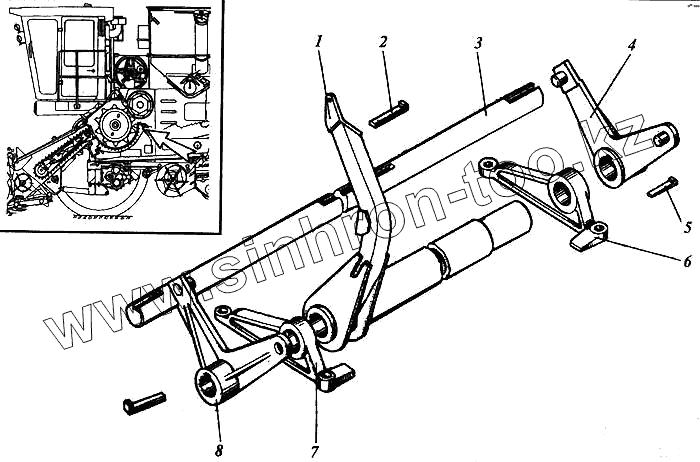
1
2
3
4
5
6
7
8
Позиция на иллюстрации
Заводской номер детали
Название детали
1
РСМ-10.01.20.010А
Труба торсиона
2
РСМ-10.01.20.604
Шпонка специальная
3
РСМ-10.01.20.601
Вал
4
РСМ-10.01.20.020-01
Рычаг
5
РСМ-10.01.20.603
Шпонка
6
РСМ-10.01.20.201А
Подшипник
7
РСМ-10.01.20.201А-01
Подшипник
8
РСМ-10.01.20.020
Рычаг
Содержащиеся в справочниках-каталогах запасные части и детали не предлагаются к продаже, а носят исключительно информационный характер
Дополнительная информация
×
Название:
Номер:
Примечание: