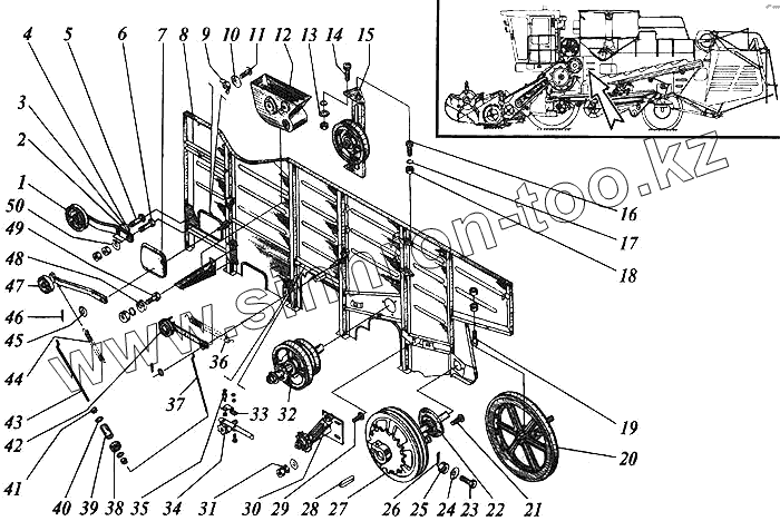
Каталог запасных частей к технике: РСМ Дон 1500А. Панель левая каркаса молотилки
1
2
3
4
5
6
7
8
9
10
11
12
13
14
15
16
17
18
19
20
21
22
23
24
25
26
27
28
29
30
31
32
32
33
34
35
36
37
38
39
40
41
42
43
44
45
46
47
48
49
50
| Позиция на иллюстрации | Заводской номер детали | Название детали | |
|---|---|---|---|
| 1 | РСМ-10.01.30.330Б | Ролик натяжной | |
| 2 | С18х1,4.01.019 | Шайба | |
| 3 | С18.01.019 | Шайба | |
| 4 | РСМ-10.01.30.021 А | Шайба | |
| 5 | М12х65 | Болт | |
| 6 | М12-6gх60.88.35.019 | Болт | |
| 7 | 34-2-70 | Крышка верхнего люка | |
| 8 | РСМ-10.01.31.000А | Панель левая | |
| 9 | 54-2-157 | Гайка специальная | |
| 10 | 41119А | Шайба эксцентричная | |
| 11 | М16х20 | Болт | |
| 12 | РСМ-10.01.39.000Б | Домолачивающее устройство | |
| 13 | С8х1,4.01.019 | Шайба | |
| 14 | М8-6gх25.88.35.019 | Болт | |
| 15 | РСМ-10.01.30.050А | Шкив натяжной | |
| 16 | М8-6gх20.88.35.019 | Болт | |
| 17 | 8Т.65Г.019 | Шайба | |
| 18 | М8-6Н.6.019 | Гайка | |
| 19 | М12-6gх50.88.35.019 | Болт | |
| 20 | РСМ-10.01.38.110Б | Вал коленчатый ведущий | |
| 21 | М10х35 | Болт | |
| 22 | Н.027.01.040 | Опора (для комбайнов с копнителем) | |
| 23 | 2М12-6gх75.88.35.019 | Болт (для комбайнов с копнителем) | |
| 24 | С12х3.01.019 | Шайба | |
| 25 | М12-6Н.6.019 | Гайка | |
| 26 | 3,2х32.019 | Шплинт | |
| 27 | РСМ-10.01.30.550А | Шкив со звездочкой z=56, t-19,05 мм (для комбайнов с копнителем) | |
| 28 | 8х7х50 | Шпонка (для комбайнов с копнителем) | |
| 29 | М10х25 | Болт | |
| 30 | РСМ-10.01.30.020Б | Устройство натяжное (для комбайнов с копнителем) | |
| 31 | 10Т.65Т.019 | Шайба | |
| 32 | РСМ-10.01.34.200 | Задний контрпривод или РСМ-10.01.34.000В | |
| 32 | РСМ-10.01.34.000В | Задний контрпривод или РСМ-10.01.34.200 | |
| 33 | РСМ-10.01.30.403 | Кронштейн | |
| 34 | РСМ-10.01.38.120А | Вал коленчатый ведомый | |
| 35 | ПрП-1М | Преобразователь первичный | |
| 36 | РСМ-10.01.30.618 | Пружина | |
| 37 | РСМ-10.01.30.613 | Тяга | |
| 38 | РСМ-10.01.30.015 | Кольцо (для комбайнов с измельчителем) | |
| 39 | РСМ-10.01.30.831 | Втулка | |
| 40 | С10х3.01.019 | Шайба | |
| 41 | М10-6Н.6.019 | Гайка | |
| 42 | РСМ-10.01.30.090А | Ролик натяжной | |
| 43 | РСМ-10.01.30.653 | Тяга | |
| 44 | РСМ-10.01.30.646 | Пружина | |
| 45 | С20х3,9.01.019 | Шайба | |
| 46 | 4х32.019 | Шплинт | |
| 47 | РСМ-10.01.30.440А | Рычаг | |
| 48 | С10.01.019 | Шайба | |
| 49 | М10-6gх30.88.35.019 | Болт | |
| 50 | С12х2,0.01.019 | Шайба |
Содержащиеся в справочниках-каталогах запасные части и детали не предлагаются к продаже, а носят исключительно информационный характер