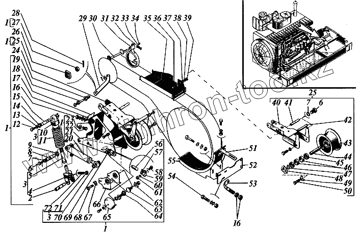
Каталог запасных частей к технике: РСМ Дон 1500А. Механизм включения привода молотилки
1
1
1
1
1
1
2
3
3
3
4
5
6
6
7
7
8
9
10
11
12
13
14
15
15
16
16
17
18
19
20
21
22
23
24
25
25
26
27
28
29
30
31
32
33
34
35
36
37
38
39
40
41
42
43
44
45
45
46
47
48
49
50
51
52
53
54
55
56
57
58
59
60
61
62
63
64
65
66
67
68
69
70
71
72
| Позиция на иллюстрации | Заводской номер детали | Название детали | |
|---|---|---|---|
| 1 | РСМ-8.03.09.010 | Механизм натяжения | |
| 1 | РСМ-10.05.09.060Б | Механизм натяжения | |
| 2 | РСМ-10.05.09.617А | Ось | |
| 3 | РСМ-10.05.09.130 | Пружина в сборе | |
| 4 | РСМ-10.05.09.150 | Пробка | |
| 5 | РСМ-10.05.09.200А | Растяжка | |
| 6 | М12-8gх20.88.35.019 | Болт | |
| 7 | 12Т.65Г.019 | Шайба | |
| 8 | РСМ-10.05.09.626В | Ось | |
| 9 | С20 | Кольцо ГОСТ 13942-86 | |
| 10 | РСМ-10.05.09.622 | Пружина | |
| 11 | РСМ-10.05.09.101В | Пробка | |
| 12 | М16-8gх20.88.35.019 | Болт | |
| 13 | 16Т.65Г.019 | Шайба | |
| 14 | С25 | Кольцо ГОСТ 13942-86 | |
| 15 | РСМ-10.05.09.616В | Ось | |
| 15 | РСМ-8.03.09.601 А | Ось | |
| 16 | М12-6Н.6.019 | Гайка | |
| 17 | РСМ-10.05.09.508 | Прокладка | |
| 18 | РСМ-10.05.09.509 | Прокладка | |
| 19 | РСМ-10.05.09.619А | Ось | |
| 20 | ГА-93000-04 | Гидроцилиндр | |
| 21 | РСМ-10.05.09.070Б | Кронштейн | |
| 22 | М12-8gх40.88.35.019 | Болт | |
| 23 | С12.01.019 | Шайба | |
| 24 | РСМ-10.05.09.618А | Втулка | |
| 25 | РСМ-10.05.09.080 | Рычаг натяжной | |
| 26 | РСМ-10.05.09.421 | Шайба | |
| 27 | М16-6Н.019 | Гайка | |
| 28 | 3,2х25.019 | Шплинт | |
| 29 | РСМ-10.05.09.424 | Тяга | |
| 30 | РСМ-10.05.09.120А | Подъемник | |
| 31 | РСМ-10.05.00.670 | Охват | |
| 32 | 10Т.65Г.019 | Шайба | |
| 33 | М10-8gх30.88.35.019 | Болт | |
| 34 | 5х5х40 | Шпонка | |
| 35 | РСМ-10.05.09.414 | Кожух охватывающий | |
| 36 | М8-8gх20.88.35.019 | Болт | |
| 37 | С8.01.019 | Шайба | |
| 38 | 8Т.65Г.019 | Шайба | |
| 39 | М8-6Н.6.019 | Гайка | |
| 40 | РСМ-10.05.09.090 | Рычаг | |
| 41 | РСМ-10.05.09.612А | Ось | |
| 42 | РСМ-10.05.09.615А | Ось | |
| 43 | РСМ-10.05.09.001Б | Шкив | |
| 44 | РСМ-10.05.09.613В | Ось | |
| 45 | 180206К10С27 | Подшипник | |
| 45 | 180206АС17 | Подшипник или 180206К10С27 | |
| 46 | РСМ-10.05.09.607А | Втулка | |
| 47 | С30 | Кольцо ГОСТ 13942-86 | |
| 48 | РСМ-10.05.09.103 | Крышка | |
| 49 | 8х1,0.01.019 | Шайба | |
| 50 | М8-8gх30.88.35.019 | Болт | |
| 51 | РСМ-10.05.09.506 | Полоса | |
| 52 | РСМ-10.05.09.415 | Кронштейн | |
| 53 | РСМ-10.05.09.627А | Связь | |
| 54 | М8-8gх25.88.35.019 | Болт | |
| 55 | РСМ-10.05.09.190 | Кожух | |
| 56 | ДО13-2 | Датчик оборотов | |
| 57 | РСМ-10.05.09.002 | Прокладка | |
| 58 | М6-8gх12.48.019 | Болт | |
| 59 | РСМ-10.05.09.409 | Скоба | |
| 60 | 6Т.65Г.019 | Шайба | |
| 61 | М6-6Н.6.019 | Гайка | |
| 62 | 16.01.019 | Шайба | |
| 63 | РСМ-10.05.09.624В-01 | Ось | |
| 64 | РСМ-10.05.09.624В | Ось | |
| 65 | РСМ-10.05.09.050 | Экран | |
| 66 | РСМ-10.05.09.160А | Кривошип | |
| 67 | 12.01.019 | Шайба | |
| 68 | МВ10-8gх35.22Н.019 | Винт | |
| 69 | П4М3.850.023ТУ | Магнитодержатель | |
| 70 | РСМ-10.05.09.621 | Втулка | |
| 71 | М10-6Н.6.019 | Гайка | |
| 72 | ВМ10-6gх35.22Н.019 | Винт |
Содержащиеся в справочниках-каталогах запасные части и детали не предлагаются к продаже, а носят исключительно информационный характер