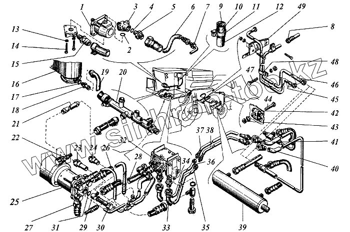
Каталог запасных частей к технике: РСМ Дон 1500А. Гидрооборудование ходовой части
1
2
3
4
5
6
7
8
9
10
11
12
13
14
15
16
17
18
19
20
21
22
23
24
25
26
27
28
29
30
31
32
33
34
35
36
37
38
39
40
41
42
43
44
45
46
47
48
49
| Позиция на иллюстрации | Заводской номер детали | Название детали | |
|---|---|---|---|
| 1 | НШ-10-3Л | Насос шестеренный левый | |
| 2 | НШ46-05.05.038 | Кольцо | |
| 3 | РСМ-10.09.06.210 | Муфта угловая | |
| 4 | НШ10-01.01.034 | Кольцо | |
| 5 | НШ10-01.01.037В | Штуцер | |
| 6 | Н.036.85.660 | Рукав высокого давления П-16 армированный | |
| 7 | РСМ-10.09.01.540Г | Трубопровод | |
| 8 | Н.036.84.050 | Рукав высокого давления П-12, армированный | |
| 9 | 54-60447 | Пружина | |
| 10 | 54-00178 | Шланг | |
| 11 | 54-0-139 | Хомут (кроме двигателя ЯМЗ) | |
| 12 | РСМ-10.09.13.806А | Трубка | |
| 13 | 8Т.65Г.019 | Шайба | |
| 14 | М8-6gх30.88.35.019 | Болт | |
| 15 | РСМ-10.09.06.608 | Переходник | |
| 16 | РСМ-10.09.09.010Б | Гидробак | |
| 17 | 038-041-25-2-6 | Кольцо уплотнительное | |
| 18 | РСМ-10.09.09.140А | Угольник ввертной | |
| 19 | РСМ-10.09.06.350Б | Рукав | |
| 20 | РСМ-10.09.01.670Б | Коллектор | |
| 21 | РСМ-10.09.01.490В | Трубопровод | |
| 22 | Н.036.67.100 | Полумуфта наружная | |
| 23 | РСМ-10.09.05.630Б | Трубопровод | |
| 24 | РСМ-10.09.05.640Б | Трубопровод | |
| 25 | НД-80К-12-В | Насос дозатор | |
| 26 | Н.036.84.140 | Рукав высокого давления П-12 армированный | |
| 27 | Н.036.84.020 | Рукав высокого давления П-12 армированный | |
| 28 | Н.036.84.060 | Рукав высокого давления П-12 армированный | |
| 29 | РСМ-10.09.04.301Б | Угольник поворотный | |
| 30 | РСМ-10.09.01.639А | Болт специальный | |
| 31 | РСМ-10.09.01.007 | Шайба | |
| 32 | 241.34.00.000 | Усилитель потока | |
| 33 | Н.036.04.011 | Штуцер ввертной | |
| 34 | 021-024-19-2-6 | Кольцо уплотнительное | |
| 35 | РСМ-10.09.05.590А | Трубопровод | |
| 36 | РСМ-10.09.05.600А | Трубопровод | |
| 37 | РСМ-10.09.01.910 | Трубопровод | |
| 38 | РСМ-10.09.01.910-01 | Трубопровод | |
| 39 | ГЦ63.200.16.000 | Гидроцилиндр | |
| 40 | РСМ-10.09.01.920-01 | Трубопровод | |
| 41 | РСМ-10.09.01.920 | Трубопровод | |
| 42 | РСМ-10.09.01.411 | Скоба (кроме двигателя ЯМЗ) | |
| 43 | М8-6Н.6.019 | Гайка | |
| 44 | М8-6gх20.88.35.019 | Болт | |
| 45 | РСМ-10.09.02.250 | Трубопровод | |
| 46 | РСМ-10.09.02.260 | Трубопровод | |
| 47 | М8-6gх20.88.35.019 | Болт | |
| 48 | РСМ-10.09.09.457 | Скоба | |
| 49 | РСМ-10.09.02.418 | Планка |
Содержащиеся в справочниках-каталогах запасные части и детали не предлагаются к продаже, а носят исключительно информационный характер