Каталог запасных частей к технике: РСМ Дон 1500А. Гидрооборудавание комбайна
1
2
3
4
4
4
5
5
6
6
7
8
9
10
10
11
12
13
14
15
16
17
18
19
20
21
22
23
24
25
26
27
28
29
29
30
31
32
33
34
35
36
37
38
39
40
41
42
43
44
45
46
47
48
49
50
51
52
53
54
55
56
57
58
59
60
61
62
63
64
65
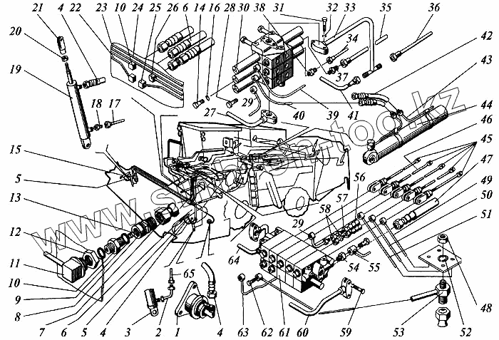
| Позиция на иллюстрации | Заводской номер детали | Название детали | |
|---|---|---|---|
| 3518060-98290 | 3518060-98290 | Трубопровод | |
| 3518060-98320 | 3518060-98320 | Трубопровод | |
| 1 | ГА-83000 | Гидроцилиндр | |
| 2 | 3518050-99810 | Трубопровод | |
| 3 | ГА-81000 | Гидроцилиндр | |
| 4 | Н.036.87.01.010 | Рукав | |
| 5 | Н.036.87.01.030 | Рукав | |
| 6 | ГЦС 32.180.16.000 | Гидроцилиндр | |
| 7 | Н.036.87.01.150 | Рукав высокого давления П-8 армированный | |
| 8 | Н.036.87.01.200-10 | Муфта внутренняя | |
| 9 | 011-015-25-2-2 | Кольцо уплотнительное | |
| 10 | Н.036.67.100-10 | Полумуфта наружная | |
| 11 | 3518060-98310 | Трубопровод | |
| 12 | М20х1,5-7Н.6.019 | Гайка | |
| 13 | Н.036.67.004 | Пружина | |
| 14 | РСМ-10.09.09.633 | Болт | |
| 15 | ГЦ40.180.16.000 | Гидроцилиндр | |
| 16 | 016-020-25-2-6 | Кольцо | |
| 17 | 3518060-98360 | Трубопровод | |
| 18 | ГА-80616 | Штуцер ввертной | |
| 19 | ГА-80000 | Гидроцилиндр | |
| 20 | М18х1,5-6Н.6.019 | Гайка | |
| 21 | 3518090-96001 | Вилка | |
| 22 | 3518060-98330 | Трубопровод | |
| 23 | 3518060-98300 | Трубопровод | |
| 24 | 3518060-98350 | Трубопровод | |
| 25 | 3518060-98340 | Трубопровод | |
| 26 | 3518060-99330 | Трубопровод | |
| 27 | РСМ-10.09.01.630А | Трубопровод | |
| 28 | 54-60505 | Болт | |
| 29 | РСМ-10.09.09.670 | Трубопровод | |
| 30 | 3РЭ50-02 | Электрогидрораспределитель | |
| 31 | М8-6gх30.88.35.019 | Болт | |
| 32 | 8Т.65Г.019 | Шайба | |
| 33 | РСМ-10.09.09.700А | Трубопровод | |
| 34 | РСМ-10.09.09.690 | Трубопровод | |
| 35 | РСМ-10.09.09.710 | Трубопровод | |
| 36 | РСМ-10.09.09.720 | Трубопровод | |
| 37 | РСМ-10.09.01.647 | Штуцер ввертной | |
| 38 | РСМ-10.09.05.614А | Штуцер | |
| 39 | РСМ-10.09.01.500А | Трубопровод | |
| 40 | РСМ-10.09.09.680 | Трубопровод | |
| 41 | РСМ-10.09.01.480 | Трубопровод | |
| 42 | Н.036.87.01.070 | Рукав высокого давления П-8 армированный | |
| 43 | РСМ-10.09.09.640 | Трубопровод | |
| 44 | ГЦ63.500.16.000 | Гидроцилиндр | |
| 45 | РСМ-10.04.18.020А | Тяга | |
| 46 | РСМ-10.04.18.020А-03 | Тяга | |
| 47 | Н.036.85.660 | Рукав высокого давления П-16 армированный | |
| 48 | М10.6Н.6.019 | Гайка | |
| 49 | РСМ-10.09.05.730Б | Трубопровод | |
| 50 | РСМ-10.09.05.730Б-01 | Трубопровод | |
| 51 | РСМ-10.09.05.730Б-02 | Трубопровод | |
| 52 | 10Т.65Г.019 | Шайба | |
| 53 | РСМ-10.09.05.750Б | Трубопровод | |
| 54 | РСМ-10.09.07.621А | Штуцер | |
| 55 | РСМ-10.09.05.620А | Трубопровод | |
| 56 | Н.036.87.01.050 | Рукав высокого давления П-8 армированный | |
| 57 | Н.036.87.01.090 | Рукав высокого давления П-8 армированный | |
| 58 | РСМ-10.09.01.860 | Переходник | |
| 59 | М8-6gх40.88.35.019 | Болт | |
| 60 | РСМ-10.09.05.770Б | Трубопровод | |
| 61 | 5РМ50-00 | Гидрораспределитель с механическим управлением | |
| 62 | 54-60506 | Болт | |
| 63 | РСМ-10.09.05.780А | Трубопровод | |
| 64 | РСМ-10.09.05.830Б | Трубопровод | |
| 65 | 3518060-98290-01 | Трубопровод |
Содержащиеся в справочниках-каталогах запасные части и детали не предлагаются к продаже, а носят исключительно информационный характер