Вернуться на главную
Поиск
Каталоги запчастей к технике
Сельхозтехника
РСМ
Дон 1200Б
Установка моторно-силовая
Каталог запасных частей к технике: РСМ Дон 1200Б. Установка моторно-силовая
zoom-in
zoom-out
enlarge
shrink
circle-right
circle-left
file-text2
info
cart
Тип техники
Не выбрано
Легковые автомобили
Грузовые автомобили и прицепы
Автобусы
Сельхозтехника
Спецтехника
Двигатели
Мототехника
Марка
Не выбрано
AGCO
Amity
CASE IH
DongFeng
Fortschritt
Foton
Franz Kleine
Gaspardo
Great Plains
KRONE
KUHN
Lemken
Lovol
MacDon
Massey Ferguson
New Holland
TIGARBO
Vaderstad
Versatile
Wirax
Агро
Агротехмаш
Бобруйскагромаш (ОАО «УКХ «Бобруйскагромаш»)
БЭМЗ
ВгТЗ
Воронежсельмаш
ВТЗ
Гомсельмаш
ДКЗ
ЗАО "Техника-сервис"
ЗиД
КЗК
Кировец-Ландтехник
Клевер
Красная Звезда
Лидагропроммаш
Лидсельмаш
ЛТЗ
Машстройхолдинг
Минитракторы
Мордовагромаш
МТЗ
Навигатор-Новое машиностроение
Нефтекамский автозавод
ПТЗ
Ремком
РСМ
Сибсельмаш
ТеКЗ
ТКЗ
ХЗТСШ
ХТЗ
ЮМЗ
Модель
Не выбрано
CK-5М-1 «Нива»
CK-5М-1 «Нива» (2002)
Vector-450 (Часть 1) (2018)
Vector-450 (Часть 2) (2018)
Дон (общий каталог)
Дон 1200
Дон 1200Б
Дон 1500А
Дон 1500Б
Жатка 3518050-12010 (2020)
Жатка S300.27 (2020)
Жатка ЖЗТ-9 (2020)
Жатка ЖКС (2020)
Жатка ЖСУ-700 (2020)
Жатка ЖСУ-703 (2020)
Жатка РСМ-081.27 (2010)
Жатка РСМ-081.27 (2020)
Жатка РСМ-081.27 (вариант) (2010)
Жатка РСМ-100.70, 1401.70 (2007)
Жатка РСМ-161.27 (2020)
Платформа-подборщик РСМ-081.08 (2020)
Платформа-подборщик РСМ-091.08 (2020)
ППК-81 Argus (2020)
РСМ 2375 (2020)
РСМ-100 (Дон-680) (2002)
РСМ-100 (Дон-680М) (2010)
РСМ-101 "Вектор" (2010)
РСМ-101 "Вектор" (вариант) (2010)
РСМ-10Б "Дон-1500Б" (2006)
РСМ-1401 (2009)
РСМ-142 "Acros" (2010)
РСМ-142 "Acros" вариант (2010)
РСМ-142 (Acros-550) (2020)
РСМ-152 "Acros-590/595 Plus" Часть 1 (2020)
РСМ-152 "Acros-590/595 Plus" Часть 2 (2020)
РСМ-161 (Часть 1) (2015)
РСМ-161 (Часть 2) (2015)
РСМ-181 "Torum-740" (2010)
РСМ-181 "Torum-740" (вариант) (2010)
Стол рапсовый RSM001.00.000К (2020)
Тележка для перевозки жатки РСМ-142.29 (2020)
Тележка РСМ-142.29 (2009)
Тележка транспортная ТТ-4000 (2020)
Энергосредство ЭС-1 (2009)
Схема
>
Не выбрано
Кабина
Кабина
Опора кабины
Кабина
Дверь кабины
Дверь кабины
Площадка водителя
Рычаг включения привода наклонной камеры
Рычаг подъема подбарабанья
Управление гидросистемой трансмиссии
Механизм включения гидростатической трансмиссии
Управление подачей топлива
Управление подачей топлива
Управление коробкой диапазонов
Тормоз стояночный
Управление тормозами
Главный цилиндр
Управление рулевое
Рулевая колонка
Вентилятор
Вентилятор
Установка отопителя
Отопитель
Установка кондиционера фирмы "Konvekta"
Установка трубопроводов управления моста ведущих колес
Площадка входа в кабину
Механизм поворота лестницы
Дизель СМД-23
Блок-картер
Трубка сливная
Патрубок маслоналивной
Картер маховика
Картер и крышка картера шестерен
Поршень с шатуном
Вал коленчатый
Маховик
Передний носок коленчатого вала
Распределение
Головка цилиндров
Механизм газораспределения
Колпак головки цилиндров
Крышка картера нижняя
Насос масляный
Центрифуга масляная полнопоточная
Фильтр
Установка подогревателя
Установка гидронасоса
Установка гидронасоса
Труба водяная и коллектор впускной
Система топливная
Топливный фильтр тонкой очистки
Форсунка
Воздухоочиститель
Воздухозаборник и клапан эжектора
Установка турбокомпрессора
Корпус компрессора
Корпус средний
Корпус турбины
Система выпускная
Насос водяной и вентилятор
Ролик натяжной
Установка термостата
Установка стартера
Установка счетчика моточасов
Установка генератора
Генератор
Установка вала съема мощности с маховика
Инструмент и принадлежности для двигателей СМД-31А и СМД-23
Механизм включения привода молотилки
Блок радиаторов (устанавливать с двигателем СМД-31А, СМД-23, Д-461/51, Д-446/51)
Радиатор водяной (устанавливать с двигателем СМД-31А, СМД-23, Д-461/51, Д-446/51)
Установка трубопроводов блока радиаторов
Радиатор воздушный (устанавливать с двигателем СМД-31А, СМД-23)
Воздухозаборник
Установка гидронасоса
Капот
Капот радиатора
Топливопровод
Натяжник привода компрессора кондиционера
Площадка двигателя передняя
Площадка обслуживания двигателя
Натяжное устройство
Воздухоочистка
Бак топливный
Установка моторно-силовая комбайна с двигателем СМД-23
Установка моторно-силовая (устанавливать с двигателем СМД 23)
Установка моторно-силовая
Установка моторно-силовая
Топливопровод
Топливопровод
Шасси
Вал соединительный
Рычаг
Подвеска
Подвеска
Рама
Установка лотка (для комбайнов с копнителем)
Мост ведущий с гидроприводом
Редуктор бортовой МК-23М.04.000 (правый), МК-23М.03.000ж (левый)
Редуктор бортовой
Коробка диапазонов ведущего моста с гидроприводом
Коробка диапазонов ведущего моста с гидроприводом
Коробка диапазонов и дифференциал ведущего моста с гидроприводом
Механизм переключения коробки диапазонов ведущего моста с гидроприводом
Колесо ведущее (левое и правое)
Мост управляемых колес
Колесо управляемое (левое и правое)
Платформа-подборщик
Платформа-подборщик
Платформа-подборщик
Фланец правой боковины
Шнек, устройство предохранительное шнека
Проставка
Битер проставки
Шкив вариатора верхний
Шкив вариатора нижний
Вал контрпривода платформы и опора
Транспортер подборщика захватом 3,4 м
Транспортер подборщика захватом 2,75 м
Полотно транспортера
Вал ведущий
Вал ведущий
Вал ведомый
Устройство разгружающее, нормализатор
Колесо
Колесо
Жатвенная часть
Корпус жатки
Механизм уравновешивания жатки левый
Механизм уравновешивания жатки правый
Компенсатор и подвеска жатки
Механизм привода рабочих органов жатки
Вал карданный привода жатки
Аппарат режущий
Механизм качающейся шайбы
Механизм качающейся шайбы
Вал опоры
Шкив обводной привода МКШ
Шкив натяжной привода МКШ
Звездочка
Звездочка натяжная
Мотовило захватом 6 и 7 м
Мотовило захватом 8,6 м
Поддержки мотовила с механизмом регулировки
Устройство предохранительное, привод мотовила
Шкив ведущий вариатора мотовила
Шкив ведомый вариатора мотовила
Шнек жатки
Фланец правой боковины
Проставка
Корпус проставки
Битер проставки
Щитки уплотнительные
Щитки ограждения левой боковины жатки
Контрпривод жатки, башмак жатки
Камера наклонная
Камера наклонная
Вал верхний наклонной камеры
Вал нижний транспортера наклонной камеры
Транспортер наклонной камеры
Устройство предохранительное, механизм реверса, вал трансмиссионный
Звездочка натяжная контрприводного вала
Рама тележки для транспортирования жатки
Блок колес тележки для транспортирования жатки
Панель левая передней секции молотилки
Панель правая передней секции молотилки
Барабан молотильный
Вариатор барабана
Подбарабанье
Вал торсиона
Битер отбойный
Шкив вариатора ведущий
Механизм включения и выключения привода жатки
Панель правая каркаса молотилки
Панель левая каркаса молотилки
Рычаг
Контрпривод (для комбайнов с копнителем)
Ролик натяжной (для комбайнов с копнителем)
Ролик натяжной
Ролик натяжной
Ролик
Шкив натяжной привода соломотряса
Устройство натяжное привода половонабивателя (для комбайнов с копнителем)
Крыша
Кожух вентилятора
Вентилятор
Контрпривод вентилятора
Блок шнеков
Решето нижнее
Решето верхнее
Удлинитель
Стрясная доска
Привод очистки
Активатор
Соломотряс
Коленвалы соломотряса
Задний контрпривод
Половонабиватель (для комбайнов с копнителем)
Бункер
Бункер
Днище бункера
Днище бункера
Привод выгрузного шнека
Шнек зерновой наклонный
Редуктор шнека зернового наклонного
Шнек распределительный домолачивающего устройства
Шнек выгрузной
Шнек выгрузной
Элеватор зерновой
Элеватор колосовой
Домолачивающее устройство
Копнитель
Копнитель
Боковина и капот копнителя
Днище
Граблина правая, граблина левая
Вал сбрасывания. Рычаг правый. Тяга защелки
Датчик копнителя
Сигнализатор копнителя
Универсальное приспособление для уборки незерновой части урожая
Установка щитка ограждения вентилятора
Установка щитка ограждения барабана
Установка шкива натяжного
Установка ролика
Установка ролика натяжного привода вентилятора
Вентилятор
Шнек
Половопровод
Соломопровод
Капот
Блок измельчителя
Разбрасыватель
Противорежущее устройство
Доска транспортирующая
Ролик натяжной привода контрпривода измельчителя
Установка автосцепки
Захват
Прицеп
Гидрооборудование комбайна с уст. двигателей СМД-31А и СМД-23
Гидрооборудавание комбайна
Оборудование основной гидросистемы
Гидрооборудование
Гидростатическая трансмиссия
Гидробак (1500Б, 1200Б)
Гидрооборудование ходовой части
Гидрооборудование комбайна с установкой двигателя ЯМЗ-238АК
Гидрооборудование комбайна с установкой двигателя ЯМЗ-238АК
Оборудование основной гидросистемы с уст. двигателя ЯМЗ-238АК
Оборудование ходовой части с установкой двигателя ЯМЗ-238АК
Гидрораспределитель (для комбайнов с измельчителем)
Гидрораспределитель
Распределитель
Насос шестеренный
Клапан напорный
Гидроклапан с электромагнитным управлением
Клапан дросселирующий настраиваемый
Клапан-сигнализатор
Гидроцилиндр вариатора барабана
Гидроцилиндр
Гидроцилиндр
Гидроцилиндр горизонтального перемещения мотовила
Гидроцилиндр горизонтального перемещения мотовила
Гидроцилиндр
Гидроцилиндр
Гидроцилиндр
Гидроцилиндр подъема мотовила
Гидроцилиндр
Гидроцилиндр
Гидроцилиндр поворота выгрузного шнека
Гидрооборудование комбайна с установкой двигателя Д-451/61
Оборудование ходовой части с установкой двигателя Д-451/61
Электрооборудование комбайна
Сигнализатор
Электрооборудование кабины
Щиток приборов
Панели
Пульт электрогидравлики
Электрооборудование рулевой колонки
Фара мигалка
Ящик аккумуляторный
Фара
Фонари
Провода электрические и жгуты
Провода электрические и жгуты
Провода электрические и жгуты
Провода электрические и жгуты
Провода электрические и жгуты
Провода электрические и жгуты
Провода электрические и жгуты
Провода электрические и жгуты
Провода электрические и жгуты
Провода электрические и жгуты
Провода электрические и жгуты
Установка огнетушителя
Принадлежности
Принадлежности
Инструмент
Принадлежности
Общий вид комбайнов Дон-1200Б
Схема ременных и цепных передач комбайнов (левая сторона)
Схема ременных и цепных передач комбайнов (правая сторона)
Схема передач платформы-подборщика (1500Б, 1200Б)
Схема передач измельчителей ПКН-1500Б (1200Б) (левая сторона)
Схема ременных передач измельчителей ПКН-1500Б (1200Б) (правая сторона)
Схема ременных передач измельчителя-разбрасывателя (правая сторона)
Схема расположения подшипников платформы-подборщика
Схема расположения подшипников измельчителя ПКН-1500Б (1200Б)
Схема расположения подшипников измельчителя-разбрасывателя ПКН-1500Б-01 (1200Б-01)
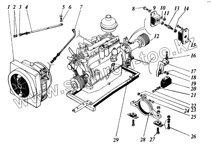
1
2
3
4
5
6
7
8
9
10
11
12
12
13
14
15
16
17
18
19
20
21
22
23
24
25
26
27
28
29
Позиция на иллюстрации
Заводской номер детали
Название детали
1
РСМ-10.05.18.000А
Воздухозаборник
2
М10.6Н.6.019
Гайка
3
РСМ-10.05.00.621
Шайба сферическая
4
РСМ-8.03.00.601А
Тяга
5
М10-8gх20.88.35.019
Болт
6
10Т.65Г.019
Шайба
7
РСМ-8.03.00.602Б
Тяга
8
М12-8gх30.88.35.019
Болт
9
С12.01.019
Шайба
10
12Т.65Г.019
Шайба
11
М12-6Н.6.019
Гайка
12
РСМ-8Б.03.00.380
Шкив диаметр 250 (6-ти ручьевой) или РСМ-8.03.00.101Г
12
РСМ-8.03.00.101Г
Шкив диаметр 250 (6-ти ручьевой) или РСМ-8Б.03.00.380
13
РСМ-10.05.00.647
Шпилька
14
М16-7Н.6.019
Гайка
15
РСМ-10.05.00.900
Амортизатор
16
54-7-44
Провод массы
17
РСМ-8.03.00.201А
Кронштейн
18
14Т.65Г.019
Шайба
19
М14.6Н.6.019
Гайка
20
РСМ-10.05.00.210А
Подушка задней опоры
21
С12х2,0.01.019
Шайба
22
М12-8gх20.88.35.019
Болт
23
М16-6Н.6.019
Гайка
24
16Т.65Г.019
Шайба
25
М16-6gх65.88.35.019
Болт
26
М12-8gх30.88.35.019
Болт
27
М16-8gх35.88.35.019
Болт
28
44Б-200047А
Кронштейн передний опоры двигателя
29
РСМ-8.03.00.060В
Рама
Содержащиеся в справочниках-каталогах запасные части и детали не предлагаются к продаже, а носят исключительно информационный характер
Дополнительная информация
×
Название:
Номер:
Примечание: