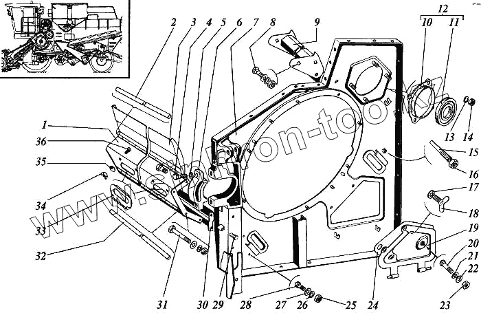
Каталог запасных частей к технике: РСМ Дон 1200. Панель левая передней секции молотилки
1
1
2
2
3
3
4
5
6
7
8
9
9
10
11
11
12
13
14
15
16
17
18
19
20
21
22
23
24
25
26
27
28
29
30
30
31
32
33
34
35
36
| Позиция на иллюстрации | Заводской номер детали | Название детали | |
|---|---|---|---|
| 1 | РСМ-8Б.01.15.060 | Щит | |
| 1 | РСМ-10Б.01.15.060 | Щит | |
| 2 | РСМ-10.01.15.606 | Ось | |
| 2 | РСМ-8.01.15.606 | Ось | |
| 3 | РСМ-8.01.15.080 | Щиток | |
| 3 | РСМ-10.01.15.080 | Щиток | |
| 4 | М20-6gх60.10.9.40Х.019 | Болт | |
| 5 | 20Т.65Г.019 | Шайба | |
| 6 | РСМ-10.01.15.202 | Обойма | |
| 7 | РСМ-10Б.01.16.000 | Панель левая | |
| 8 | М10х25 | Болт | |
| 9 | РСМ-10.01.15.190 | Отсекатель | |
| 9 | РСМ-8.01.15.190 | Отсекатель | |
| 10 | Н.027.116 | Корпус подшипника | |
| 11 | 780716НК7С27 | Подшипник или 780716НК7С17 | |
| 11 | 780716НК7С17 | Подшипник или 780716НК7С27 | |
| 12 | Н.027.01.160-01 | Опора | |
| 13 | 16Т.65Г.019 | Шайба | |
| 14 | М16-6Н.6.019 | Гайка | |
| 15 | РСМ-10.01.15.615 | Шпилька | |
| 16 | М12-6Н.6.019 | Гайка | |
| 17 | 44-00241 | Втулка | |
| 18 | 44-1-2-16-2 | Винт | |
| 19 | РСМ-10.01.15.220 | Крышка | |
| 20 | М8х20 | Болт | |
| 21 | 8Т.65Г.019 | Шайба | |
| 22 | С8х1,4.01.019 | Шайба | |
| 23 | М8-6Н.6.019 | Гайка | |
| 24 | РСМ-10.01.15.415А | Накладка | |
| 25 | М10-6Н.6.019 | Гайка | |
| 26 | 10Т.65Г.019 | Шайба | |
| 27 | С10х2,0.01.019 | Шайба | |
| 28 | М10-6gх25.88.35.019 | Болт | |
| 29 | М10-6gх90.88.35.019 | Болт | |
| 30 | РСМ-10Б.01.15.380 | Камнеуловитель | |
| 30 | РСМ-8Б.01.15.380 | Камнеуловитель | |
| 31 | М10-6gх110.88.35.019 | Болт | |
| 32 | РСМ-10.05.13.602 | Ось | |
| 33 | РСМ-10Б.01.15.411 | Крышка | |
| 34 | 54-2-157 | Гайка специальная | |
| 35 | 41119 | Шайба эксцентричная | |
| 36 | М6х20 | Болт |
Содержащиеся в справочниках-каталогах запасные части и детали не предлагаются к продаже, а носят исключительно информационный характер