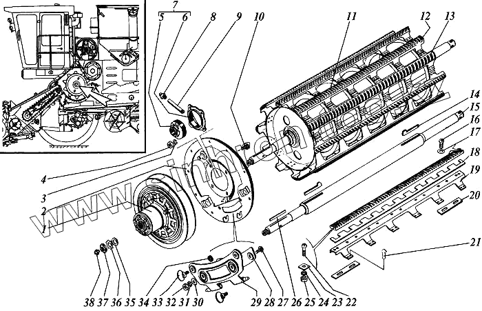
Каталог запасных частей к технике: РСМ Дон 1200. Барабан молотильный
1
2
3
4
5
6
7
8
9
10
11
11
12
12
13
13
14
14
15
15
16
17
18
18
19
19
20
21
22
23
24
25
26
27
28
29
30
31
32
33
34
35
36
37
38
| Позиция на иллюстрации | Заводской номер детали | Название детали | |
|---|---|---|---|
| 1 | РСМ-10.01.18.060Б | Вариатор барабана | |
| 2 | РСМ-10.01.18.130 | Фланец | |
| 3 | 16Т.65Г.019 | Шайба | |
| 4 | М16-6Н.6.019 | Гайка | |
| 5 | 680314НК7С17 | Подшипник или 680314НК7С27 | |
| 6 | Н.027.116 | Корпус подшипника | |
| 7 | Н.027.01.160 | Подшипник в сборе или опора или РСМ-10.01.15.330 | |
| 8 | 2.2.45.Ц6хр | Масленка | |
| 9 | 44Б-80243 | Трубка | |
| 10 | М16х50 | Болт | |
| 11 | РСМ-8.01.18.410 | Остов барабана | |
| 11 | РСМ-10.01.18.410 | Остов барабана | |
| 12 | РСМ-8.01.18.707 | Бич правый | |
| 12 | РСМ-10.01.18.707 | Бич правый | |
| 13 | РСМ-8.01.18.708 | Бич левый | |
| 13 | РСМ-10.01.18.708 | Бич левый | |
| 14 | РСМ-10.01.18.604 | Шпонка специальная или РСМ-10.01.18.301 | |
| 14 | РСМ-10.01.18.301 | Шпонка специальная или РСМ-10.01.18.604 | |
| 15 | РСМ-8.01.18.260 | Вал барабана | |
| 15 | РСМ-10.01.18.260 | Вал барабана | |
| 16 | 54-62388-01 | Болт | |
| 17 | С12х2,0.01.019 | Шайба | |
| 18 | РСМ-8.01.18.413 | Прокладка (по потребности) | |
| 18 | РСМ-10.01.18.413 | Прокладка (по потребности) | |
| 19 | РСМ-8.01.18.425 | Подбичник | |
| 19 | РСМ-10.01.18.425 | Подбичник | |
| 20 | РСМ-10.01.18.414 | Пластина балансировочная (по потребности) | |
| 21 | РСМ-10.01.18.619 | Заклепка | |
| 22 | 54-62388 | Болт специальный | |
| 23 | РСМ-10.01.18.501 | Шайба | |
| 24 | 12Т.65Г.019 | Шайба | |
| 25 | М12х1,25-6Н.6.019 | Гайка | |
| 26 | 18х11х200 | Шпонка | |
| 27 | М8х20 | Болт | |
| 28 | РСМ-10.01.18.409 | Накладка | |
| 29 | РСМ-10.01.18.150 | Крышка | |
| 30 | С8х1,4.01.019 | Шайба | |
| 31 | 8Т.65Г.019 | Шайба | |
| 32 | М8-6Н.6.019 | Гайка | |
| 33 | 44-1-2-16-2 | Винт | |
| 34 | 44-00241 | Втулка | |
| 35 | С42х4,0.01.019 | Шайба | |
| 36 | Н42х1,4.01.019 | Шайба | |
| 37 | ВМ42х1,5-6Н.05.019 | Гайка | |
| 38 | 1.2.Ц6хр | Масленка |
Содержащиеся в справочниках-каталогах запасные части и детали не предлагаются к продаже, а носят исключительно информационный характер