Вернуться на главную
Поиск
Каталоги запчастей к технике
Сельхозтехника
РСМ
CK-5М-1 «Нива»
Механизм регулировки вариатора вентилятора
Каталог запасных частей к технике: РСМ CK-5М-1 «Нива». Механизм регулировки вариатора вентилятора
zoom-in
zoom-out
enlarge
shrink
circle-right
circle-left
file-text2
info
cart
Тип техники
Не выбрано
Легковые автомобили
Грузовые автомобили и прицепы
Автобусы
Сельхозтехника
Спецтехника
Двигатели
Мототехника
Марка
Не выбрано
AGCO
Amity
CASE IH
DongFeng
Fortschritt
Foton
Franz Kleine
Gaspardo
Great Plains
KRONE
KUHN
Lemken
Lovol
MacDon
Massey Ferguson
New Holland
TIGARBO
Vaderstad
Versatile
Wirax
Агро
Агротехмаш
Бобруйскагромаш (ОАО «УКХ «Бобруйскагромаш»)
БЭМЗ
ВгТЗ
Воронежсельмаш
ВТЗ
Гомсельмаш
ДКЗ
ЗАО "Техника-сервис"
ЗиД
КЗК
Кировец-Ландтехник
Клевер
Красная Звезда
Лидагропроммаш
Лидсельмаш
ЛТЗ
Машстройхолдинг
Минитракторы
Мордовагромаш
МТЗ
Навигатор-Новое машиностроение
Нефтекамский автозавод
ПТЗ
Ремком
РСМ
Сибсельмаш
ТеКЗ
ТКЗ
ХЗТСШ
ХТЗ
ЮМЗ
Модель
Не выбрано
CK-5М-1 «Нива»
CK-5М-1 «Нива» (2002)
Vector-450 (Часть 1) (2018)
Vector-450 (Часть 2) (2018)
Дон (общий каталог)
Дон 1200
Дон 1200Б
Дон 1500А
Дон 1500Б
Жатка 3518050-12010 (2020)
Жатка S300.27 (2020)
Жатка ЖЗТ-9 (2020)
Жатка ЖКС (2020)
Жатка ЖСУ-700 (2020)
Жатка ЖСУ-703 (2020)
Жатка РСМ-081.27 (2010)
Жатка РСМ-081.27 (2020)
Жатка РСМ-081.27 (вариант) (2010)
Жатка РСМ-100.70, 1401.70 (2007)
Жатка РСМ-161.27 (2020)
Платформа-подборщик РСМ-081.08 (2020)
Платформа-подборщик РСМ-091.08 (2020)
ППК-81 Argus (2020)
РСМ 2375 (2020)
РСМ-100 (Дон-680) (2002)
РСМ-100 (Дон-680М) (2010)
РСМ-101 "Вектор" (2010)
РСМ-101 "Вектор" (вариант) (2010)
РСМ-10Б "Дон-1500Б" (2006)
РСМ-1401 (2009)
РСМ-142 "Acros" (2010)
РСМ-142 "Acros" вариант (2010)
РСМ-142 (Acros-550) (2020)
РСМ-152 "Acros-590/595 Plus" Часть 1 (2020)
РСМ-152 "Acros-590/595 Plus" Часть 2 (2020)
РСМ-161 (Часть 1) (2015)
РСМ-161 (Часть 2) (2015)
РСМ-181 "Torum-740" (2010)
РСМ-181 "Torum-740" (вариант) (2010)
Стол рапсовый RSM001.00.000К (2020)
Тележка для перевозки жатки РСМ-142.29 (2020)
Тележка РСМ-142.29 (2009)
Тележка транспортная ТТ-4000 (2020)
Энергосредство ЭС-1 (2009)
Схема
>
Не выбрано
Кабина
Площадка водителя
Площадка управления
Площадка управления
Подкос крепления площадки водителя
Дверь кабины
Откидное сиденье водителя
Откидное сиденье водителя
Четырехзвеник сиденья
Вентилятор кабины
Установка отопителя
Отопитель
Вентилятор
Установка вентилятора обдува
Хомут крепления огнетушителя
Установка термоса
Схема расположения табличек на левой стороне и спереди комбайнов
Схема расположения табличек на правой стороне и сзади комбайнов
Капот двигателя
Щитки правой стороны комбайна
Лестница и щитки левой стороны комбайна
Моторная группа с двигателем СМД-22 или СМД-21
Моторная группа с двигателем СМД-22А
Моторная группа с двигателем СМД-21
Шкив натяжной
Тяга включения муфты двигателя
Бак топливный
Установка топливного бака и топливопровода
Бачок топливный
Механизм подачи топлива (ручной)
Тяга газа
Труба выхлопная
Установка радиатора для моторной группы с двигателем СМД-21
Установка радиатора для моторной группы с двигателем СМД-22А
Установка воздушного радиатора
Воздухозаборник радиатора
Вращающийся воздухозаборник
Радиатор
Муфта включения сцепления коробки передач
Муфта сцепления
Цилиндр привода включения сцепления
Механизм переключения скоростей
Коробка передач
Механизм управления коробкой передач
Тормоз коробки передач
Корпус, крышки, прокладки коробки передач
Шестерни, валы коробки передач
Вариатор скорости на ход
Блок ведущий вариатора
Мост ведущих колес
Блок ведомый
Дифференциал
Кожух моста
Балка распорная моста ведущих колес
Мост управляемых колес
Мост управляемых колес
Редуктор бортовой левый
Редуктор бортовой правый
Редуктор бортовой левый
Редуктор бортовой правый
Ход полугусеничный сменный
Тележка гусеничная правая, тележка гусеничная левая
Колесо ведущее левое, колесо ведущее правое
Управление рулевое
Поперечная рулевая тяга
Тормоз левый, тормоз правый
Цилиндр тормозной
Колонка привода тормоза
Главный цилиндр тормоза левый, главный цилиндр тормоза правый, главный цилиндр муфты сцепления
Трубопровод тормозной системы
Тяга стояночного тормоза
Электрооборудование
Электрооборудование
Клапан
Электрооборудование бункера
Электрооборудование
Установка аккумулятора
Приборы световые передние правые, приборы световые передние левые
Фонарь бункера
Фара
Фара
Приборы световые задние правые
Приборы световые задние левые
Сигнализатор вращения шнека
Сигнализатор заполнения бункера
Включатель
Электрические провода
Жгуты проводов
Щиток приборов
Щиток приборов
Жатвенная часть
Режущий аппарат и механизм привода ножа
Вал контрприводной
Вал карданный
Вал кривошипа
Коромысло
Режущий аппарат
Мотовило универсальное
Механизм регулировки мотовила
Звездочка с муфтой
Жатка захватом 4,1м
Жатка захватом 5,0м
Механизм левой жатки
Балка мотовила для жатки захватом 4,1м
Балка мотовила для жатки захватом 5,0м
Привод мотовила форсированный
Корпус жатки
Корпус жатки
Установка щитков бокового уплотнения
Вал вариатора нижний
Шкив вариатора верхний
Щиток переходной
Башмак
Звездочка натяжная
Опора жатки
Камера наклонная
Вал нижний транспортера наклонной камеры
Блок уровнавешивания для жаток захватом 4,1 и 5,0м
Блок уровнавешивания для жаток захватом 5,0м
Вал верхний наклонной камеры
Звездочка натяжная
Делитель
Стеблеотвод
Щиток
Кожух карданной передачи
Устройство предохранительное
Шнек жатки
Привод шнека
Пальчиковый механизм шнека жатки
Стеблеподъемник
Контрпривод главный
Шкив большой
Механизм включения жатки
Гидроцилиндр ведущего шкива вариатора молотильного барабана
Контрпривод задний
Механизм регулировки подбарабанья
Механизм регулировки подбарабанья
Подбарабанье
Надставка подбарабанья
Рычаг деки
Установка привода очистки
Рычаг очистки правый, рычаг очистки левый
Механизм управления открытием жалюзи решет
Рама
Панель правая
Панель левая
Крыша молотилки
Установка приемного битера
Установка молотильного барабана
Остов барабана
Шкив малый
Гидроцилиндр
Гидроцилиндр ведомого шкива вариатора молотильного барабана
Установка отбойного битера
Отсекатель
Соломотряс
Вал коленчатый ведущий, вал коленчатый ведомый
Грохот
Решето верхнее
Удлинитель грохота
Решетный стан
Решето нижнее
Вентилятор
Шнек колосовой
Шнек колосовой
Шнек зерновой
Шнек зерновой
Элеватор зерновой
Элеватор колосовой
Вал колебательный
Фартук грохота
Фартук соломотряса
Связь передняя
Шкив натяжной контрпривода
Шкив натяжной
Желоб
Крышка капота барабана
Фартук
Капот соломотряса
Подкос молотилки
Связь передняя корпуса молотилки
Звездочка натяжная
Крышка люка нижнего
Шкив натяжной
Лоток половонабивателя
Щиток правый, щиток левый
Крышка люка верхнего
Половонабиватель
Контрпривод соломотряса
Шкив натяжной
Шкив натяжной
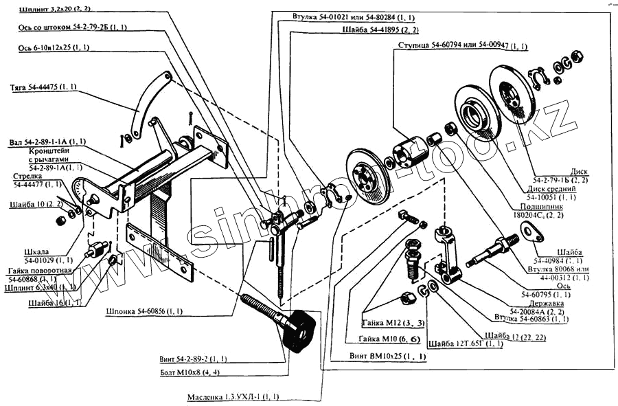
Механизм регулировки вариатора вентилятора
Звездочка натяжная
Капот соломотряса
Контрпривод задний
Бункер зерна
Шнек бункера
Шнек выгрузной
Шнек распределительный
Растяжка боковая
Тяга
Механизм выгрузки бункера
Тяга
Механизм предохранительный
Патрубок
Вибратор
Копнитель
Ферма
Граблина правая, граблина левая
Днище
Клапан задний
Вал сбрасывания
Рычаг правый
Датчик
Тяга открытия копнителя
Автомат сбрасывания копны
Тяга
Кронштейн
Гидрооборудование
Гидрооборудование
Установка управления распределителем
Шланг всасывающий от гидробака к насосу
Клапан предохранительный
Клапан
Клапан
Гидроцилиндр подъема и опускания мотовила, открытия и закрытия копнителя
Шланг всасывающий от гидробака к насосу
Гидроцилиндр подъема жатки
Гидрооборудование
Распределитель
Распределитель
Гидробак
Крепление гидробака
Цилиндр воздухозаборника
Цилиндр с наконечниками
Распределитель
Распределитель специальный
Насос планетарный
Тяга гидрозолотника
Штуцер
Натяжное колесо правое, натяжное колесо левое
Натяжное устройство
Кронштейн
Звездочка натяжная
Инструмент и принадлежности
Инструмент и принадлежности
Инструмент и принадлежности
Инструмент и принадлежности
Футляр для аптечки
Общий вид комбайна
Схема расположения клиновых ремней, цепей, натяжных шкивов и звездочек на левой стороне комбайнов
Схема расположения клиновых ремней, цепей, натяжных шкивов и звездочек на левой стороне комбайнов
Схема расположения клиновых ремней, цепей, натяжных шкивов и звездочек на правой стороне комбайнов (с копнителем и капотом)
54-40984
Ось 6-10в12х25
54-2-79-2Б
180204С9
54-44477
54-00947
54-60794
54-44475
12Т.65Г
54-60795
54-41895
Шайба 10
Шайба 12
Шайба 16
54-01029
Шплинт 3,2х20
Шплинт 6,3х40
54-60856
Гайка М10
54-2-89-1-1А
54-2-89-2
Винт ВМ10х25
44-00312
54-01021
54-60863
54-80284
80068
Болт М10х8
Гайка М12
54-60868
54-20084А
54-2-79-1Б
54-10051
54-2-89-1А
1.3.УХЛ-1
Позиция на иллюстрации
Заводской номер детали
Название детали
54-40984
54-40984
Шайба
Ось 6-10в12х25
Ось 6-10в12х25
Ось 6-10в12х25
54-2-79-2Б
54-2-79-2Б
Ось со штоком
180204С9
180204С9
Подшипник
54-44477
54-44477
Стрелка
54-00947
54-00947
Ступица
54-60794
54-60794
Ступица
54-44475
54-44475
Тяга
12Т.65Г
12Т.65Г
Шайба
54-60795
54-60795
Ось
54-41895
54-41895
Шайба
Шайба 10
Шайба 10
Шайба 10
Шайба 12
Шайба 12
Шайба 12
Шайба 16
Шайба 16
Шайба 16
54-01029
54-01029
Шкала
Шплинт 3,2х20
Шплинт 3,2х20
Шплинт 3,2х20
Шплинт 6,3х40
Шплинт 6,3х40
Шплинт 6,3х40
54-60856
54-60856
Шпонка
Гайка М10
Гайка М10
Гайка М10
54-2-89-1-1А
54-2-89-1-1А
Вал
54-2-89-2
54-2-89-2
Винт
Винт ВМ10х25
Винт ВМ10х25
Винт ВМ10х25
44-00312
44-00312
Втулка
54-01021
54-01021
Втулка
54-60863
54-60863
Втулка
54-80284
54-80284
Втулка
80068
80068
Втулка
Болт М10х8
Болт М10х8
Болт М10х8
Гайка М12
Гайка М12
Гайка М12
54-60868
54-60868
Гайка повторная
54-20084А
54-20084А
Державка
54-2-79-1Б
54-2-79-1Б
Диск
54-10051
54-10051
Диск средний
54-2-89-1А
54-2-89-1А
Кронштейн с рычагами
1.3.УХЛ-1
1.3.УХЛ-1
Масленка
54-2-89В
54-2-89В
Механизм регулировки вариатора вентилятора
Содержащиеся в справочниках-каталогах запасные части и детали не предлагаются к продаже, а носят исключительно информационный характер
Дополнительная информация
×
Название:
Номер:
Примечание: