Вернуться на главную
Поиск
Каталоги запчастей к технике
Сельхозтехника
РСМ
CK-5М-1 «Нива»
Корпус жатки
Каталог запасных частей к технике: РСМ CK-5М-1 «Нива». Корпус жатки
zoom-in
zoom-out
enlarge
shrink
circle-right
circle-left
file-text2
info
cart
Тип техники
Не выбрано
Легковые автомобили
Грузовые автомобили и прицепы
Автобусы
Сельхозтехника
Спецтехника
Двигатели
Мототехника
Марка
Не выбрано
AGCO
Amity
CASE IH
DongFeng
Fortschritt
Foton
Franz Kleine
Gaspardo
Great Plains
KRONE
KUHN
Lemken
Lovol
MacDon
Massey Ferguson
New Holland
TIGARBO
Vaderstad
Versatile
Wirax
Агро
Агротехмаш
Бобруйскагромаш (ОАО «УКХ «Бобруйскагромаш»)
БЭМЗ
ВгТЗ
Воронежсельмаш
ВТЗ
Гомсельмаш
ДКЗ
ЗАО "Техника-сервис"
ЗиД
КЗК
Кировец-Ландтехник
Клевер
Красная Звезда
Лидагропроммаш
Лидсельмаш
ЛТЗ
Машстройхолдинг
Минитракторы
Мордовагромаш
МТЗ
Навигатор-Новое машиностроение
Нефтекамский автозавод
ПТЗ
Ремком
РСМ
Сибсельмаш
ТеКЗ
ТКЗ
ХЗТСШ
ХТЗ
ЮМЗ
Модель
Не выбрано
CK-5М-1 «Нива»
CK-5М-1 «Нива» (2002)
Vector-450 (Часть 1) (2018)
Vector-450 (Часть 2) (2018)
Дон (общий каталог)
Дон 1200
Дон 1200Б
Дон 1500А
Дон 1500Б
Жатка 3518050-12010 (2020)
Жатка S300.27 (2020)
Жатка ЖЗТ-9 (2020)
Жатка ЖКС (2020)
Жатка ЖСУ-700 (2020)
Жатка ЖСУ-703 (2020)
Жатка РСМ-081.27 (2010)
Жатка РСМ-081.27 (2020)
Жатка РСМ-081.27 (вариант) (2010)
Жатка РСМ-100.70, 1401.70 (2007)
Жатка РСМ-161.27 (2020)
Платформа-подборщик РСМ-081.08 (2020)
Платформа-подборщик РСМ-091.08 (2020)
ППК-81 Argus (2020)
РСМ 2375 (2020)
РСМ-100 (Дон-680) (2002)
РСМ-100 (Дон-680М) (2010)
РСМ-101 "Вектор" (2010)
РСМ-101 "Вектор" (вариант) (2010)
РСМ-10Б "Дон-1500Б" (2006)
РСМ-1401 (2009)
РСМ-142 "Acros" (2010)
РСМ-142 "Acros" вариант (2010)
РСМ-142 (Acros-550) (2020)
РСМ-152 "Acros-590/595 Plus" Часть 1 (2020)
РСМ-152 "Acros-590/595 Plus" Часть 2 (2020)
РСМ-161 (Часть 1) (2015)
РСМ-161 (Часть 2) (2015)
РСМ-181 "Torum-740" (2010)
РСМ-181 "Torum-740" (вариант) (2010)
Стол рапсовый RSM001.00.000К (2020)
Тележка для перевозки жатки РСМ-142.29 (2020)
Тележка РСМ-142.29 (2009)
Тележка транспортная ТТ-4000 (2020)
Энергосредство ЭС-1 (2009)
Схема
>
Не выбрано
Кабина
Площадка водителя
Площадка управления
Площадка управления
Подкос крепления площадки водителя
Дверь кабины
Откидное сиденье водителя
Откидное сиденье водителя
Четырехзвеник сиденья
Вентилятор кабины
Установка отопителя
Отопитель
Вентилятор
Установка вентилятора обдува
Хомут крепления огнетушителя
Установка термоса
Схема расположения табличек на левой стороне и спереди комбайнов
Схема расположения табличек на правой стороне и сзади комбайнов
Капот двигателя
Щитки правой стороны комбайна
Лестница и щитки левой стороны комбайна
Моторная группа с двигателем СМД-22 или СМД-21
Моторная группа с двигателем СМД-22А
Моторная группа с двигателем СМД-21
Шкив натяжной
Тяга включения муфты двигателя
Бак топливный
Установка топливного бака и топливопровода
Бачок топливный
Механизм подачи топлива (ручной)
Тяга газа
Труба выхлопная
Установка радиатора для моторной группы с двигателем СМД-21
Установка радиатора для моторной группы с двигателем СМД-22А
Установка воздушного радиатора
Воздухозаборник радиатора
Вращающийся воздухозаборник
Радиатор
Муфта включения сцепления коробки передач
Муфта сцепления
Цилиндр привода включения сцепления
Механизм переключения скоростей
Коробка передач
Механизм управления коробкой передач
Тормоз коробки передач
Корпус, крышки, прокладки коробки передач
Шестерни, валы коробки передач
Вариатор скорости на ход
Блок ведущий вариатора
Мост ведущих колес
Блок ведомый
Дифференциал
Кожух моста
Балка распорная моста ведущих колес
Мост управляемых колес
Мост управляемых колес
Редуктор бортовой левый
Редуктор бортовой правый
Редуктор бортовой левый
Редуктор бортовой правый
Ход полугусеничный сменный
Тележка гусеничная правая, тележка гусеничная левая
Колесо ведущее левое, колесо ведущее правое
Управление рулевое
Поперечная рулевая тяга
Тормоз левый, тормоз правый
Цилиндр тормозной
Колонка привода тормоза
Главный цилиндр тормоза левый, главный цилиндр тормоза правый, главный цилиндр муфты сцепления
Трубопровод тормозной системы
Тяга стояночного тормоза
Электрооборудование
Электрооборудование
Клапан
Электрооборудование бункера
Электрооборудование
Установка аккумулятора
Приборы световые передние правые, приборы световые передние левые
Фонарь бункера
Фара
Фара
Приборы световые задние правые
Приборы световые задние левые
Сигнализатор вращения шнека
Сигнализатор заполнения бункера
Включатель
Электрические провода
Жгуты проводов
Щиток приборов
Щиток приборов
Жатвенная часть
Режущий аппарат и механизм привода ножа
Вал контрприводной
Вал карданный
Вал кривошипа
Коромысло
Режущий аппарат
Мотовило универсальное
Механизм регулировки мотовила
Звездочка с муфтой
Жатка захватом 4,1м
Жатка захватом 5,0м
Механизм левой жатки
Балка мотовила для жатки захватом 4,1м
Балка мотовила для жатки захватом 5,0м
Привод мотовила форсированный
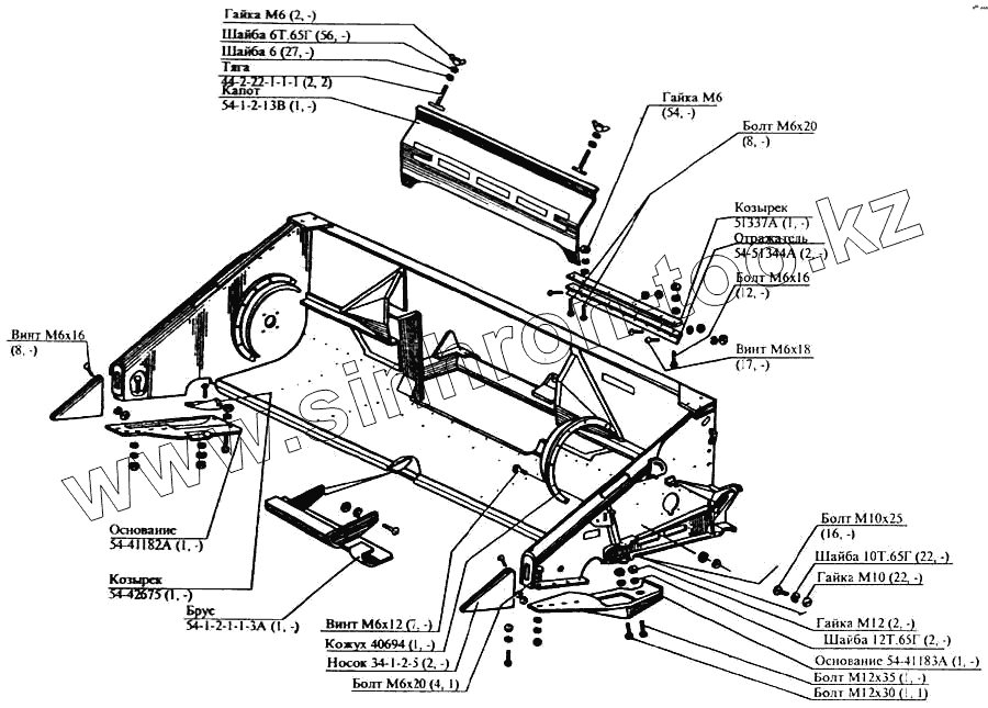
Корпус жатки
Корпус жатки
Установка щитков бокового уплотнения
Вал вариатора нижний
Шкив вариатора верхний
Щиток переходной
Башмак
Звездочка натяжная
Опора жатки
Камера наклонная
Вал нижний транспортера наклонной камеры
Блок уровнавешивания для жаток захватом 4,1 и 5,0м
Блок уровнавешивания для жаток захватом 5,0м
Вал верхний наклонной камеры
Звездочка натяжная
Делитель
Стеблеотвод
Щиток
Кожух карданной передачи
Устройство предохранительное
Шнек жатки
Привод шнека
Пальчиковый механизм шнека жатки
Стеблеподъемник
Контрпривод главный
Шкив большой
Механизм включения жатки
Гидроцилиндр ведущего шкива вариатора молотильного барабана
Контрпривод задний
Механизм регулировки подбарабанья
Механизм регулировки подбарабанья
Подбарабанье
Надставка подбарабанья
Рычаг деки
Установка привода очистки
Рычаг очистки правый, рычаг очистки левый
Механизм управления открытием жалюзи решет
Рама
Панель правая
Панель левая
Крыша молотилки
Установка приемного битера
Установка молотильного барабана
Остов барабана
Шкив малый
Гидроцилиндр
Гидроцилиндр ведомого шкива вариатора молотильного барабана
Установка отбойного битера
Отсекатель
Соломотряс
Вал коленчатый ведущий, вал коленчатый ведомый
Грохот
Решето верхнее
Удлинитель грохота
Решетный стан
Решето нижнее
Вентилятор
Шнек колосовой
Шнек колосовой
Шнек зерновой
Шнек зерновой
Элеватор зерновой
Элеватор колосовой
Вал колебательный
Фартук грохота
Фартук соломотряса
Связь передняя
Шкив натяжной контрпривода
Шкив натяжной
Желоб
Крышка капота барабана
Фартук
Капот соломотряса
Подкос молотилки
Связь передняя корпуса молотилки
Звездочка натяжная
Крышка люка нижнего
Шкив натяжной
Лоток половонабивателя
Щиток правый, щиток левый
Крышка люка верхнего
Половонабиватель
Контрпривод соломотряса
Шкив натяжной
Шкив натяжной
Механизм регулировки вариатора вентилятора
Звездочка натяжная
Капот соломотряса
Контрпривод задний
Бункер зерна
Шнек бункера
Шнек выгрузной
Шнек распределительный
Растяжка боковая
Тяга
Механизм выгрузки бункера
Тяга
Механизм предохранительный
Патрубок
Вибратор
Копнитель
Ферма
Граблина правая, граблина левая
Днище
Клапан задний
Вал сбрасывания
Рычаг правый
Датчик
Тяга открытия копнителя
Автомат сбрасывания копны
Тяга
Кронштейн
Гидрооборудование
Гидрооборудование
Установка управления распределителем
Шланг всасывающий от гидробака к насосу
Клапан предохранительный
Клапан
Клапан
Гидроцилиндр подъема и опускания мотовила, открытия и закрытия копнителя
Шланг всасывающий от гидробака к насосу
Гидроцилиндр подъема жатки
Гидрооборудование
Распределитель
Распределитель
Гидробак
Крепление гидробака
Цилиндр воздухозаборника
Цилиндр с наконечниками
Распределитель
Распределитель специальный
Насос планетарный
Тяга гидрозолотника
Штуцер
Натяжное колесо правое, натяжное колесо левое
Натяжное устройство
Кронштейн
Звездочка натяжная
Инструмент и принадлежности
Инструмент и принадлежности
Инструмент и принадлежности
Инструмент и принадлежности
Футляр для аптечки
Общий вид комбайна
Схема расположения клиновых ремней, цепей, натяжных шкивов и звездочек на левой стороне комбайнов
Схема расположения клиновых ремней, цепей, натяжных шкивов и звездочек на левой стороне комбайнов
Схема расположения клиновых ремней, цепей, натяжных шкивов и звездочек на правой стороне комбайнов (с копнителем и капотом)
54-1-2-13В
Шайба 6
6Т.65Г
12Т.65Г
10Т.65Г
44-2-22-1-1-1
54-51344А
54-41183А
54-41182А
34-1-2-5
54-42675
51337А
40694
Болт М10х25
Гайка М6
Гайка М6
Гайка М12
Гайка М10
Винт М6х18
Винт М6х16
Винт М6х12
54-1-2-1-1-3А
Болт М6х20
Болт М6х20
Болт М6х16
Болт М12х35
Болт М12х30
Позиция на иллюстрации
Заводской номер детали
Название детали
54-1-2-13В
54-1-2-13В
Капот
Шайба 6
Шайба 6
Шайба 6
6Т.65Г
6Т.65Г
Шайба
12Т.65Г
12Т.65Г
Шайба
10Т.65Г
10Т.65Г
Шайба
44-2-22-1-1-1
44-2-22-1-1-1
Тяга
54-51344А
54-51344А
Отражатель
54-41183А
54-41183А
Основание
54-41182А
54-41182А
Основание
34-1-2-5
34-1-2-5
Носок
54-1-2-1А
54-1-2-1А
Корпус жатки
54-42675
54-42675
Козырек
51337А
51337А
Козырек
40694
40694
Кожух
Болт М10х25
Болт М10х25
Болт М10х25
Гайка М6
Гайка М6
Гайка М6
Гайка М6
Гайка М6
Гайка М6
Гайка М12
Гайка М12
Гайка М12
Гайка М10
Гайка М10
Гайка М10
Винт М6х18
Винт М6х18
Винт М6х18
Винт М6х16
Винт М6х16
Винт М6х16
Винт М6х12
Винт М6х12
Винт М6х12
54-1-2-1-1-3А
54-1-2-1-1-3А
Брус
Болт М6х20
Болт М6х20
Болт М6х20
Болт М6х20
Болт М6х20
Болт М6х20
Болт М6х16
Болт М6х16
Болт М6х16
Болт М12х35
Болт М12х35
Болт М12х35
Болт М12х30
Болт М12х30
Болт М12х30
Содержащиеся в справочниках-каталогах запасные части и детали не предлагаются к продаже, а носят исключительно информационный характер
Дополнительная информация
×
Название:
Номер:
Примечание: