Вернуться на главную
Поиск
Каталоги запчастей к технике
Сельхозтехника
РСМ
CK-5М-1 «Нива»
Молотилка 54-2Б
Каталог запасных частей к технике: РСМ CK-5М-1 «Нива». Молотилка 54-2Б
zoom-in
zoom-out
enlarge
shrink
circle-right
circle-left
file-text2
info
cart
Тип техники
Не выбрано
Легковые автомобили
Грузовые автомобили и прицепы
Автобусы
Сельхозтехника
Спецтехника
Двигатели
Мототехника
Марка
Не выбрано
AGCO
Amity
CASE IH
DongFeng
Fortschritt
Foton
Franz Kleine
Gaspardo
Great Plains
KRONE
KUHN
Lemken
Lovol
MacDon
Massey Ferguson
New Holland
TIGARBO
Vaderstad
Versatile
Wirax
Агро
Агротехмаш
Бобруйскагромаш (ОАО «УКХ «Бобруйскагромаш»)
БЭМЗ
ВгТЗ
Воронежсельмаш
ВТЗ
Гомсельмаш
ДКЗ
ЗАО "Техника-сервис"
ЗиД
КЗК
Кировец-Ландтехник
Клевер
Красная Звезда
Лидагропроммаш
Лидсельмаш
ЛТЗ
Машстройхолдинг
Минитракторы
Мордовагромаш
МТЗ
Навигатор-Новое машиностроение
Нефтекамский автозавод
ПТЗ
Ремком
РСМ
Сибсельмаш
ТеКЗ
ТКЗ
ХЗТСШ
ХТЗ
ЮМЗ
Модель
Не выбрано
CK-5М-1 «Нива»
CK-5М-1 «Нива» (2002)
Vector-450 (Часть 1) (2018)
Vector-450 (Часть 2) (2018)
Дон (общий каталог)
Дон 1200
Дон 1200Б
Дон 1500А
Дон 1500Б
Жатка 3518050-12010 (2020)
Жатка S300.27 (2020)
Жатка ЖЗТ-9 (2020)
Жатка ЖКС (2020)
Жатка ЖСУ-700 (2020)
Жатка ЖСУ-703 (2020)
Жатка РСМ-081.27 (2010)
Жатка РСМ-081.27 (2020)
Жатка РСМ-081.27 (вариант) (2010)
Жатка РСМ-100.70, 1401.70 (2007)
Жатка РСМ-161.27 (2020)
Платформа-подборщик РСМ-081.08 (2020)
Платформа-подборщик РСМ-091.08 (2020)
ППК-81 Argus (2020)
РСМ 2375 (2020)
РСМ-100 (Дон-680) (2002)
РСМ-100 (Дон-680М) (2010)
РСМ-101 "Вектор" (2010)
РСМ-101 "Вектор" (вариант) (2010)
РСМ-10Б "Дон-1500Б" (2006)
РСМ-1401 (2009)
РСМ-142 "Acros" (2010)
РСМ-142 "Acros" вариант (2010)
РСМ-142 (Acros-550) (2020)
РСМ-152 "Acros-590/595 Plus" Часть 1 (2020)
РСМ-152 "Acros-590/595 Plus" Часть 2 (2020)
РСМ-161 (Часть 1) (2015)
РСМ-161 (Часть 2) (2015)
РСМ-181 "Torum-740" (2010)
РСМ-181 "Torum-740" (вариант) (2010)
Стол рапсовый RSM001.00.000К (2020)
Тележка для перевозки жатки РСМ-142.29 (2020)
Тележка РСМ-142.29 (2009)
Тележка транспортная ТТ-4000 (2020)
Энергосредство ЭС-1 (2009)
Схема
>
Не выбрано
Иллюстративный указатель
Иллюстративный указатель
Общий вид комбайна СК-5М1 с жаткой и копнителем
Общий вид комбайна СК-5М1 с жаткой и измельчителем
Общий вид комбайна СК-5М1 с приспособлением для уборки кукурузы КМД-6
Общий вид комбайна СК-5М1 с подборщиком и капотом
Самоходный зерноуборочный комбайн
Самоходный зерноуборочный комбайн
Самоходный зерноуборочный комбайн
Самоходный зерноуборочный комбайн
Самоходный зерноуборочный комбайн
Самоходный зерноуборочный комбайн
Самоходный зерноуборочный комбайн
Самоходный зерноуборочный комбайн
Самоходный зерноуборочный комбайн
Самоходный зерноуборочный комбайн
Самоходный зерноуборочный комбайн
Самоходный зерноуборочный комбайн
Самоходный зерноуборочный комбайн
Самоходный зерноуборочный комбайн
Самоходный зерноуборочный комбайн
Жатвенная часть ЖКС00.000, ЖКС00.000-01
Жатка ЖКС01.000, ЖКС01.000-01
Жатка ЖКС01.000, ЖКС01.000-01
Жатка ЖКС01.000, ЖКС01.000-01
Жатка ЖКС01.000, ЖКС01.000-01
Жатка ЖКС01.000, ЖКС01.000-01
Жатка ЖКС01.000, ЖКС01.000-01
Жатка ЖКС01.000, ЖКС01.000-01
Жатка ЖКС01.000, ЖКС01.000-01
Жатка ЖКС01.000, ЖКС01.000-01
Жатка ЖКС01.000, ЖКС01.000-01
Жатка ЖКС01.000, ЖКС01.000-01
Жатка ЖКС01.000, ЖКС01.000-01
Жатка ЖКС01.000, ЖКС01.000-01
Жатка ЖКС01.000, ЖКС01.000-01
Корпус жатки ЖКС 01.010
Корпус жатки ЖКС 01.010-01
Шнек ЖКС01.300, ЖКС01.300-01
Шнек ЖКС01.300, ЖКС01.300-01
Труба пальчикового механизма шнека 3518050-111550
Вал кривошипа ЖКС 01.660А
Плита 54-1-5-1А
Опора жатки 3518050-12350
Башмак 54-1-2-3
Аппарат режущий ЖКС 01.500, ЖКС 01.500-01
Мотовило ЖКС 03.000
Мотовило ЖКС 03.000
Мотовило ЖКС 03.000
Мотовило ЖКС 03.000-01
Мотовило ЖКС 03.000-01
Мотовило ЖКС 03.000-01
Мотовило ЖКС 03.000-01
Мотовило ЖКС 03.000-01
Граблина ЖКС 03.240А, ЖКС 03.260А
Ползун левый ЖКС 03.140
Ползун правый ЖКС 03.150
Эксцентрик ЖКС 03.100
Камера наклонная ЖКС 04.000, ЖКС 04.000-01
Камера наклонная ЖКС 04.000, ЖКС 04.000-01
Камера наклонная ЖКС 04.000, ЖКС 04.000-01
Камера наклонная ЖКС 04.000, ЖКС 04.000-01
Камера наклонная ЖКС 04.000, ЖКС 04.000-01
Камера наклонная ЖКС 04.000, ЖКС 04.000-01
Блок уравновешивания ЖКС 04.040
Камера наклонная ЖКС 04.000, ЖКС 04.000-01
Блок уравновешивания правый 54-1-4-5А (для 4,1м), 54-1-4-6А (для 5,0м)
Вал транспортера нижний 3518050-18300А
Вал верхний 54-1-4-13Б
Звездочка натяжная 54-1-4-16А
Вал контрприводной 54-1-4-2А
Привод форсированный ЖКС01.460
Привод форсированный ЖКС01.460
Вал карданный 10.016.2000-03.33 привода жатки 4,1м
Вал карданный 10.016.2000-.05.33 привода жатки 5,0м
Устройство предохранительное ЖКС 01.370 шнека и мотовила
Устройство предохранительное ЖКС 01.370 шнека и мотовила
Шкив вариатора верхний ЖКС 01.630
Шкив вариатора нижний ЖКС 01.730
Подборщик ПХ70.000
Подборщик ПХ70.000
Подборщик ПХ70.000
Подборщик ПХ70.000
Подборщик ПХ70.000
Подборщик ПХ70.000
Транспортер ПХ71.000-01
Вал ведомый ПХ71.020Б
Вал ведущий ПХ71.290
Нормализатор ПХ70.150/Разгружающее устройство 10.08.07.030В
Стеблесъемник ПХ72.000А
Шкив натяжной ЖКС00.080
Шкив ПХ70.370
Колесо 10.08.07.050Г
Колесо 10.08.07.510А
Капот соломотряса 54-112А
Щитки правой стороны
Щитки правой стороны
Щитки правой стороны
Щитки правой стороны
Молотилка 54-2Б
Молотилка 54-2Б
Молотилка 54-2Б
Молотилка 54-2Б
Молотилка 54-2Б
Молотилка 54-2Б
Молотилка 54-2Б
Молотилка 54-2Б
Молотилка 54-2Б
Молотилка 54-2Б
Молотилка 54-2Б
Молотилка 54-2Б
Молотилка 54-2Б
Молотилка 54-2Б
Молотилка 54-2Б
Молотилка 54-2Б
Молотилка 54-2Б
Молотилка 54-2Б
Молотилка 54-2Б
Молотилка 54-2Б
Молотилка 54-2Б
Молотилка 54-2Б
Молотилка 54-2Б
Молотилка 54-2Б
Молотилка 54-2Б
Молотилка 54-2Б
Молотилка 54-2Б
Молотилка 54-2Б
Молотилка 54-2Б
Молотилка 54-2Б
Молотилка 54-2Б
Молотилка 54-2Б
Молотилка 54-2Б
Панель правая 54-2-2И
Панель левая 54-2-ЗЕ
Крыша молотилки 54-2-4Д
Рама 54-2-1Е
Битер приемный А54-2-7
Битер отбойный А54-2-9А
Остов барабана 3518050-22000
Подбарабанье 54-2-15И
Надставка подбарабанья 54-2-81В
Рычаг деки 54-0-63Д
Соломотряс А54-2-11
Вал коленчатый ведущий А54-2-11-2А, Вал коленчатый ведомый А54-2-11-3Б
Контрпривод соломотряса 54-2-76Б
Грохот 54-2-12Б
Решето верхнее 54-2-12-3В
Рама решета 54-2-12-2
Удлинитель грохота 44Б-2-12-4А
Стрясная доска 54-2-12-1А
Фартук грохота 54-2-32Б
Решетный стан 54-2-16Б
Решето нижнее 54-2-16-2В
Остов решетного стана 54-2-161-1Б
Вентилятор А54-2-18Б, А54-2-18Б-01
Крылач вентилятора 54-2-18-1Б
Вариатор вентилятора 54-2-79В
Механизм регулировки вариатора вентилятора 54-2-89В
Половонабиватель А54-2-73А
Отсекатель 54-2-10А
Вал колебательный А54-2-29Б
Контрпривод задний А54-2-52, А54-2-52-01
Контрпривод задний А54-2-52
Контрпривод задний А54-2-52-01
Звездочка натяжная 54-2-59А
Рычаг очистки правый 54-2-158, Рычаг очистки левый 54-2-158-01
Рычаг очистки правый 54-2-158, Рычаг очистки левый 54-2-158-01
Опора 54-2-182
Шнек колосовой А54-2-19А
Шнек колосовой малый А54-2-20
Шнек зерновой А52-2-21А
Элеватор зерновой А54-2-22-М
Элеватор зерновой А54-2-22-М
Элеватор колосовой А54-2-23
Элеватор колосовой А54-2-23
Сменное штифтовое молотильное устройство 54-139
Барабан 54-139-1
Подбарабанье 54-139-2
Надставка подбарабанья 54-139-3
Бункер зерна 54-6Б
Бункер зерна 54-6Б
Бункер зерна 54-6Б
Бункер зерна 54-6Б
Бункер зерна 54-6Б
Бункер зерна 54-6Б
Растяжка боковая 54-6-6, Тяга 54-6-8В
Шнек бункера А54-6-2
Шнек выгрузной А54-6-3А
Патрубок 54-6-3-2Б
Шнек распределительный А54-6-5
Автомат сброса копны 54-0-121А
Устройство натяжное 54-0-122
Шкив большой 54-2-40В
Шкив натяжной 54-2-42
Шкив натяжной привода 54-2-43А
Шкив натяжной 54-2-62А
Шкив натяжной 54-2-78В
Шкив натяжной 54-2-78В
Шкив малый 54-2-120А
Звездочка натяжная 54-2-121
Механизм предохранительный 54-2-19-3Б
Механизм предохранительный 54-2-21-2Б
Механизм предохранительный 34-6-2-1Б
Копнитель 54-8В
Копнитель 54-8В
Копнитель 54-8В
Копнитель 54-8В
Копнитель 54-8В
Копнитель 54-8В
Копнитель 54-8В
Копнитель 54-8В
Ферма 44-8-1В
Граблина левая А44-8-3Б, Граблина правая А44-8-2А
Клапан задний 54-8-9В
Приспособление универсальное ПУН-5.00.000
Приспособление универсальное ПУН-5.00.000
Приспособление универсальное ПУН-5.00.000
Приспособление универсальное ПУН-5.00.000
Приспособление универсальное ПУН-5.00.000
Приспособление универсальное ПУН-5.00.000
Приспособление универсальное ПУН-5.00.000
Приспособление универсальное ПУН-5.00.000
Корпус ПУН-5.07.000А, ПУН-5.07.000-01
Капот ПУН-04.000Д
Разбрасыватель валкоукладчик ПУН-5.11.000
Щиток ПУН-21.000Б
Барабан измельчающий ПУН-5.01.000Б
Вентилятор ПУН-5.29.000Б
Щиток ПУН-5.120.000А
Установка скатной доски ПУН-5.08.000В
Устройство противорежущее ПУН-5.02.000
Установка автосцепки ПУН-15.000Б
Прицеп ПУН-15.010В
Захват комбайновый ПУН-15.020А
Шнек ПУН-5.03.000В
Механизм предохранительный ПУН-5.03.070Б
Кабина без жалюзи 52-122
Кабина без жалюзи 52-122
Кабина без жалюзи 52-122
Кабина без жалюзи 52-122
Кабина без жалюзи 52-122
Площадка водителя 54ПР-5Б
Площадка водителя 54ПР-5Б
Площадка водителя 54ПР-5Б
Механизм переключения скоростей 54-5-1-ПБ
Механизм подачи топлива 54-5-7
Рулевое управление 54-5-20
Рулевое управление 54-5-12А
Площадка управления 54ПР-5-1А
Площадка управления 54ПР-5-1А
Площадка управления 54ПР-5-1А
Площадка управления 54ПР-5-1А
Площадка управления 54ПР-5-1А
Сиденье РСМ-10.04.40.000Г
Установка силовая 54-161
Установка силовая 54-161
Установка силовая 54-161
Установка силовая 54-161
Установка силовая 54-161
Установка силовая 54-161
Установка силовая 54-161
Установка силовая 54-161
Воздухозаборник радиатора 54-3-10Б
Блок радиаторов 54-3-000, 54-3-000.1
Радиатор воздуховоздушный 20-32С2
Радиатор водяной 150 У.13.010-7
Капот 54-160-13А, Рама 54-160-14, Рама 54-160-1
Траверса 54-160-7А, Маслопровод сливной РСМ 10.05.00.360А
Шкив натяжной привода главного контрпривода 44Б-3-19
Глушитель 22-17с2
Амортизатор сборный 54-3-68А
Бачок топливный 54-161-8
Бак топливный 54-11В
Трубопровод 54-160-11.Труба сливная 54-160-4
Установка силовая РСМ 5.05.01.000
Установка силовая РСМ 5.05.01.000
Установка силовая РСМ 5.05.01.000
Установка силовая РСМ 5.05.01.000
Установка силовая РСМ 5.05.01.000
Установка силовая РСМ 5.05.01.000
Установка силовая РСМ 5.05.01.000
Установка силовая РСМ 5.05.01.000
Установка силовая РСМ 5.05.01.000
Установка силовая РСМ 5.05.01.000
Жидкостно-масляный теплообменник 442-52-11с2
Дизельные двигатели Д-442-50Р, Д-442-51Р, Д-442-52Р, Д-442-53
Дизельные двигатели Д-442-50Р, Д-442-51Р, Д-442-52Р, Д-442-53
Дизель 442-00с1-50Р, 442-00с1-50Р.10, 442-00с1-50Р.20, 442-00с1-51Р, 442-00с1-51Р.10, 442-00с1-51Р.20
Дизель 442-00с1-50Р, 442-00с1-50Р.10, 442-00с1-50Р.20, 442-00с1-51Р, 442-00с1-51Р.10, 442-00с1-51Р.20
Дизель 442-00с1-50Р, 442-00с1-50Р.10, 442-00с1-50Р.20, 442-00с1-51Р, 442-00с1-51Р.10, 442-00с1-51Р.20
Дизель 442-52-00с1, 442-52-00с1.10, 442-52-00с1.20, 442-53-00с1, 442-53-00с1.10, 442-53-00с1.20
Дизель 442-52-00с1, 442-52-00с1.10, 442-52-00с1.20, 442-53-00с1, 442-53-00с1.10, 442-53-00с1.20
Общий вид дизеля
Блок-картер 442-01с1
Блок-картер 442-01с1
Блок-картер 442-01с2
Блок-картер 442-01с2
Картер маховика 41-01с3-11, 41с3-11.10, 41с3-11.20
Картер маховика 41-01с3-01, 41с3-01.10, 41с3-01.20, 41с3-01.30
Картер маховика 41с-01с3-01, 41с-01с3-01.10, 41с-001с3-01.20
Картер шестерен с крышкой 41-02с1-3, 41-02с1-3.10, 41-02с1-3.20
Поршень с шатуном 461-03с1
Поршень с шатуном 440-03с1
Вал коленчатый 444-04с1, 444-04с1-00.20
Маховик 6Т3-04с2-10, 6Т3-04с2-10.20
Маховик 41с-04с2-20, 41с-04с2-20.20
Механизм распределения 41-05с1
Ось толкателей 41-05с3
Передаточный механизм газораспределения 41-06с6
Колпак головки цилиндров 440-06с7, 440-06с7.10, 440-06с7.20
Головка с коллекторами и термостатом 442-00с2-50, 442-00с2-50.10, 442-00с2-50.20, 442-00с2-51, 442-00с2-51.10, 442-00с2-51.20
Головка с коллекторами и термостатом 442-00с2-50, 442-00с2-50.10, 442-00с2-50.20, 442-00с2-51, 442-00с2-51.10, 442-00с2-51.20
Головка цилиндров с клапанами 440-06с9-01-10
Головка цилиндров 440-06с2-01-10
Коллектор впускной 440-06с13-03, 440-16с13-03.10, 440-16с13-03.20
Коллектор выпускной 440-07с2-10, 440-07с2-10.10, 440-07с2-10.20
Труба водяная 444-06с15-01, 444-06с15-01.20, 444с-06с15-01
Крышка картера нижняя 41-08с1-11, 41-08с1-11.10, 41-08с1-11.20
Насос масляный с трубами МН41-09с1, МН-41-09с1.10
Насос масляный 11ТА-09с2-10, 11ТА-09с2-10.10, 11ТА-09с2-10.30, 1ТА-09с2-10.40, 11ТА-09с2-10.50
Насос масляный с трубами 442-52-09с1, 442-52-09с1.10
Центрифуга с разборным масляным фильтром 10-10с1-02
Центрифуга с разборным масляным фильтром 442-52-12с1
Установка воздухоочистителя 442-12с1.10, 442-12с1.20
Насос водяной и вентилятор 444-13с1, 444-13с1.00.10, 444-13с1-00.20
Насос водяной 41-13с3-1Г
Насос водяной и вентилятор 442-52-13с1, 442-52-13с1.10, 442-52-13с1.20
Насос водяной 01-13с3-2Г
Ролик натяжной 01М-13с11-2, 01М-13с11-2.10, М-13с11-2.20
Установка электрооборудования и приборов 440-14с1-03
Система дизеля топливная 440-15с1-25, 440-15с1-25.10, 440-15с1-25.20
Фильтр грубой очистки топлива ФГ-25 41-60с1
Фильтр тонкой очистки топлива ФТ-80 41-70с1
Система дизеля топливная 440-15с1-2-25, 440-15с1-2-25.10, 440-15с1-2-25.20
Фильтр тонкой очистки топлива ФТ-80 с топливопроводами 41-15с10-3, 41-15с10-3.10, 41-15с10-3.20
Насос топливный АТНМ 410010 с регулятором 444-16с1-25, 444-16с1-25.10, 444-16с1-25.20
Насос топливный 444-16с2, 444-16с2.10, 444-16с2.20
Насос топливный 444-16с2, 444-16с2.10, 444-16с2.20.
Вал кулачковый 41-16с6-1, 41-16с6-1.20
Толкатель плунжера 80.16.013-2
Головка топливного насоса 440-16с12, 440-16с12.10, 440-16с12.20
Плунжерная пара 461-16с15-01
Насос топливоподкачивающий 16-с30-8А-03, 16-с30-8А-03.20
Регулятор 444-17с1, 444-17с1.20
Валик регулятора 444-17с9, 444-17с9.20
Вилка регулятора с тягой 440-17с10
Клапан электромагнитный топливный 460-22с1
Установка ограждений 444-18с-14, 444-18с-14.20
Система турбонаддува 442-52-18с1, 442-52-18с1.10, 442-52-18с1.20
Система турбонаддува 442-52-18с1, 442-52-18с1.10, 442-52-18с1.20
Пусковое устройство 444-19с1, 444-19с1.10, 444-19с1.20
Пусковое устройство 444-19с1, 444-19с1.10, 444-19с1.20
Форсунка 444-20с-1, 444-20с-1.20
Стартер с проставкой 440-19с1-1, 440с-19с1-1.20
Муфта сцепления 444-21с-1, 444-21с-1.10, 444-21с-1.20, 444-21с1-10, 444-21с1-10.10, 444-21с1-10.20
Муфта сцепления 444-21с-1, 444-21с-1.10, 444-21с-1.20, 444-21с1-10, 444-21с1-10.10, 444-21с1-10.20
Кожух с дисками А52.22.000-10, А52.22.000-30
Муфта выключения 6Т2-21с9, 6Т2-21с9-00.10, 6Т2-21с9-00.20, Крышка муфты сцепления 41-21с12А, 41-21с12А-00.10, 41-21с12А-00.20, 41-21с12А-10, 41-21с12А-10.10, 41-21с12А-10.20
Рычаг с осью 6Т2-21с11
Муфта сцепления 440-21с1, 440-21с1-00.10, 440-21с1-00.20, 440-21с1-10.10, 440-21с1-10.20
Муфта сцепления 440-21с1, 440-21с1-00.10, 440-21с1-00.20, 440-21с1-10.10, 440-21с1-10.20
Корпус муфты сцепления с дисками 440-21с2, 440-21с2-00.10, 440-21с2-00.20
Крышка муфты сцепления 440-21с12, 440-21с12-00.10, 440-21с12-00.20, 440-21с12-10, 440-21с12-10.10, 440-21с12-10.20, Муфта выключения 6Т2-21с9, 6Т2-21с9-00.10, 6Т221с9-00.20
Установка механизма уравновешивания 41-23с1-3
Насосы шестеренчатые 440-26с1-02, 440-16с1-02.10, 440-26с1-02.20
Насосы шестеренчатые с приводами 440-26с1, 440-26с1.10, 440-26с1.20
Насосы шестеренчатые с приводами 03МЛ-26с1-02, 03МЛ-26с1-02.10, 03МЛ-26с1-02.20
Насосы шестеренчатые с приводами 03МЛ-26с1-02, 03МЛ-26с1-02.10, 03МЛ-26с1-02.20
Схема расположения подшипников дизеля Д-442
Мост ведущих колес 54Б-4, 54ПБ-4
Мост ведущих колес 54Б-4, 54ПБ-4
Коробка диапазонов 54А-4-1
Коробка диапазонов 54А-4-1
Коробка диапазонов 54А-4-1
Коробка диапазонов 54А-4-1
Коробка диапазонов 54А-4-1
Коробка диапазонов 54А-4-1
Коробка диапазонов 54А-4-1
Коробка диапазонов 54А-4-1
Коробка диапазонов 54А-4-1
Коробка диапазонов (крышка 54-4-1-31А) 54А-4-1
Коробка диапазонов 54А-4-1
Муфта включения сцепления 54-4-1-3
Кожух моста 54Б-4-8
Редуктор бортовой в сборе 54-4-3, 54-4-4
Редуктор бортовой левый 54-4-3
Редуктор бортовой левый 54-4-3
Тормоз левый 54-4-3-1
Барабан с осью 54-4-4-4А
Дифференциал 54-4-2А
Блок ведомый 54А-4-25Б
Шкив (блок) ведомый 54А-4-25-1В
Диск подвижный 54А-4-25-1-2, Диск неподвижный 54А-4-25-1-3
Шкив ведомый 54А-4-25Б
Опора шкива ведомого 54А-4-25-2Б
Муфта сцепления 54А-4-1-1
Диск сцепления ведомый 44-4-1-1-2
Диск сцепления 54-4-1-1-1
Цилиндр тормозной 54-4-4-1-4
Колесо ведущее левое 54-4-6, Колесо ведущее правое 54-4-7
Мост управляемых колес 54-10В, 54-10В-01
Мост управляемых колес 54-10-1В
Мост ведущих колес РСМ-5.02.05.000, РСМ-5.02.01.000
Тяга рулевая поперечная 54-10-1-2
Блок ведущий вариатора 54-154
Блок ведущий вариатора 54-154
Шкив неподвижный 54-154-1
Устройство натяжное 54-0-124Б
Левая сторона комбайна с жаткой и копнителем
Левая сторона комбайна с подборщиком и капотом
Левая сторона комбайна с жаткой и копнителем
Правая сторона комбайна с гидростатическим приводом ходовой части и измельчителем
Правая сторона комбайна с механическим приводом ходовой части и копнителем
Правая сторона комбайна с механическим приводом ходовой части и измельчителем ПУН-5
Система гидравлическая РСМ-5.09.40.000
Система гидравлическая РСМ-5.09.40.000
Система гидравлическая РСМ-5.09.40.000-01
Система гидравлическая РСМ-5.09.40.000-02
Система гидравлическая РСМ-5.09.30.000
Система гидравлическая РСМ-5.09.30.000
Система гидравлическая РСМ-5.09.30.000-01
Система гидравлическая РСМ-5.09.30.000-02
Система гидравлическая РСМ-5.09.40.000 /01/02
Система гидравлическая РСМ-5.09.40.000-01
Система гидравлическая РСМ-5.09.40.000-02
Система гидравлическая РСМ-5.09.30.000 /01/02
Система гидравлическая РСМ-5.09.30.000/01/02
Система гидравлическая РСМ-5.09.30.000 /01/02
Система гидравлическая РСМ-5.09.40.000, РСМ-5.09.30.000
Система гидравлическая РСМ-5.09.30.000/01/02, РСМ-5.09.40.000 /01/02
Гидросистема шасси РСМ-5.09.41.000
Гидросистема шасси РСМ-5.09.31.000
Гидросистема шасси РСМ-5.09.41.000
Гидросистема шасси РСМ-5.09.31.000
Гидросистема шасси РСМ-5.09.31.000, РСМ-5.09.41.000
Гидросистема шасси РСМ-5.09.41.000
Гидросистема шасси РСМ-5.09.31.000
Гидроцилиндр РСМ-5.09.21.050А
Гидроцилиндр РСМ-5.09.21.060
Гидросистема каркаса РСМ-5.09.33.000/01/02
Гидросистема каркаса РСМ-5.09.33.000/01/02
Гидросистема каркаса РСМ-5.09.33.000/01/02
Гидробак РСМ-10Б.09.59.050
Гидробак РСМ-5.09.33.110
Гидробак 54-9-17В
Клапан РСМ-5.09.23.100
Распределитель РСМ-5.09.23.130
Распределитель РК 00.000-06
Гидросистема установки двигателя РСМ-5.09.34.000, (Д-442-52Р/53Р)
Гидросистема установки двигателя РСМ-5.09.34.000
Гидроцилиндр РСМ-5.09.24.040
Гидроцилиндр РСМ-5.09.24.040
Гидросистема бункера РСМ-5.09.35.000
Гидросистема бункера РСМ-5.09.35.000
Вибратор ГА-4000В
Гидрораспределитель РСМ-5.09.35.120
Гидрораспределитель 7РМ50-23/24
Секция рабочая РМ50.01.000
Секция рабочая РМ50.01.000-01/07
Гидроцилиндр РСМ-10Б.09.78.010
Фильтр РСМ-5.09.01.300
Гидроцилиндр ГА-76010А-01
Гидроцилиндр ГА-76020А-01
Гидросистема жатки ЖКС 09.000А, ЖКС 09.000А-01
Гидроцилиндр ГЦ63.200.16.000-03
Наконечник левый ГА-25050
Наконечник левый ГА-25050
Гидросистема площадки управления РСМ-5.09.26.000
Насос дозатор моноблочный НДМ 125-6,3
Насос дозатор моноблочный НДМ 125-6,3
Гидросистема копнителя РСМ-5.09.27.000
Электрооборудование 54-170
Электрооборудование 54-170
Электрооборудование 54-170
Электрооборудование 54-170
Электрооборудование 54-170
Электрооборудование 54-170
Электрооборудование 54-170
Электрооборудование 54-170
Клапан 34-7-2
Щиток приборов 54-170-1Б
Щиток 54В-7-1-1А
Включатель 54-7-33-1В
Установка контрольно-измерительной системы 54В-7-65
Установка контрольно-измерительной системы 54В-7-65
Электрооборудование аккумуляторного ящика 54В-7-4Б
Электрооборудование кабины 54В-7-2
Электрооборудование кабины 54В-7-2
Электрооборудование кабины 54В-7-2, 54-7-2-01
Электрооборудование кабины 54В-7-2
Щиток 54В-7-2-8
Вентилятор кабины 54-121-2Д
Вентилятор 54В-7-2-9
Электрооборудование бункера 54В-7-3
Электрооборудование бункера 54В-7-3
Электрооборудование бункера 54В-7-3
Электрооборудование бункера 54В-7-3
Электрооборудование бункера 54В-7-3
Установка отопителя 54-133Б
Самоходный зерноуборочный комбайн СК-5М1 с приспособлением для уборки кукурузы ППК-4
Комплект переоборудования КПР 76.000А-01
Комплект переоборудования (устройство натяжное) КПР 76.000А-01, КПР 66.000А-01
Комплект переоборудования (устройство натяжное) КПР 76.000А-01, КПР 66.000А-01
Комплект переоборудования (щиток) КПР 76.000А-01, КПР 00.290А
Комплект переоборудования КПР 76.000А-01
Комплект переоборудования КПР 76.000А-01 (установка контейнера)
Комплект переоборудования КПР 76.000А-01
Комплект переоборудования КПР 76.000А-01 (шкив КПР 00.240)
Приставка кукурузоуборочная
Световозвращатель КПР 00.620-01
Приставка кукурузоуборочная ППК-4-01
Аппарат режущий КПР 49.000-01
Ограждение КСКУ 06.00.030
Привод КСКУ 06.52.000-01
Отдушина КОП 08.020
Приставка кукурузоуборочная ППК-4-01
Шнек стеблей КПР 46.000-01
Измельчитель КПР 50.000-01
Измельчитель КПР 50.000-01
Муфта обгонная Н.021.05.000
Звездочка натяжная КОШ 00.720
Приставка кукурузоуборочная ППК-4-01
Шнек початков КПР 57.000-01
Шнек початков КПР 57.000-01
Шнек початков КПР 57.000-01
Приставка кукурузоуборочная ППК-4-01
Камера наклонная КПР 41.000-01
Камера наклонная КПР 41.000-01
Битер КПР 41.120
Битер КПР 41.130
Битер КПР 41.200
Головка КПР 62.000
Вал контрприводной КПР 56.000Б-01
Устройство натяжное КПР 69.000б-01
Звездочка натяжная КСКУ 06.18.020
Щиток КПР 00.360А-01
Приставка кукурузоуборочная ППК-4-01
Труба измельчителя КПР 47.000-01
Труба измельчителя КПР 47.000-01
Кожух КПР 51.000-01
Поддон КПР 43.000
Тросик КПР 47.170А-01
Звездочка КОШ 00.030Б
Приставка кукурузоуборочная ППК-4-01
Облицовка КСКУ 06.26.000-01
Ловитель КСКУ 06.26.060
Облицовка КСКУ 06.27.000-01
Ловитель КСКУ 06.26.060
Капот КСКУ 06.10.000-01
Мыс КСКУ 06.20.000
Мыс КСКУ 06.21.000
Мыс КСКУ 06.22.000
Битер приемный КПР 48.000
Битер приемный КПР 48.000
Вал промежуточный КПР 53.000-01
Приставка кукурузоуборочная ППК-4-01
Русло КСКУ 06.16.000-01
Русло КСКУ 06.16.000-01
Русло КСКУ 06.16.000-01
Валец КСКУ 06.16.020
Валец КСКУ 06.16.030
Звездочка натяжная КСКУ 06.16.090
Русло КСКУ 06.56.010-01
Коробка раздаточная КСКУ 06.16.010А-01
Коробка раздаточная КСКУ 06.16.010А-01
Коробка раздаточная КСКУ 06.16.010А-01
Коробка раздаточная КСКУ 06.56.010-01
Коробка раздаточная КСКУ 06.56.010А-01
Коробка раздаточная КСКУ 06.56.010А-01
Коробка раздаточная КСКУ 06.56.010А-01
Коробка раздаточная КСКУ 06.56.010А-01
Вал соединительный КСКУ 06.34.000-01
Привод русел КСКУ 06.38.000Б-01
Замок КСКУ 06.00.230
Приставка кукурузоуборочная ППК-4-01
Упор КПР 44.000
Приставка кукурузоуборочная ППК-4-01
Ограждение КПР 60.000
Кронштейн КПР 69.000
Приставка кукурузоуборочная ППК-4-01
Ограждение КПР 61.000
Кронштейн КМД 68.000А
Стойка опорная КПР 72.000
Приставка кукурузоуборочная ППК-4-01
Ролик натяжной КПР 64.000-01
Вал промежуточный КПР 52.000-01
Башмак КСКУ 06.16.300-01
Башмак КСКУ 06.16.310-01
Раскос КСКУ 06.00.110
Гидравлическая система КПР 68.000А
Гидравлическая система КПР 68.000А
Гидравлическая система КПР 68.000А
Гидравлическая система КПР 68.000А
Гидроцилиндр ГА 44.000
Система сигнализации КПР 67.000-01
Система сигнализации КПР 67.000-01
Сигнализатор муфты КОШ 48.110А
Кронштейн с включателем КОШ 48.790
Схема расположения подшипников
Схема цепных контуров (левая сторона)
Схема цепных контуров (правая сторона)
Схема ременных контуров
Инструменты КПР 77.000-01
Приспособление для уборки крупяных культур и горчицы ПКК-5
Приспособление для уборки крупяных культур и горчицы со сменным приводом отбойного битера ПКК-5-01
Приспособление для уборки крупяных культур и горчицы с приводом барабана дополнительным цепным ПКК-5-02
Приспособление для уборки крупяных культур и горчицы с приводом барабана дополнительным цепным и со сменным приводом отбойного битера ПКК-5-03
Установка привода отбойного битера ПКК-5.14.000А
Привод барабана дополнительный цепной 54-151В
Блок звездочек контрпривода 54-151-2Б
Установка блока звездочек на вал барабана 54-151-1Б
Устройство натяжное 54-151-3
Привод барабана дополнительный ПКК-5.30.000
Привод барабана дополнительный ПКК-5.30.000
Блок звездочек контрпривода 54-151-2Б
Комплект лопастей шнека ПКК-5.23.000
Установка фартуков на жатку ПКК-5.18.000
Установка кожуха шнека ПКК-5.24.000
Привод колосового шнека ПРК 06.000
Фартук полотняный ПРК 20.000
Решето сетчатое крупноячеистое ПРК 04.000
Решето сетчатое крупноячеистое ПРК 04.000
Дека приемного битера ПКК-5.13.000
Комплект граблин мотовила ПРК 01.000
Граблина с лопастями ПРК 01.000
Граблина ПРК 01.020
Лопасть ПРК 01.030, ПРК 01.040
Решето сетчатое крупноячеистое ПРК 04.000
Решето сетчатое крупноячеистое ПРК 04.000
Привод колосового шнека ПРК 06.000
Комплект сменных звездочек ПРК 16.000
Фартук полотняный ПРК 20.000
Надставка стрясной доски ПРК 22.000А
Комплект граблин мотовила ПРК 31.000А
Комплект граблин мотовила ПРК 31.000А
Граблина ПРК 31.010
Лопасть ПРК 31.150
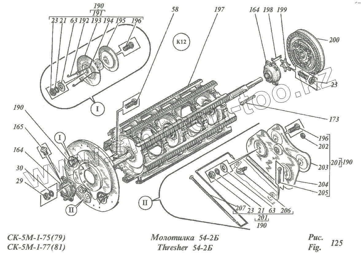
21
21
23
23
23
29
30
58
63
63
164
164
165
173
190
190
190
190
191
192
193
194
195
196
196
197
198
199
200
201
201
202
203
204
205
206
207
Позиция на иллюстрации
Заводской номер детали
Название детали
21
6402 6Т.65Г.019
Шайба
23
5915 М6-7Н.6.019
Гайка
29
5915 М12-6Н.6.019
Гайка
30
6402 12Т.65Г.019
Шайба
58
7802 М12х40.46.019
Болт
63
6958 С6х1,4.01.10.019
Шайба
164
54-2-182
Опора
165
19853 L3Ц6хр
Масленка
173
23360 16x10x100
Шпонка
190
3518050-22040
Фланец
191
3518050-22060
Крышка люка
192
54-60551
Пружина
193
3518050-24371
Крышка люка
194
54-40133
Стойка
195
3518050-24369
Диск
196
7802 М6х16.46.019
Болт
197
3518050-22000
Остов барабана
198
54-51153
Кронштейн
199
РСМ-10.10.30.012-03
Звездочка
200
54-2-120А
Шкив малый
201
3518050-22070
Крышка люка
202
44-00241
Втулка
203
3518050-24373
Пластина
204
3518050-24372
Крышка
205
397 2x16.019
Шплинт
206
44-1-2-16-2
Винт
207
54-60549
Ось
Содержащиеся в справочниках-каталогах запасные части и детали не предлагаются к продаже, а носят исключительно информационный характер
Дополнительная информация
×
Название:
Номер:
Примечание: