Каталог запасных частей к технике: Ремком ПС-5. Протравливатель семян ПС-5
ВБ.1П.30М.130.15.12.5.Z
ИЯПБ 11.73.00.000
ИЯПБ 15.30.03.000
ИЯПБ 15.30.02.000
ИЯПБ 15.25.00.000
1
2
3
4
5
5
6
7
8
9
10
11
12
13
14
15
16
17
18
19
20
21
22
23
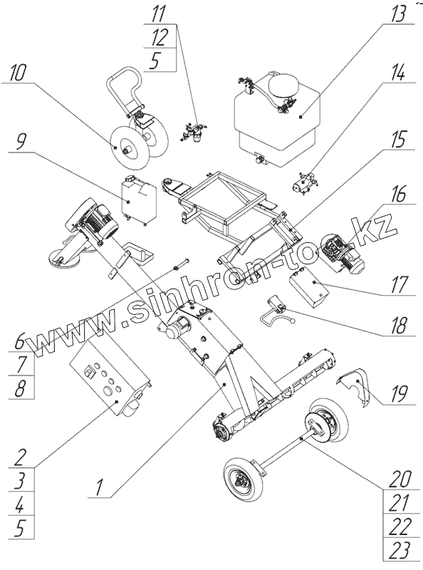
| Позиция на иллюстрации | Заводской номер детали | Название детали | |
|---|---|---|---|
| ВБ.1П.30М.130.15.12.5.Z | ВБ.1П.30М.130.15.12.5.Z | Датчик | |
| ИЯПБ 11.73.00.000 | ИЯПБ 11.73.00.000 | Редуктор загрузочного шнека | |
| ИЯПБ 15.30.03.000 | ИЯПБ 15.30.03.000 | Система дозирования | |
| ИЯПБ 15.30.02.000 | ИЯПБ 15.30.02.000 | Узел распределения жидкости | |
| ИЯПБ 15.25.00.000 | ИЯПБ 15.25.00.000 | Форсунка с приводом | |
| 1 | ИЯПБ 15.20.00.000 | Шнек | |
| 2 | ИЯПБ 15.35.00.000 | Пульт управления | |
| 3 | M8-6gх38 | Болт | |
| 4 | 8 Л 65Г | Шайба | |
| 5 | М8-6Н | Гайка | |
| 6 | ИЯПБ 15.00.00.001 | Ось поворотная | |
| 7 | А.20.0 | Шайба | |
| 8 | 3,2х28 | Шплинт | |
| 9 | ИЯПБ 15.04.00.000 | Бачок в сборе | |
| 10 | ИЯПБ 15.50.00.000 | Опора поворотная | |
| 11 | ИЯПБ 15.00.07.000 | Система фильтрации | |
| 12 | А.8.0 | Шайба | |
| 13 | ИЯПБ 15.30.00.000 | Бак в сборе | |
| 14 | ИЯПБ 15.00.06.000 | Насос в сборе | |
| 15 | ИЯПБ 15.10.00.000 | Рама | |
| 16 | ИЯПБ 15.60.00.000 | Привод самохода в сборе | |
| 17 | ИЯПБ 11.00.50.000 | Ящик ЗИП | |
| 18 | ИЯПБ 15.00.13.000 | Механизм подъема шнека | |
| 19 | ИЯПБ 15.00.11.000 | Кожух самохода | |
| 20 | ИЯПБ 15.40.00.000 | Мост ведущий | |
| 21 | M12-6gх60 | Болт | |
| 22 | 12 Л 65Г | Шайба | |
| 23 | М12-6Н | Гайка |
Содержащиеся в справочниках-каталогах запасные части и детали не предлагаются к продаже, а носят исключительно информационный характер