Вернуться на главную
Поиск
Каталоги запчастей к технике
Сельхозтехника
Ремком
ОП-3000
5-путевое электрическое устройство 463CRK04
Каталог запасных частей к технике: Ремком ОП-3000. 5-путевое электрическое устройство 463CRK04
zoom-in
zoom-out
enlarge
shrink
circle-right
circle-left
file-text2
info
cart
Тип техники
Не выбрано
Легковые автомобили
Грузовые автомобили и прицепы
Автобусы
Сельхозтехника
Спецтехника
Двигатели
Мототехника
Марка
Не выбрано
AGCO
Amity
CASE IH
DongFeng
Fortschritt
Foton
Franz Kleine
Gaspardo
Great Plains
KRONE
KUHN
Lemken
Lovol
MacDon
Massey Ferguson
New Holland
TIGARBO
Vaderstad
Versatile
Wirax
Агро
Агротехмаш
Бобруйскагромаш (ОАО «УКХ «Бобруйскагромаш»)
БЭМЗ
ВгТЗ
Воронежсельмаш
ВТЗ
Гомсельмаш
ДКЗ
ЗАО "Техника-сервис"
ЗиД
КЗК
Кировец-Ландтехник
Клевер
Красная Звезда
Лидагропроммаш
Лидсельмаш
ЛТЗ
Машстройхолдинг
Минитракторы
Мордовагромаш
МТЗ
Навигатор-Новое машиностроение
Нефтекамский автозавод
ПТЗ
Ремком
РСМ
Сибсельмаш
ТеКЗ
ТКЗ
ХЗТСШ
ХТЗ
ЮМЗ
Модель
Не выбрано
ОН-600-12 (2014)
ОН-600-12Р (2014)
ОП-2500 (2016)
ОП-2500-18 (2021)
ОП-3000 (2016)
ПС-20 (2016)
ПС-5
ПС-5 Фермер (2018)
ПС-5Б (2019)
Схема
>
Не выбрано
Опрыскиватель ОП-3000 ИЯПБ.22.00.00.000
Опрыскиватель ОП-3000 ИЯПБ.22.00.00.000
Опрыскиватель ОП-3000 ИЯПБ.22.00.00.000
Опрыскиватель ОП-3000 ИЯПБ.22.00.00.000
Опрыскиватель ОП-3000 ИЯПБ.22.00.00.000
Опрыскиватель ОП-3000 ИЯПБ.22.00.00.000
Опрыскиватель ОП-3000 ИЯПБ.22.00.00.000
Рама поддержки ИЯПБ.22.02.00.000
Рама поддержки ИЯПБ.22.03.00.000
Механизм подъёма миксера ИЯПБ.22.04.00.0000
Лестница ИЯПБ 22.05.00.000
Комплект технологического оборудования ИЯПБ.22.14.00.000
Комплект технологического оборудования ИЯПБ.22.14.00.000
Комплект технологического оборудования ИЯПБ.22.14.00.000
Насос в сборе ИЯПБ 25.08.01.000
Насос в сборе ИЯПБ 25.08.01.000-01
Кран трехходовой ИЯПБ.25.07.02.000
Кран трехходовой ИЯПБ.25.07.03.000
Миксер для опрыскивателя 35 л в сборе ИЯПБ.25.08.15.000.СБ
Блок регулирования и распределения в сборе (регулятор ручной)
Блок регулирования и распределения в сборе ИЯПБ.25.08.05.000-01
Электрическое устройство управления 471 CRK 01
5-путевое электрическое устройство 463CRK04
Блок регулирования и распределения в сборе ИЯПБ.25.08.06.000
Главный клапан и регулятор 98504-4
Блок распределения 98601-2
Фильтр в сборе ИЯПБ.25.07.14.000
Гидромешалка в сборе ИЯПБ.27.07.07.000
Комплект оборудования для секций ИЯПБ.25.08.07.000
Комплект оборудования для секций ИЯПБ.25.08.08.000
Комплект оборудования для секций ИЯПБ.25.08.08.000-01
Комплект оборудования для секций ИЯПБ.25.08.09.000-01
Комплект оборудования для секций ИЯПБ.25.08.09.000-02
Устройство отсечное ИЯПБ.96.00.00.000
Устройство отсечное ИЯПБ.96.00.00.000-01
Устройство отсечное ИЯПБ.96.00.00.000-02
Рукав заборный ИЯПБ.25.07.10.000
Клапан обратный в сборе ИЯПБ.25.07.11.000
Разветвитель потока ИЯПБ.25.07.13.000
Разветвитель потока ИЯПБ.25.07.13.000-01
Бак в сборе ИЯПБ.22.09.00.000, Ручное управление
Бак в сборе ИЯПБ.22.09.00.000-01, Компьютерное управление ARAG
Бак в сборе ИЯПБ.22.09.00.000-02, Компьютерное управление TeeJet
Бак промывочный ИЯПБ.22.10.00.000
Пневмосистема тормозов ИЯПБ.22.12.00.000
Цапфа левая в сборе ИЯПБ.25.13.00.000
Цапфа правая в сборе ИЯПБ.25.13.00.000-01
Кронштейн регулятора выносной ИЯПБ.25.14.00.000
Кронштейн датчиков скорости ИЯПБ.25.23.00.000
Привод тормоза стояночного ИЯПБ.25.15.00.000
Световая сигнализация ИЯПБ.25.17.00.000
Бак рукомойника ИЯПБ.25.18.00.000
Уровнемер ИЯПБ.22.19.00.000
Трос страховочный ИЯПБ.25.21.00.000-01
Механизм подъёма штанги, ИЯПБ.22.28.00.000, 18M
Механизм подъёма штанги, ИЯПБ.22.28.00.000, 18M
Механизм подъёма штанги, ИЯПБ.22.28.00.000, 18M
Механизм подъёма штанги, ИЯПБ.22.28.00.000, 18M
Механизм подъёма штанги, ИЯПБ.22.28.00.000, 18M
Механизм подъёма штанги, ИЯПБ.22.28.00.000, 18M
Механизм подъёма штанги, ИЯПБ.22.28.00.000, 18M
Механизм подъёма штанги, ИЯПБ.22.28.00.000, 18M
Механизм подъёма штанги, ИЯПБ.22.28.00.000, 18M
Механизм подъёма штанги, ИЯПБ.22.28.00.000, 18M
Механизм подъёма штанги, ИЯПБ.22.28.00.000, 18M
Механизм подъёма штанги, ИЯПБ.22.28.00.000, 18M
Механизм подъёма штанги, ИЯПБ.22.28.00.000, 18M
Механизм подъёма штанги, ИЯПБ.22.28.00.000, 18M
Механизм подъёма штанги, ИЯПБ.22.27.00.000, 24M
Механизм подъёма штанги, ИЯПБ.22.27.00.000, 24M
Механизм подъёма штанги, ИЯПБ.22.27.00.000, 24M
Механизм подъёма штанги, ИЯПБ.22.27.00.000, 24M
Механизм подъёма штанги, ИЯПБ.22.27.00.000, 24M
Механизм подъёма штанги, ИЯПБ.22.27.00.000, 24M
Механизм подъёма штанги, ИЯПБ.22.27.00.000, 24M
Механизм подъёма штанги, ИЯПБ.22.27.00.000, 24M
Механизм подъёма штанги, ИЯПБ.22.27.00.000, 24M
Механизм подъёма штанги, ИЯПБ.22.27.00.000, 24M
Механизм подъёма штанги, ИЯПБ.22.27.00.000, 24M
Механизм подъёма штанги, ИЯПБ.22.27.00.000, 24M
Механизм подъёма штанги, ИЯПБ.22.27.00.000, 24M
Механизм подъёма штанги, ИЯПБ.22.27.00.000, 24M
Пульт управления гидроблоком 24м ИЯПБ.27.06.09.000
Гидрозамок в сборе ИЯПБ.27.06.10.000
Клапан обратный в сборе ИЯПБ.27.06.11.000
Кронштейн в сборе 24м ИЯПБ.27.06.12.000
Шарнир ИЯПБ.25.26.00.000
Упор противооткатный ИЯПБ 25.30.00.000
Упор противооткатный ИЯПБ 25.30.00.000
Кронштейн в сборе ИЯПБ 25.25.00.000
1
1
1
1
1
2
2
2
2
2
3
3
3
3
3
4
5
6
6
6
6
6
7
8
9
10
10
10-1
10-2
10-3
10-4
10-5
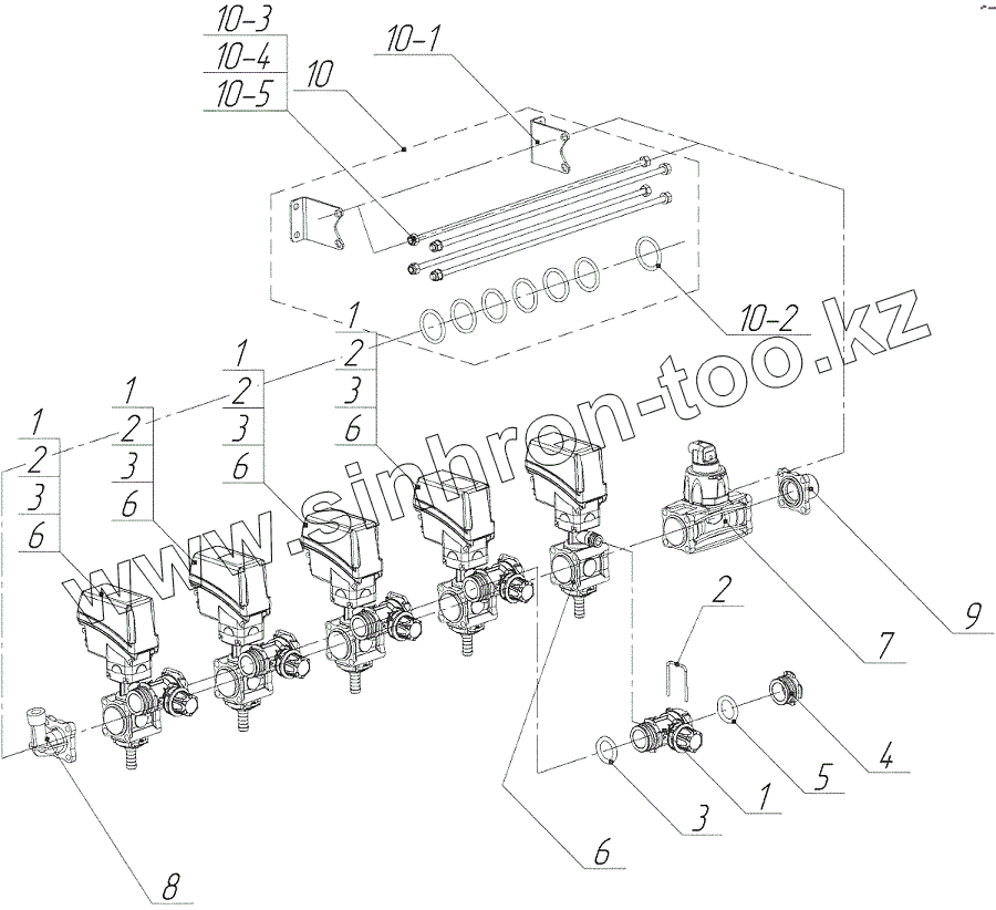
Позиция на иллюстрации
Заводской номер детали
Название детали
1
463 2010.810
Регулируемый патрубок обратного слива
2
010 004
Вилка
3
G11054V
Кольцо
4
219140
Заглушка
5
G11054
Кольцо
6
863 011
Секционный клапан
7
462 64А0
Расходомер
8
463 011.130
Адаптер
9
463 000.040
Фланец
10
463 000.970
Комплект крепёжный
10
463 900.970
Комплект крепёжный
10-1
463 911.100
Кронштейн
10-2
G10071V
Кольцо
10-3
L=321 мм
Шпилька
10-4
А8.37
Шайба
10-5
М8-10
Гайка
Содержащиеся в справочниках-каталогах запасные части и детали не предлагаются к продаже, а носят исключительно информационный характер
Дополнительная информация
×
Название:
Номер:
Примечание: