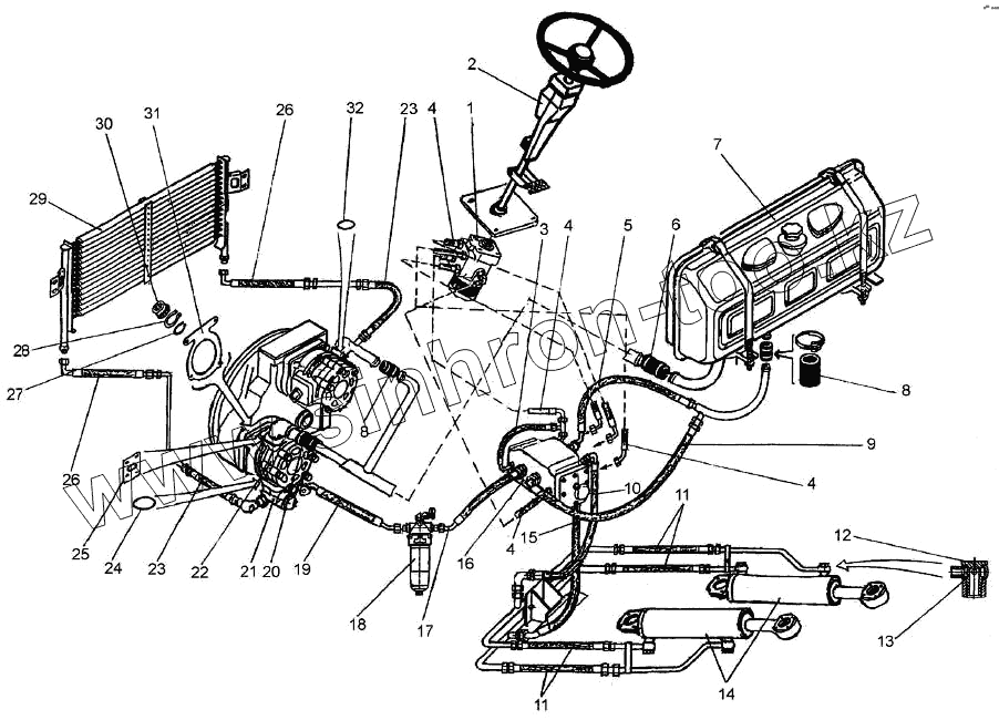
Каталог запасных частей к технике: ПТЗ К-744Р2. Схема гидравлической системы управления поворотом 703MA-3400000
1
2
3
4
4
4
4
5
6
7
8
8
9
10
11
11
12
13
14
15
16
17
18
19
20
21
22
23
23
24
25
26
26
27
28
29
30
31
32
| Позиция на иллюстрации | Заводской номер детали | Название детали | |
|---|---|---|---|
| 1 | ОSРВХ500LS150-1086 | Насос-дозатор DАNFОSS | |
| 2 | 744Р2-3401010 | Рулевая колонка | |
| 3 | 744Р1-3400230 | Рукав Dу10 | |
| 4 | 744Р1-3400230-01 | Рукав | |
| 5 | 744Р1-3400220-06 | Рукав Dу20 | |
| 6 | 65х77,5-0,3 | Рукав | |
| 7 | 700А.4614000-3 | Гидробак | |
| 8 | 42х55-1,6 | Рукав | |
| 9 | 744Р1-3400220-02 | Рукав Dу20 | |
| 10 | 744Р1-3400220-03 | Рукав | |
| 11 | 744Р1-3400270 | Рукав | |
| 12 | 744Р-3429001 | Болт | |
| 13 | 030-034-25-1-3 | Кольцо | |
| 14 | Н700А.3429000 | Гидроцилиндр | |
| 15 | 744Р-4600250-2 | Рукав | |
| 16 | ОSQА4 | Усилитель потока DАNFОSS | |
| 17 | 744Р-4600250-2-02 | Рукав Dу20 | |
| 18 | SРМ302В6FV11В4DVЕ5 | Фильтр напорный | |
| 19 | 744Р2-3400120 | Рукав Dу20 | |
| 20 | 50х61,5-1,5 | Рукав | |
| 21 | 744Р1-3406000 | Регулятор расхода | |
| 22 | НШ100А-3Л | Насос | |
| 23 | 744Р1-3400190 | Рукав Dу20 | |
| 24 | 050-056-36-1-3 | Кольцо | |
| 25 | 700А.1700071 | Прокладка | |
| 26 | 744Р1-3400220 | Рукав | |
| 27 | С34 | Кольцо | |
| 28 | С45 | Кольцо | |
| 29 | 744Р1-3404000-1 | Радиатор масляный | |
| 30 | 744Р-1600013 | Муфта | |
| 31 | 700А.1602064-1 | Прокладка | |
| 32 | 048-054-36-1-3 | Кольцо |
Содержащиеся в справочниках-каталогах запасные части и детали не предлагаются к продаже, а носят исключительно информационный характер