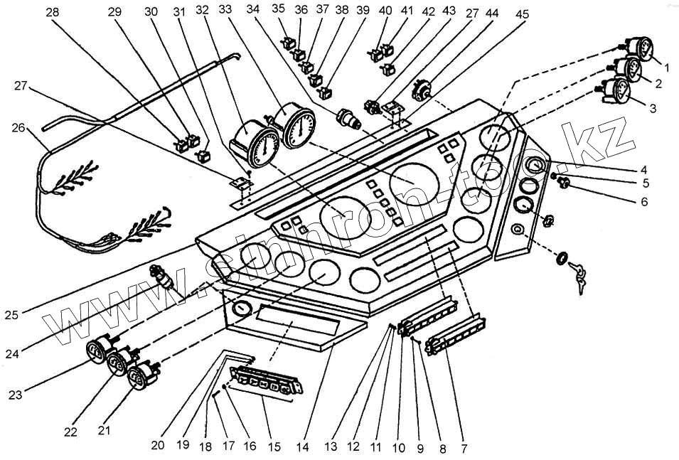
Каталог запасных частей к технике: ПТЗ К-744Р2. Щиток приборов 744Р2-3805000-5
1
2
3
4
5
6
7
8
9
10
11
12
13
14
15
16
17
18
19
20
21
22
23
24
25
26
27
27
28
29
30
31
32
33
34
35
36
37
38
39
40
41
42
43
44
45
| Позиция на иллюстрации | Заводской номер детали | Название детали | |
|---|---|---|---|
| 1 | 14.3810 | Приемник указателя давления | |
| 2 | 3452.3810 | Приемник указателя давления | |
| 3 | 11.3812 | Указатель напряжения | |
| 4 | 744-3805018-01 | Панель | |
| 5 | 700.6804054 | Гайка | |
| 6 | 700А.3805090 | Ручка | |
| 7 | 2311.3803-06 | Блок контрольных ламп | |
| 8 | ВМ3х20 | Винт | |
| 9 | М4х10х8 | Бонка | |
| 10 | 2311.3803-08 | Блок контрольных ламп | |
| 11 | 3.65Г.05 | Шайба | |
| 12 | А3.01.019 | Шайба | |
| 13 | М3 | Гайка | |
| 14 | 744-3805017 | Панель | |
| 15 | 53.3710-06.09 | Блок клавишных выключателей | |
| 16 | М5 | Гайка | |
| 17 | ВМ5х20 | Винт | |
| 18 | 5.65Г.05 | Шайба | |
| 19 | А5.01.019 | Шайба | |
| 20 | М5 | Гайка | |
| 21 | 34.3806 | Приемник указателя уровня топлива | |
| 22 | 310-040-002С | Приемник указателя температуры | |
| 23 | 350-040-004С | Приемник указателя давления | |
| 24 | 245/3710-01 | Выключатель аварийной сигнализации | |
| 25 | 744Р2-3805016-6 | Панель приборов | |
| 26 | 744Р2-3805010-5 | Жгут проводов щитка приборов | |
| 27 | 744-3805100-1 | Петля | |
| 28 | 2212.3803-01 | Контрольная лампа | |
| 29 | 2212.3803-02 | Контрольная лампа | |
| 30 | 2212.3803-28 | Контрольная лампа | |
| 31 | ВМ4х12 | Винт | |
| 32 | 18.3813-У-ХЛ | Показывающий прибор | |
| 33 | 31.3802-У-ХЛ | Показывающий прибор | |
| 34 | 1202.3704-02 | Выключатель стартера и приборов | |
| 35 | 2212.3803-07 | Контрольная лампа | |
| 36 | 2212.3803-08 | Контрольная лампа | |
| 37 | 2212.3803-46 | Контрольная лампа с символом 744Р2-3805012-04 | |
| 38 | 2212.3803-46 | Контрольная лампа с символом 744Р2-3805012-04 | |
| 39 | 2212.3803-47 | Контрольная лампа | |
| 40 | 2212.3803 | Контрольная лампа-резерв | |
| 41 | 2212.3803-05 | Контрольная лампа | |
| 42 | 2212.3803-37 | Контрольная лампа | |
| 43 | 11.3704 | Выключатель кнопочный | |
| 44 | ВК416-Б-01 | Выключатель света щитка приборов с реостатом | |
| 45 | 744-3805011 | Прижим |
Содержащиеся в справочниках-каталогах запасные части и детали не предлагаются к продаже, а носят исключительно информационный характер