Каталог запасных частей к технике: ПТЗ К-744Р2. Подвеска 744-2900000
1
2
2
3
4
5
6
7
8
8
9
10
11
11
12
13
14
15
16
17
18
19
19
20
20
21
22
23
24
24
25
26
27
28
29
30
31
32
33
34
35
36
37
38
39
40
41
42
43
44
44
45
46
47
48
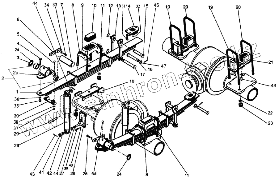
| Позиция на иллюстрации | Заводской номер детали | Название детали | |
|---|---|---|---|
| 1 | 701М-2902012-02 | Рессора | |
| 2 | 2256010-2900030-1 | Ушко | |
| 2 | 2256010-2900031-1 | Ушко | |
| 3 | 2256010-2900046 | Втулка | |
| 4 | М20х1,5х90 | Болт | |
| 5 | М16х110 | Болт | |
| 6 | 700А.2800021 | Клин установочный | |
| 7 | 2256010-2900016-1 | Ось | |
| 8 | 2256010-2900022 | Стремянка | |
| 9 | 2256010-2900023 | Накладка | |
| 10 | 2256010-2900033-2 | Буфер | |
| 11 | 2256010-2900022-01 | Стремянка | |
| 12 | В34 | Кольцо | |
| 13 | 2256010-2900039-1 | Серьга | |
| 14 | 2256010-2900012-2 | Упор | |
| 15 | 2256010-2900038 | Ось | |
| 16 | 2256010-2900018 | Ось | |
| 17 | 2256010-2900038-01 | Ось | |
| 18 | 2256010-2900044-1 | Проставка | |
| 19 | 700А.0023014-03 | Стремянка | |
| 20 | 2256010-2900022-02 | Стремянка | |
| 21 | 2256010-2900020-2 | Кронштейн | |
| 22 | 700А.0023082 | Шайба | |
| 23 | М27 | Гайка | |
| 24 | 744-2900011 | Шайба | |
| 25 | 3М16 | Болт | |
| 26 | 2256010-2900050-1 | Кронштейн | |
| 27 | 2256010-2900036 | Ось | |
| 28 | А1-225/475.29050006Г4 | Амортизатор | |
| 29 | 2256010-2900019 | Ось амортизатора | |
| 30 | 2256010-2900042 | Накладка | |
| 31 | М14х1,5х35 | Болт | |
| 32 | 14.65Г.05 | Шайба | |
| 33 | 3М16х1,5х40 | Болт | |
| 34 | 16.01.019 | Шайба | |
| 35 | М20 | Гайка | |
| 36 | 20.65Г.05 | Шайба | |
| 37 | М16 | Гайка | |
| 38 | 16.65Г.05 | Шайба | |
| 39 | М16х1,5х40 | Болт | |
| 40 | 16.65Г.05 | Шайба | |
| 41 | М20 | Гайка | |
| 42 | 20.01.019 | Шайба | |
| 43 | 4х40 | Шплинт | |
| 44 | 22.01.019 | Шайба | |
| 45 | 63х50 | Шплинт | |
| 46 | 2.3.45.Ц6 | Масленка | |
| 47 | 30.01.019 | Шайба | |
| 48 | 700А.0023045-2 | Штифт |
Содержащиеся в справочниках-каталогах запасные части и детали не предлагаются к продаже, а носят исключительно информационный характер