Каталог запасных частей к технике: ПТЗ К-744Р2. Механизм навески (нижняя часть) входит в 744-4628000
1
2
3
4
5
6
7
7
11
12
14
15
16
17
18
20
20
21
21
22
23
24
27
28
29
30
31
32
33
34
35
36
36
37
38
39
40
41
42
43
43
43
44
45
46
47
48
49
50
51
52
53
53
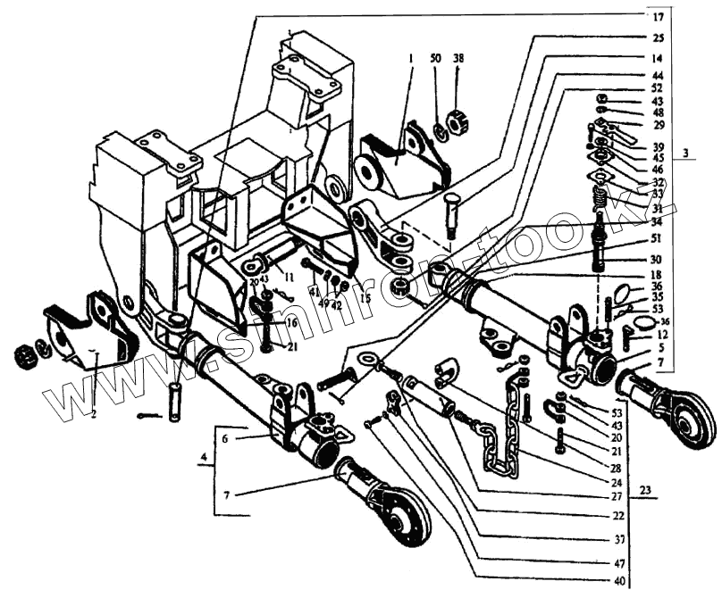
| Позиция на иллюстрации | Заводской номер детали | Название детали | |
|---|---|---|---|
| 1 | 2256010-4628140 | Упор правый | |
| 2 | 2256010-4628150 | Упор левый | |
| 3 | 2256010-4628340-1 | Тяга нижняя правая | |
| 4 | 2256010-4628350-1 | Тяга нижняя левая | |
| 5 | 2256010-4628390-1 | Корпус тяги правой | |
| 6 | 2256010-4628400-1 | Корпус тяги левой | |
| 7 | 700А.4628440-1 | Тяга выдвижная | |
| 8 | 2256010-4628096 | Рычаг | |
| 11 | 2256010-4628014-2 | Ось | |
| 12 | 2256010-4628015 | Чека | |
| 14 | 2256010-4628022 | Ось | |
| 15 | 2256010-4628098 | Кронштейн правый | |
| 16 | 2256010-4628097 | Кронштейн левый | |
| 17 | 2256010-4628103-1 | Ось | |
| 18 | 2256010-4628119 | Кулачок | |
| 20 | 700А.4628071 | Звено | |
| 21 | 700А.4628088 | Ось | |
| 22 | 700А.4628163 | Винт | |
| 23 | 700.4628290-1 | Раскос горизонтальный | |
| 24 | 700.4628330-3 | Цепь | |
| 27 | 700.4628164-2 | Труба | |
| 28 | 700.4628228-2 | Хомут | |
| 29 | 700.4628229-1 | Рукоятка | |
| 30 | 700.4628231-1 | Стопор | |
| 31 | 700.4628232 | Пружина | |
| 32 | 700.4628237-2 | Крышка | |
| 33 | 700.4628241-1 | Прокладка | |
| 34 | 700.4628251 | Ось | |
| 35 | 700.4628266 | Чека | |
| 36 | 700.4628272-1 | Кольцо | |
| 37 | 700.4628273 | Крышка | |
| 38 | 700.4628275-1 | Гайка | |
| 39 | М8х20 | Болт | |
| 40 | М12х30 | Болт | |
| 41 | М27х70 | Болт | |
| 42 | М27 | Гайка | |
| 43 | М20х1,5 | Гайка | |
| 44 | М36х3 | Гайка | |
| 45 | СП42-29-5 | Кольцо | |
| 46 | 8.65Г | Шайба | |
| 47 | 12.65Г | Шайба | |
| 48 | 20.65Г | Шайба | |
| 49 | 27.65Г | Шайба | |
| 50 | 48.65Г | Шайба | |
| 51 | 6,3х45 | Шплинт | |
| 52 | 6,3х70 | Шплинт | |
| 53 | 700А.4628067 | Фиксатор |
Содержащиеся в справочниках-каталогах запасные части и детали не предлагаются к продаже, а носят исключительно информационный характер