Каталог запасных частей к технике: ПТЗ K-744P1. Установка коробки передач
1
2
3
4
5
6
7
8
9
10
11
12
13
14
14
15
16
17
18
19
20
21
22
23
24
25
26
26
26
26
26
26
27
27
27
28
29
30
31
31
31
31
32
32
32
33
34
35
36
37
37
38
38
39
39
40
40
41
41
42
42
43
44
45
45
46
46
47
48
48
48
49
49
49
50
51
52
53
60
61
62
63
64
65
66
67
68
69
70
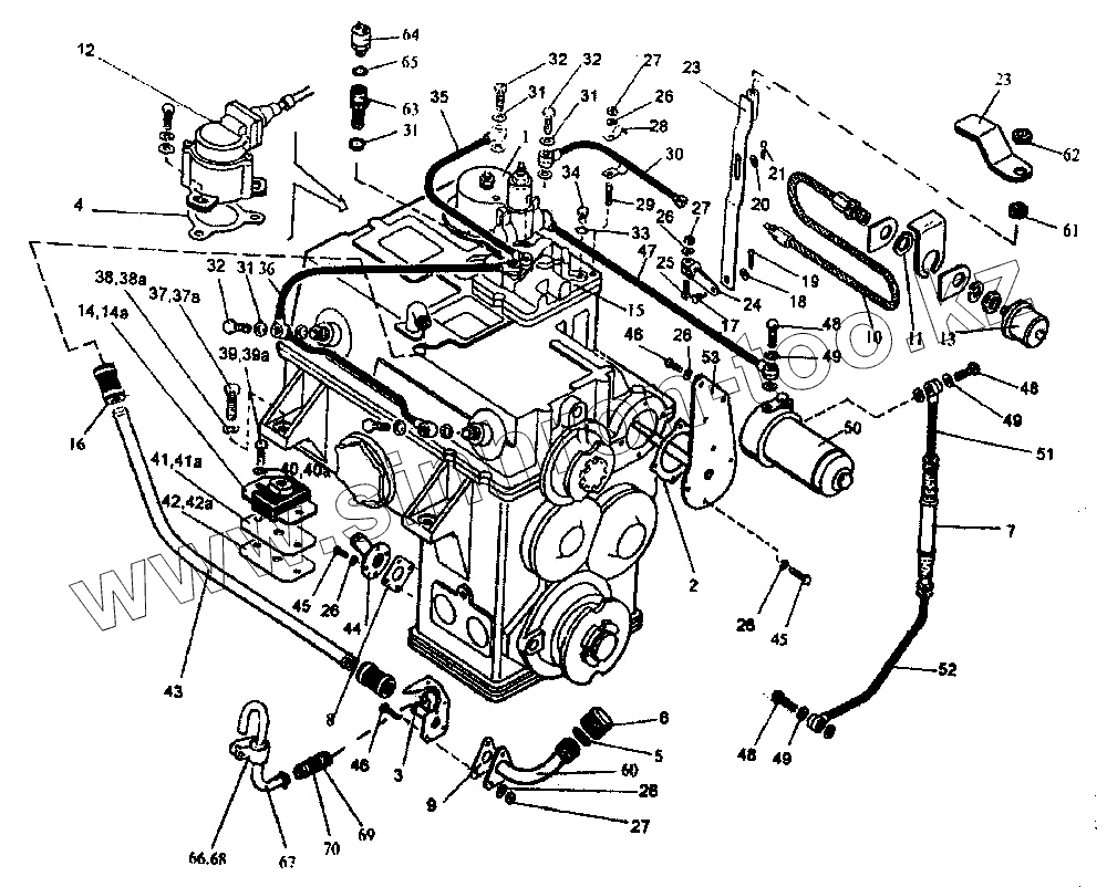
| Позиция на иллюстрации | Заводской номер детали | Название детали | |
|---|---|---|---|
| 1 | 2256010-1748000-2 | Гидроаккумулятор | |
| 2 | 2256010-1700021 | Прокладка | |
| 3 | 744-0017010 | Кронштейн | |
| 4 | 2256010-3800012 | Прокладка | |
| 5 | 700А.0017105 | Прокладка | |
| 6 | 700А.0017106 | Колпачок | |
| 7 | 700А.3400070 | Рукав | |
| 8 | 700.1701251-1 | Прокладка | |
| 9 | 700.1701275 | Прокладка | |
| 10 | 700.3800090 | Рукав | |
| 11 | 700.3800017 | Втулка | |
| 12 | 2001.3843 | Датчик тахометра | |
| 13 | ММ359 | Датчик давления масла | |
| 14 | АКСС-220М | Амортизатор | |
| 14 | АКСС-400М | Амортизатор | |
| 15 | 744Р-1702000-3 | Механизм переключения передач | |
| 16 | 42х56,5-1,5 | Рукав ГОСТ 10362-76 (L=80 mm) | |
| 17 | 6-10В12х30 | Ось | |
| 18 | 10.01.019 | Шайба | |
| 19 | 2,5х16.016 | Шплинт | |
| 20 | 14.01.019 | Шайба | |
| 21 | 3,2х20.016 | Шплинт | |
| 22 | 744Р-0017033 | Рукоятка | |
| 23 | 744Р-1700180 | Рычаг | |
| 24 | 700.1719012-1 | Рычаг | |
| 25 | М10х45 | Болт | |
| 26 | 10.65Г.05 | Шайба | |
| 27 | М10-6Н.8С.019 | Гайка | |
| 28 | 700А.1700026 | Скоба | |
| 29 | М10х55.56.019 | Шпилька | |
| 30 | 2256010-1700140 | Труба | |
| 31 | 700.3429042 | Прокладка | |
| 32 | 700.1724045 | Болт зажимной | |
| 33 | 700.1701413 | Прокладка | |
| 34 | 700А.1700072-03 | Пробка | |
| 35 | 744-1700130 | Трубопровод | |
| 36 | 744-1700140-1 | Трубопровод | |
| 37 | М22-6gх65 | Болт | |
| 37 | М27-6gх70 | Болт | |
| 38 | 22Т.65Г.05 | Шайба | |
| 38 | 27Т.65Г.05 | Шайба | |
| 39 | М14-6gх50 | Болт | |
| 39 | М16-6gх45 | Болт | |
| 40 | 14.0Т.65Г.05 | Шайба | |
| 40 | 16.0Т.65Г.05 | Шайба | |
| 41 | 700А.0017098-01 | Прокладка | |
| 41 | 2256010-0017039 | Прокладка | |
| 42 | 700А.0017098-02 | Прокладка | |
| 42 | 2256010-0017039-01 | Прокладка | |
| 43 | 744Р-0017014 | Труба | |
| 44 | 700А.1700120 | Труба | |
| 45 | М10-6gх20 | Болт | |
| 46 | М10-6gх25 | Болт | |
| 47 | 2256010-1700130 | Труба | |
| 48 | 700.1724023-2 | Болт зажимной | |
| 49 | 700.1701413 | Прокладка | |
| 50 | 2256010-1716000 | Фильтр | |
| 51 | 2256010-1700120-01 | Труба | |
| 52 | 700А.1724160-3 | Труба | |
| 53 | 744Р-1700100 | Кронштейн | |
| 60 | 700А.0017170 | Патрубок | |
| 61 | 744Р-0017032 | Втулка | |
| 62 | М14-7Н-8С.019 | Гайка | |
| 63 | 744Р-1700071 | Болт | |
| 64 | DS4015 | Датчик включения электропневмоклапана | |
| 65 | 14А5М | Прокладка | |
| 66 | 700А.11.00.057-02 | Втулка | |
| 67 | 744-0017023 | Труба | |
| 68 | 22.22.9.0 | Скоба ОСТ23.2.121-84 | |
| 69 | 25-29-3 | Хомут ОСТЗ-408-70 | |
| 70 | 16х25-1,6 | Рукав ГОСТ 10362-76 |
Содержащиеся в справочниках-каталогах запасные части и детали не предлагаются к продаже, а носят исключительно информационный характер