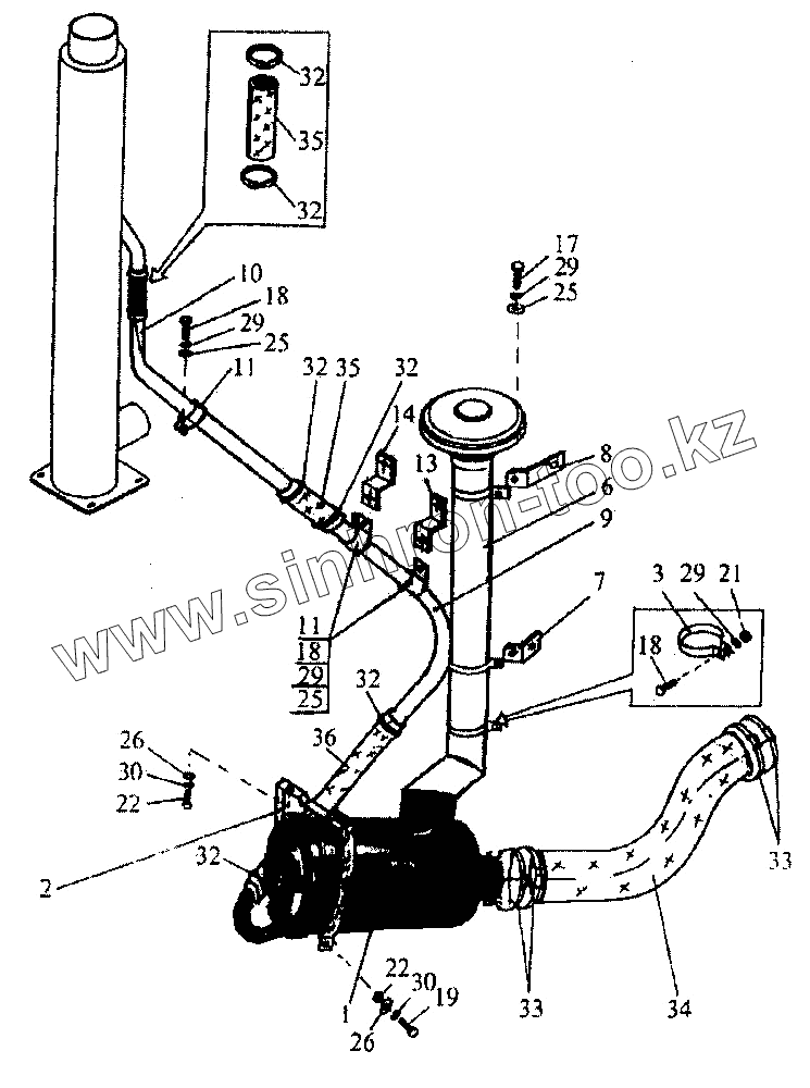
Каталог запасных частей к технике: ПТЗ K-744P1. Система очистки воздуха
1
2
3
6
7
8
9
10
11
11
12
13
17
18
18
18
19
21
22
22
25
25
25
26
26
29
29
29
29
30
30
32
32
32
32
32
32
33
33
35
35
36
| Позиция на иллюстрации | Заводской номер детали | Название детали | |
|---|---|---|---|
| 1 | 744-1900010 | Воздухоочиститель | |
| 2 | 744-1900040 | Хомут | |
| 3 | 744-1900050 | Хомут | |
| 6 | 744-1900001 | Труба | |
| 7 | 744-1900002 | Кронштейн | |
| 8 | 744-1900002-01 | Кронштейн | |
| 9 | 744-1900011 | Труба | |
| 10 | 744-1900012-1 | Труба | |
| 11 | 744-1900005 | Хомут | |
| 12 | 744Р-1900013 | Кронштейн | |
| 13 | 744Р-1900014 | Кронштейн | |
| 17 | М8-8gх20.56.019 | Болт ГОСТ 7808-70 | |
| 18 | М8-8gх25.56.019 | Болт ГОСТ 7808-70 | |
| 19 | М10-8gх35.56.019 | Болт ГОСТ 7808-70 | |
| 21 | М8-6Н.5.019 | Гайка ГОСТ 5927-70 | |
| 22 | М10-6Н.5.019 | Гайка ГОСТ 5927-70 | |
| 25 | 8.01.05 | Шайба ГОСТ 11371-70 | |
| 26 | 10.01.05 | Шайба ГОСТ 11371-70 | |
| 29 | 8.65Г.05 | Шайба | |
| 30 | 10.65Г.05 | Шайба | |
| 32 | 56-62-3 | Хомут | |
| 33 | 120х130х3 | Хомут | |
| 34 | 125х525 | Хомут | |
| 35 | 50х61,5-1,6 | Рукав | |
| 36 | 50х61,5-1,6 | Рукав |
Содержащиеся в справочниках-каталогах запасные части и детали не предлагаются к продаже, а носят исключительно информационный характер