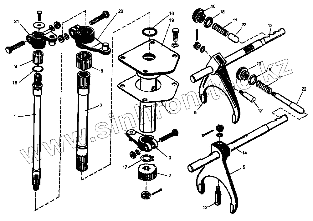
Каталог запасных частей к технике: ПТЗ K-744P1. Привод управления муфтами грузового вала
1
2
3
4
5
6
7
8
9
10
10
11
11
12
12
13
14
15
16
17
18
18
19
20
21
22
23
| Позиция на иллюстрации | Заводской номер детали | Название детали | |
|---|---|---|---|
| 1 | 700А.1701129 | Валик | |
| 2 | 700А.1701243 | Сектор | |
| 3 | 700.1701230 | Рычаг | |
| 4 | 700.1701133-1 | Прокладка | |
| 5 | 700.1701143-2 | Вилка | |
| 6 | 700.1701144-2 | Вилка | |
| 7 | 700.1701244-1 | Вал | |
| 8 | 700.1701296 | Втулка | |
| 9 | 700.1701297 | Втулка | |
| 10 | 700.1701332 | Пробка | |
| 11 | 700.1701343 | Пружина | |
| 12 | 700.1701482 | Клин | |
| 13 | 700.1701483 | Валик | |
| 14 | 700.1701495 | Валик-рейка | |
| 15 | 018-022-25-1-3 | Кольцо | |
| 16 | 030-038-46-1-3 | Кольцо | |
| 17 | Б20 | Кольцо | |
| 18 | ФТ28х34х2 | Прокладка | |
| 19 | 700.1701220-1 | Корпус | |
| 20 | 744-1700070 | Рычаг | |
| 21 | 744-1700024-1 | Рычаг | |
| 22 | 700.1701345-1 | Фиксатор | |
| 23 | 700.1701353 | Фиксатор |
Содержащиеся в справочниках-каталогах запасные части и детали не предлагаются к продаже, а носят исключительно информационный характер