Каталог запасных частей к технике: ПТЗ K-744P1. Электрооборудование передней стенки кабины
1
1
1
2
3
3
4
5
5
6
6
7
8
9
10
11
12
12
13
13
14
15
16
17
18
19
20
20
21
21
22
23
23
24
25
25
26
27
27
28
28
28
28
28
28
29
29
29
29
29
29
29
30
30
30
30
30
30
30
31
32
32
33
34
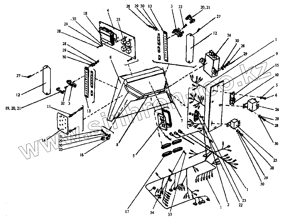
| Позиция на иллюстрации | Заводской номер детали | Название детали | |
|---|---|---|---|
| 1 | 744Р-3799090-1 | Жгут проводов главный | |
| 2 | 744Р-3799120-1 | Жгут проводов силовой | |
| 3 | 744Р-3799150 | Блок защиты | |
| 4 | 744-3799010 | Панель | |
| 5 | 744-3799020 | Крышка | |
| 6 | 744Р-3800010-2 | Каркас левый | |
| 7 | 744Р-3800020-2 | Каркас правый | |
| 8 | 744Р-3800030 | Связь | |
| 9 | 744Р-3800050 | Кронштейн | |
| 10 | 2256010-3799100 | Диод с проводом | |
| 11 | 2256010-3805040 | Диод | |
| 12 | 744Р-3799012 | Крышка | |
| 13 | 744Р-3799011 | Планка | |
| 14 | 744Р-3800021 | Плата | |
| 15 | 2256010-3799014 | Кронштейн | |
| 16 | 700А.38.05.104 | Скоба | |
| 17 | 2256010-3795140 | Панель соединительная | |
| 18 | РС951-А-У-ХЛ | Прерыватель указателей поворота | |
| 19 | ПВ-10,30В | Предохранитель | |
| 20 | ПВ-20,30В | Предохранитель | |
| 21 | ПВ-30, З0В1 | Предохранитель | |
| 22 | ПВ-60АСУХЛ,30В | Предохранитель | |
| 23 | Б3-30УХЛ,30В | Блок защиты | |
| 24 | 2302.3702 | Регулятор | |
| 25 | 11.3747010 | Реле | |
| 26 | 738.3747-20 | Реле | |
| 27 | [Винт М6х18] | Винт М6х18 | |
| 28 | [Винт М6х12] | Винт М6х12 | |
| 29 | [Шайба 6.65Г.05] | Шайба 6.65Г.05 | |
| 30 | [Шайба А6.01.019] | Шайба А6.01.019 | |
| 31 | [Болт М6х12] | Болт М6х12 | |
| 32 | [Винт М4х12] | Винт М4х12 | |
| 33 | [Винт М5х20] | Винт М5х20 | |
| 34 | [Шайба 5.65Г.05] | Шайба 5.65Г.05 |
Содержащиеся в справочниках-каталогах запасные части и детали не предлагаются к продаже, а носят исключительно информационный характер