Каталог запасных частей к технике: ПТЗ K-744P1. Двигатель в сборе
1
1
2
3
4
5
6
7
8
8
9
10
11
12
13
13
14
16
17
17
18
18
19
19
19
20
21
22
22
23
23
23
24
25
26
27
28
29
30
30
31
32
33
33
33
34
34
34
35
36
37
38
39
39
40
40
41
42
43
44
45
46
46
47
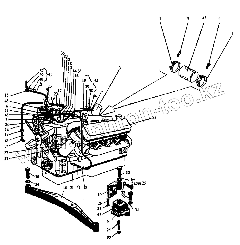
| Позиция на иллюстрации | Заводской номер детали | Название детали | |
|---|---|---|---|
| 1 | 744Р1-1000010 | Хомут | |
| 2 | 744Р1-1000011 | Труба | |
| 3 | 744Р1-1000014 | Патрубок | |
| 4 | 744Р1-1000015 | Штуцер | |
| 5 | 700.10.00.013 | Болт | |
| 6 | 700.10.00.026 | Прокладка | |
| 7 | 700.10.00.038 | Траверса | |
| 8 | 700.15.00.047 | Винт | |
| 9 | 700А.00.10.021-1 | Проставка | |
| 10 | 700А.10.00.011-2 | Кронштейн | |
| 11 | 700А.10.00.012 | Патрубок | |
| 12 | 700А.10.00.013 | Труба | |
| 13 | 700А.10.00.014 | Труба | |
| 14 | 700А.11.00.057 | Втулка | |
| 15 | 701.10.00.089 | Трубка | |
| 16 | 734-1000011 | Труба | |
| 17 | 744Р-1000011 | Угольник ввертный | |
| 18 | 2256010-3500087-01 | Гайка накидная | |
| 19 | 2256010-3500087-03 | Гайка накидная | |
| 20 | 2256010-3500089-01 | Штуцер ввертный | |
| 21 | 2256010-3500089-02 | Штуцер ввертный | |
| 22 | 2256010-3500092-01 | Муфта конусная | |
| 23 | 2256010-3500092-05 | Муфта конусная | |
| 24 | М8х20 | Болт | |
| 25 | М14х45 | Болт | |
| 26 | М16х40 | Болт | |
| 27 | М16х55 | Болт | |
| 28 | М16х70 | Болт | |
| 29 | М27х70 | Болт | |
| 30 | М27х110 | Болт | |
| 31 | 8.65Г | Шайба | |
| 32 | 14.65Г | Шайба | |
| 33 | 16.65Г | Шайба | |
| 34 | 27.65Г | Шайба | |
| 35 | КГ1/8" | Пробка | |
| 36 | 12.18.9.0 | Скоба | |
| 37 | ХЛ-225 | Лента | |
| 38 | ХЛ-300 | Лента | |
| 39 | ХР | Рамка | |
| 40 | ХШ | Шплинт | |
| 41 | 14-17-3 | Хомут | |
| 42 | 29-33-3 | Хомут | |
| 43 | АКСС-400М | Амортизатор | |
| 44 | 238НД5-1000175 | Двигатель | |
| 45 | 500-3509015-61 | Компрессор | |
| 46 | 22х32х1,5 | Рукав 1=80 мм | |
| 47 | 90х100 | Рукав 1=100 мм |
Содержащиеся в справочниках-каталогах запасные части и детали не предлагаются к продаже, а носят исключительно информационный характер