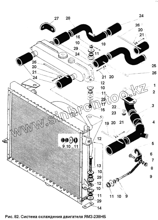
Каталог запасных частей к технике: ПТЗ К-701. Система охлаждения двигателя ЯМЗ-238НБ
1
2
3
4
5
6
7
8
9
9
9
10
10
10
10
10
10
11
11
11
11
11
12
12
12
13
13
14
16
16
17
18
19
20
20
20
20
21
21
21
21
22
23
24
24
24
25
26
26
26
27
28
29
29
29
29
| Позиция на иллюстрации | Заводской номер детали | Название детали | |
|---|---|---|---|
| 700А.13.00.000 | 700А.13.00.000 | Система охлаждения | |
| 1 | 700.13.00.026 | Прокладка | |
| 2 | 700.13.03.015 | Патрубок | |
| 3 | 700А.13.00.012 | Трубка | |
| 4 | 700А.13.00.000 | Система охлаждения | |
| 5 | Болт М12Х30 ГОСТ 7808-70 | Болт М12Х30 ГОСТ 7808-70 | |
| 6 | 700А.13.00.046 | Угольник | |
| 7 | 700.13.00.180 | Стяжка | |
| 8 | Шайба 12.65Г ГОСТ 6402-70 | Шайба 12.65Г ГОСТ 6402-70 | |
| 9 | Гайка М12 ГОСТ 5927-70 | Гайка М12 ГОСТ 5927-70 | |
| 10 | 700.13.00.027 | Шайба | |
| 11 | 700.13.00.028 | Кольцо | |
| 12 | 700.13.00.029-1 | Втулка | |
| 13 | Болт 2М12Х15 ГОСТ 7811 -70 | Болт 2М12Х15 ГОСТ 7811 -70 | |
| 13 | Болт 3М12Х55 ГОСТ 7811-70 | Болт 3М12Х55 ГОСТ 7811-70 | |
| 14 | 701.13.00.016 | Планка | |
| 16 | Гайка М12 ГОСТ 5933-70 | Гайка М12 ГОСТ 5933-70 | |
| 17 | 700.13.00.031-2 | Шайба | |
| 18 | Шплинт 3.2Х32 ГОСТ 397-79 | Шплинт 3.2Х32 ГОСТ 397-79 | |
| 19 | Лента 525 ГОСТ 503-71 | Лента 525 ГОСТ 503-71 | |
| 20 | А52426-24 | Рамка хомута ОСТ 3-408-70 | |
| 21 | 3408-1 | Шплинт хомута 6.3 ОСТ 3-408-70 | |
| 22 | Шайба 10.65 Г ГОСТ 6402-70 | Шайба 10.65 Г ГОСТ 6402-70 | |
| 23 | 700.68.04.054 | Гайка | |
| 24 | 700А.13.00.011 | Шланг | |
| 25 | 700.13.03.024 | Труба | |
| 26 | Лента 425 ГОСТ 503-71 | Лента 425 ГОСТ 503-71 | |
| 27 | 700.13.00.058 | Угольник | |
| 28 | 700.13.03.060 | Труба в сборе | |
| 29 | 700.13.00.027-1 | Шайба |
Содержащиеся в справочниках-каталогах запасные части и детали не предлагаются к продаже, а носят исключительно информационный характер