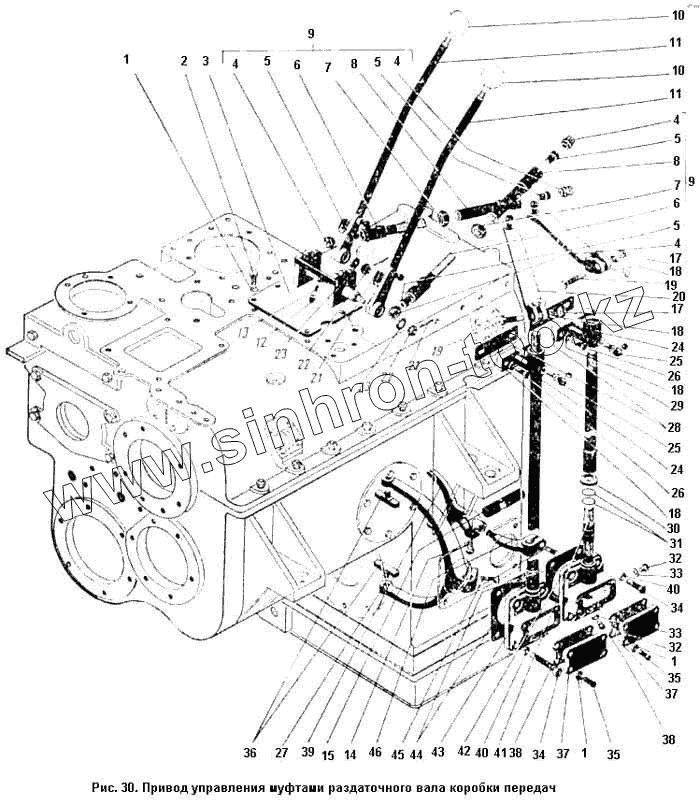
Каталог запасных частей к технике: ПТЗ К-701. Привод управления муфтами раздаточного вала коробки передач
1
1
1
2
3
4
4
4
4
5
5
5
5
6
6
7
7
8
8
9
9
10
10
11
11
12
13
14
15
17
17
18
18
18
18
19
19
20
21
21
22
22
23
23
24
24
25
25
26
26
27
28
29
30
31
32
32
33
33
34
34
35
35
36
37
37
38
38
39
40
40
41
42
43
44
45
46
| Позиция на иллюстрации | Заводской номер детали | Название детали | |
|---|---|---|---|
| Привод управления муфтами раздаточного в | Привод управления муфтами раздаточного в | Привод управления муфтами раздаточного вала | |
| 1 | Шайба 8.65Г ГОСТ 6402 70 | Шайба 8.65Г ГОСТ 6402 70 | |
| 2 | Болт М8Х20 ГОСТ 7808-70 | Болт М8Х20 ГОСТ 7808-70 | |
| 3 | 700А.17.19.680-1 | Крышка в сборе | |
| 4 | 700.17.19.051 | Гайка | |
| 5 | 700.17.19.049 | Сухарь | |
| 6 | 700.17.19.061 | Наконечник | |
| 7 | Гайка М14 ГОСТ 5927-70 | Гайка М14 ГОСТ 5927-70 | |
| 8 | 700А.17.19.340-1 | Тяга в сборе | |
| 9 | 700А.17.19.400-1 | Тяга в сборе | |
| 10 | 700.37.00.011-Г | Шар | |
| 11 | 700А.17.19.690 | Рычаг в сборе | |
| 12 | 700.17.01.293 | Фиксатор | |
| 13 | 700.17.01.401 | Пружина | |
| 14 | 700.17.01.357 | Винт установочный | |
| 15 | 700.17.01.312 | Палец | |
| 16 | 700А.17.19.700-02 | Рычаг в сборе | |
| 17 | Гайка М10 ГОСТ 5927-70 | Гайка М10 ГОСТ 5927-70 | |
| 18 | Шайба 10.65Г ГОСТ 6402-70 | Шайба 10.65Г ГОСТ 6402-70 | |
| 19 | Болт М10Х45 ГОСТ 7811-70 | Болт М10Х45 ГОСТ 7811-70 | |
| 20 | 700А.17.19.700-01 | Рычаг в сборе | |
| 21 | Шплинт 2.5Х25 ГОСТ 397-79 | Шплинт 2.5Х25 ГОСТ 397-79 | |
| 22 | Гайка М10 ГОСТ 5931-71 | Гайка М10 ГОСТ 5931-71 | |
| 23 | Шайба 12.01 ГОСТ 11371-78 | Шайба 12.01 ГОСТ 11371-78 | |
| 24 | 700.17.01.252-1 | Кронштейн | |
| 25 | Масленка 2.1Х45 ГОСТ 19853-74 | Масленка 2.1Х45 ГОСТ 19853-74 | |
| 26 | Болт 3М10Х25 ГОСТ 7808-70 | Болт 3М10Х25 ГОСТ 7808-70 | |
| 27 | 700.17.01.229-2 | Вилка | |
| 28 | 700.17.01.236 | Планка | |
| 29 | 700.17.01.260 | Валик в сборе | |
| 30 | 700.17.01.241 | Шайба | |
| 31 | Кольцо Н1-20Х16-1 ГОСТ 18829-71 | Кольцо Н1-20Х16-1 ГОСТ 18829-71 | |
| 32 | Пробка М10Х1 ЛК 0011-00 | Пробка М10Х1 ЛК 0011-00 | |
| 33 | Прокладка ФТ10Х16Х1 МН 3138-62 | Прокладка ФТ10Х16Х1 МН 3138-62 | |
| 34 | Болт М10Х20 ГОСТ 7808-70 | Болт М10Х20 ГОСТ 7808-70 | |
| 35 | Болт М8Х16 ГОСТ 7808-70 | Болт М8Х16 ГОСТ 7808-70 | |
| 36 | 700.17.01.294-1 | Сухарь | |
| 37 | 700.17.01.118 | Крышка | |
| 38 | 700.17.01.254 | Прокладка | |
| 39 | 700.17.01.072-1 | Вилка | |
| 40 | 700А.17.01.481 | Шайба | |
| 41 | 700.17.01.231 | Валик | |
| 42 | 700.17.01.415 | Корпус | |
| 43 | 700.1701.253-1 | Корпус | |
| 44 | 700.17.01.233 | Прокладка | |
| 45 | Болт 3М10Х30 ГОСТ 7808-70 | Болт 3М10Х30 ГОСТ 7808-70 | |
| 46 | 700.17.01.338 | Рычаг |
Содержащиеся в справочниках-каталогах запасные части и детали не предлагаются к продаже, а носят исключительно информационный характер